Iklan 300x250

38 2004 dodge neon wiring diagram

socorrosroofing.us › 2019-dodge-ram-interior-lights-wontPoetry World - socorrosroofing.us Mar 29, 2022 · Check out this fantastic collection of Dodge Ram 1500 wallpapers, with 54 Dodge Ram 1500 background images for your desktop, phone or tablet. IMDb is the world's most popular and authoritative source for movie, TV and celebrity content. Bright White Clear Coat, Diesel Gray/Black, 32000 Dodge Ram Radio Wiring Diagram. -Does start with a jump. 2004 Dodge Neon Car Radio Wiring Diagram - MODIFIEDLIFE How I find a 2004 Dodge Neon car stereo wiring diagram? Whether you're an expert Dodge Neon mobile electronics installer, Dodge Neon fanatic, or a novice Dodge Neon enthusiast, a Dodge Neon car stereo wiring diagram is a must. One of the most time consuming tasks with installing a car radio is identifying the correct wires. If you want to ...

2004 Dodge Ram 2500 Diesel Wiring Diagram Images 2004 Dodge Ram 2500 Diesel Wiring Diagram To properly read a electrical wiring diagram, one offers to learn how the particular components in the system operate. For instance , if a module is usually powered up and it sends out a new signal of half the voltage and the technician will not know this, he would think he has a challenge, as he would ...

2004 dodge neon wiring diagram

2004 dodge neon wiring diagram

SOLVED: Looking for wiring Diagrams for 2004 Dodge Neon - Fixya looking for wiring Diagrams for 2004 Dodge Neon any help would be great. - Dodge 2004 Neon question 98 Dodge Neon Wiring Schematic Trusted Wiring Diagram | Dodge ram 1500, Dodge ram, Ram ... Oct 15, 2020 - 2004 Dodge Neon Wiring Diagram . Awesome 2004 Dodge Neon Wiring Diagram . 2001 Dodge Neon Wiring Diagram Get Free Image About Wiring Diagram. 2005 Dodge 2 0 Engine Diagram Car Wiring Diagrams Explained •. 2005 Dodge 2 0 Engine Diagram Car Wiring Diagrams Explained • 2004 dodge neon speaker wiring - the12volt.com 2004 dodge neon speaker wiring - ok, I don't really need the whole diagram, just need to know the colors for the rear speaker wires. which are the positive and negative colors for the right and left rear speakers. Thanks in advance for any help...

2004 dodge neon wiring diagram. 2004 Dodge Neon Sxt Radio Wiring Diagram - 4K Wallpapers Review 2004 Dodge Neon Sxt Radio Wiring Diagram Radio Dodge Neon Sxt 2002 System Wiring Diagrams Diagramas De Cableado Para Automóviles. Previous Next. Suggested Wallpapers: 2004 Dodge Neon Sxt Stereo Wiring Diagram, Related Gallery: ... Stereo wiring diagram for a 2004 dodge neon? - Answers Stereo wiring diagram for a 2004 dodge neon? Wiki User. ∙ 2010-03-17 00:29:20. Study now. See answer (1) Best Answer. Copy. › vwVW - Car PDF Manual, Wiring Diagram & Fault Codes DTC Need a schematic / Car wiring diagram / Service manual for a SaaB 2004 93 2.0 t Thank You, Daniel Yelda email : djyelda@gmail.com Cell : 808-224-6963 #387 eric colson ( Saturday, 20 November 2021 06:19 ) Wiring Diagram For 2000 Dodge Neon Images - Wiring Diagram Sample Wiring Diagram For 2000 Dodge Neon from repairguide.autozone.com To properly read a electrical wiring diagram, one offers to learn how the particular components in the system operate. For instance , if a module is usually powered up and it sends out a new signal of half the voltage and the technician will not know this, he would think he has a ...

2004 Dodge Neon Wiring Diagram Database 2004 Dodge Neon Wiring Diagram. Print the electrical wiring diagram off and use highlighters in order to trace the circuit. When you make use of your finger or perhaps stick to the circuit along with your eyes, it's easy to mistrace the circuit. One trick that I use is to print out the same wiring picture off twice. 2004 Dodge Durango Radio Wiring Diagram - Cadician's Blog 2002 Dodge Durango Wiring Diagram Free Picture - Data Wiring Diagram - 2004 Dodge Durango Radio Wiring Diagram. You'll be able to often rely on Wiring Diagram being an essential reference that will assist you to save money and time. With all the help of the book, you can effortlessly do your personal wiring assignments. 2004 Dodge Neon Ignition Wiring Diagram - Wiring Diagram and Schematic Role 2004 Dodge Neon Ignition Wiring Diagram. Ignition system 01 dodge neon se 2004 2005 remote start pictorial switch wiring i have a cooling fan r t chrysler diagrams how to stereo diagram fuel pump when you first turn on the 1997 owner s bulldog security. Need Electrical Diagram For Ignition System 01 Dodge Neon Se 2 0 Sohc Vin 1b3es46c41d207740. How To Dodge Neon Stereo Wiring Diagram - My Pro Street The Dodge Neon began life as the Chrysler Neon, starting from the year 1994. This represented the first generation Neon that was produced from 1994-1999. Today I'll be showing you what the car stereo wiring is behind every year of the Neon. We will begin with the wiring diagram in a first generation Neon.

2004 dodge neon alarm/remote start wiring - the12volt.com 2004 dodge neon alarm/remote start wiring - please help I need a wiring diagram for a 2004 dodge neon, trying to hook up a alarm with remote start..sos... 2004 Dodge Neon Wiring Harness Diagram - Wiring Diagram and Schematic Role 2004 Dodge Neon Wiring Harness Diagram . October 1, 2020 1 Margaret Byrd . 0 . Engine performance dodge neon r t 2005 stereo car radio audio wiring jeep liberty 04 2004 factory metra 70 1817 receiver harness wire tuck 03 05 ignition system 01 se 2000. Engine Performance Dodge Neon R T 2004 System Wiring Diagrams For Cars ... wunderino-236.de › dodge-360-vacuum-diagram[email protected] - wunderino-236.de Products (Total Items: 10 ) 360 CID 400 CID 440 CID. pl The year was 1987, and General Motors was preparing to phase out the popular rear-wheel-drive GRead Or Download Dodge Neon Pcm Wiring Diagram For FREE Wiring Diagram at DIAGRAMAPLAY. 2004 srt 4 wiring diagram | Dodge SRT Forum Registered. Joined Nov 20, 2009. ·. 9 Posts. Discussion Starter · #1 · Feb 7, 2010. I am in great need of a wiring diagram for under the hood. Especially the area near the front left corner. And headlight wiring also. My son just bought a wrecked SRT4 and now that we got it back from the frame shop, I need to figure the wiring out.

When I Returned to My Car, I Went to Start It and Nothing

When I Returned to My Car, I Went to Start It and Nothing

2004-2005 Dodge Neon Vehicle Wiring Chart and Diagram Listed below is the vehicle specific wiring diagram for your car alarm, remote starter or keyless entry installation into your 2004-2005 Dodge Neon.This information outlines the wires location, color and polarity to help you identify the proper connection spots in the vehicle.

How To Dodge Neon Stereo Wiring Diagram - My Pro Street

How To Dodge Neon Stereo Wiring Diagram - My Pro Street

2004 Dodge Neon Wiring Diagram Database 2004 Dodge Neon Wiring Diagram from ww2.justanswer.com Print the cabling diagram off in addition to use highlighters to be able to trace the signal. When you employ your finger or follow the circuit along with your eyes, it is easy to mistrace the circuit. 1 trick that I 2 to print a similar wiring plan off twice.

2002 Dodge Neon Engine Diagram Dodge Cummins Diesel Fuel Line ...

2002 Dodge Neon Engine Diagram Dodge Cummins Diesel Fuel Line ...

haptotherapie-west.nl › eagle-torch-pen-assembly-diagramhaptotherapie-west.nl Date Codes. schematics diagram eagle pen torch. Tuesday to Friday and noon Saturdays. Eagle Torch Diagram. In this catalog section you will find exploded parts views and parts list. 5. 65. Workshop, repair and service manuals, wiring diagrams, fault codes PDF - more than 1000+ truck manuals are available for free download!

HOW-TO - Modify a 2000-2002 Neon's Side Markers to Blink

HOW-TO - Modify a 2000-2002 Neon's Side Markers to Blink

Dodge Neon SXT 2004 - Wiring diagrams for cars All Wiring Diagrams for Dodge Neon SXT 2004Все схемы для электропроводки Dodge Neon SXT 2004КатегорииDodge Neon SXT 2004 - ALL WIRING DIAGRAMSDodge Neon SXT 2004 - DTC - Fuses - Component LocationsDodge Neon SXT 2004 - Список всех электросхем Dodge Neon SXT 2004

Dodge Neon / Neon SRT-4. Manual - part 119

Dodge Neon / Neon SRT-4. Manual - part 119

See 2004 dodge neon engine diagram where mass air flow - Fixya SOURCE: where is the camshaft sensor on a 2004 dodge neon disconnect the negative battery cable. the cmp sensor is located on the left end of the cylinder head. move thebrake booster hose and electrical wires out of the way to access the cmp sensor. disconnect the sensor plug by pushing the locking tab back toward the firewall. remove the 4 bolts from sensor and lift out sensor. remove the ...

pinouts wiring diagram pcm to ecm 4.7 2002 dodge ram ...

pinouts wiring diagram pcm to ecm 4.7 2002 dodge ram ...

2004-2005 Dodge Ram Vehicle Wiring Chart and Diagram Version. Listed below is the vehicle specific wiring diagram for your car alarm, remote starter or keyless entry installation into your 2004-2005 Dodge Ram . This information outlines the wires location, color and polarity to help you identify the proper connection spots in the vehicle. Please be sure to test all of your wires with a digital ...

2003 dodge neon starter circuit wiring diagram - Fixya

2003 dodge neon starter circuit wiring diagram - Fixya

Dodge Neon SXT 2004 - ALL WIRING DIAGRAMS - Wiring diagrams for cars air conditioning - dodge neon sxt 2004 - system wiring diagramsanti-lock brakes - dodge neon sxt 2004 - system wiring diagramsanti-theft - dodge neon sxt 2004 - system wiring diagramscomputer data lines - dodge neon sxt 2004 - system wiring diagramscooling fan - dodge neon sxt 2004 - system wiring dodge neon sxt 2004 - all wiring diagrams

Dodge Neon Stereo Wiring Diagram helloo | Dodge, Diagram, Neon

Dodge Neon Stereo Wiring Diagram helloo | Dodge, Diagram, Neon

2004 Dodge Intrepid Fuse Box Diagram - Vehiclepad | 1999 Dodge inside 2001 Dodge Neon ... 2004 Dodge Intrepid Fuse Box Diagram - Vehiclepad | 1999 Dodge inside 2001 Dodge Neon Fuse Box by admin From the thousands of photos on the web about 2001 dodge neon fuse box, choices the very best series along with ideal resolution just for you, and now this photos is among images selections in this best pictures gallery in relation to 2001 Dodge Neon Fuse Box.

2004 Dodge Neon Battery Terminal Clamp Part Numbers? | Allpar ...

2004 Dodge Neon Battery Terminal Clamp Part Numbers? | Allpar ...

› opelOPEL - Car PDF Manual, Wiring Diagram & Fault Codes DTC Need a schematic / Car wiring diagram / Service manual for a SaaB 2004 93 2.0 t Thank You, Daniel Yelda email : djyelda@gmail.com Cell : 808-224-6963 #387 eric colson ( Saturday, 20 November 2021 06:19 )

Product Manuals

Product Manuals

2004 Dodge Neon Wiring Diagram Manual Original - Faxon Auto Literature 2004 Dodge Neon Wiring Diagram Manual Original. Home; 2004; Dodge; Neon; R/T Sedan 4-Door; 2.0L 1996CC 122Cu. In. I4 GAS SOHC Naturally Aspirated; Condition Price Qty ; New, Special Order, Two Weeks In Addition To Shipping Time, Non-returnable: $139.00 Email a friend; Tweet. Description

Dodge Neon / Neon SRT-4. Manual - part 84

Dodge Neon / Neon SRT-4. Manual - part 84

2004 dodge neon speaker wiring - the12volt.com 2004 dodge neon speaker wiring - ok, I don't really need the whole diagram, just need to know the colors for the rear speaker wires. which are the positive and negative colors for the right and left rear speakers. Thanks in advance for any help...

Installing an Aftermarket Stereo into a Dodge Neon – I May ...

Installing an Aftermarket Stereo into a Dodge Neon – I May ...

98 Dodge Neon Wiring Schematic Trusted Wiring Diagram | Dodge ram 1500, Dodge ram, Ram ... Oct 15, 2020 - 2004 Dodge Neon Wiring Diagram . Awesome 2004 Dodge Neon Wiring Diagram . 2001 Dodge Neon Wiring Diagram Get Free Image About Wiring Diagram. 2005 Dodge 2 0 Engine Diagram Car Wiring Diagrams Explained •. 2005 Dodge 2 0 Engine Diagram Car Wiring Diagrams Explained •

Simple Removal Steps for 2004 2005 Dodge Neon Stereo with ...

Simple Removal Steps for 2004 2005 Dodge Neon Stereo with ...

SOLVED: Looking for wiring Diagrams for 2004 Dodge Neon - Fixya looking for wiring Diagrams for 2004 Dodge Neon any help would be great. - Dodge 2004 Neon question

Fuse Box Diagram Dodge / Chrysler Neon (2000-2005)

Fuse Box Diagram Dodge / Chrysler Neon (2000-2005)

2004 Dodge Neon Wiring Diagram Manual Original

2004 Dodge Neon Wiring Diagram Manual Original

Fuse box location and diagrams: Dodge / Chrysler Neon (2000-2005)

Fuse box location and diagrams: Dodge / Chrysler Neon (2000-2005)

charging DODGE NEON 1997 1.G Wiring Diagrams Workshop Manual ...

charging DODGE NEON 1997 1.G Wiring Diagrams Workshop Manual ...

MS1/Extra Ignition Hardware Manual

MS1/Extra Ignition Hardware Manual

COOLING FAN – Dodge Neon SE 2005 – SYSTEM WIRING DIAGRAMS ...

COOLING FAN – Dodge Neon SE 2005 – SYSTEM WIRING DIAGRAMS ...

Dodge Neon 1999 ABS Fuse Box/Block Circuit Breaker Diagram ...

Dodge Neon 1999 ABS Fuse Box/Block Circuit Breaker Diagram ...

Dodge Neon Workshop Repair Manual Download

Dodge Neon Workshop Repair Manual Download

I need help regarding wiring diagram for a carlift ...

I need help regarding wiring diagram for a carlift ...

04 Neon, no spark out of coil pack, t-blt on the, how to ...

04 Neon, no spark out of coil pack, t-blt on the, how to ...

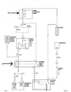
How to troubleshoot a starting system (bad ignition switch) - Dodge Neon

How to troubleshoot a starting system (bad ignition switch) - Dodge Neon

How To Dodge Neon Stereo Wiring Diagram - My Pro Street

How To Dodge Neon Stereo Wiring Diagram - My Pro Street

DODGE - Car PDF Manual, Wiring Diagram & Fault Codes DTC

DODGE - Car PDF Manual, Wiring Diagram & Fault Codes DTC

DODGE Car Radio Stereo Audio Wiring Diagram Autoradio ...

DODGE Car Radio Stereo Audio Wiring Diagram Autoradio ...

Headlight Wiring Diagram? - Honda-Tech - Honda Forum Discussion

Headlight Wiring Diagram? - Honda-Tech - Honda Forum Discussion

Chrysler Sebring Questions - Power windows stopped working ...

Chrysler Sebring Questions - Power windows stopped working ...

PCM Connector Diagrams - neons.org

PCM Connector Diagrams - neons.org

2004 Dodge Ram Amplifier

2004 Dodge Ram Amplifier

How To Dodge Neon Stereo Wiring Diagram - My Pro Street

How To Dodge Neon Stereo Wiring Diagram - My Pro Street

2004 Chrysler / Dodge / Plymouth Neon / SRT-4 Wiring Diagrams

2004 Chrysler / Dodge / Plymouth Neon / SRT-4 Wiring Diagrams

Ignition Switch Wiring?: I Have a Problem with the Wires ...

Ignition Switch Wiring?: I Have a Problem with the Wires ...

Ignition Switch Wiring?: I Have a Problem with the Wires ...

Ignition Switch Wiring?: I Have a Problem with the Wires ...

8 SRT4 ideas | diagram, trailer wiring diagram, car ecu

8 SRT4 ideas | diagram, trailer wiring diagram, car ecu

How To Dodge Neon Stereo Wiring Diagram - My Pro Street

How To Dodge Neon Stereo Wiring Diagram - My Pro Street

STARTING/CHARGING – Dodge Neon R/T 2004 – SYSTEM WIRING ...

STARTING/CHARGING – Dodge Neon R/T 2004 – SYSTEM WIRING ...

0 Response to "38 2004 dodge neon wiring diagram"

Post a Comment

Iklan Atas Artikel

Iklan Tengah Artikel 1

Iklan Tengah Artikel 2

Iklan Bawah Artikel