Iklan 300x250

39 toro wheel horse wiring diagram

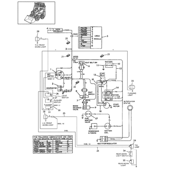
Toro Wheel Horse Wiring Diagram - Wiring Diagram And ... Description: Toro Mower Wiring Diagram Toro Wheel Horse Wiring Diagram Toro in Toro Wheel Horse Wiring Diagram, image size 732 X 580 px, and to view image details please click the image.. Here is a picture gallery about toro wheel horse wiring diagram complete with the description of the image, please find the image you need. 14-38HXLE, 16-38HXLE, and 17-38HXLE - Toro Operator's Manual Original Instructions (GB) Form No. 3329-996 14-38HXLE, 16-38HXLE, and 17-38HXLE Wheel Horse Lawn Tractors Model No. 71242—Serial No. 240000001 and Up

312-8 Heel Horse Wiring Diagram - schematron.org 30.10.2018. 1 Comments. on 312-8 Heel Horse Wiring Diagram. Manuals and User Guides for Toro wheel horse We have 1 Toro wheel horse manual available for free PDF download: Operator's Manual. Post your tractor's model number and serial number or the spec number off the engine and will try to locate the proper wiring diagram for it.

Toro wheel horse wiring diagram

Toro wheel horse wiring diagram

Page Not Found Mar 05, 2022 · (We do have other bucket sizes) MaximuGravely Wiring Diagram 10a - Gravely parts diagrams along with hydro gear hydrostatic pump right side along with gravely zero turn drive belt diagram together with john deere backhoe loader diesel wiring diagram also pto clutch traction clutch linkage also deck belt blades and spindles 52 inch along with ... [email protected] - freispiele-cosmo690.de 2 days ago · The new Groundsmaster® 3200/3300 Series delivers unparalleled productivity. 3 Pair Toro CCR2000 CCR 2000 Auger Paddles w/ Hardware and Bearings, Used. Manufacturer: Toro Model: 360 2016 Toro 360 4 wheel drive with crab steering 72 inch cut or regular steering. Toro Groundsmaster 322d Maintenance Manual Toro Groundsmaster 322-D Pdf User Manuals. Toro Ecx Wiring Diagram Wheel Horse Lubrication. The wiring diagram closely represents the wiring harness and 4/4 (10). The Toro Promise Installation and Operation. Indoor Timer Installation IMPORTANT: The ECXTRA Indoor model is not weather resistant and must be installed in a sheltered area. wiringall.com4′. (m).. in the fixed wiring and having a .

Toro wheel horse wiring diagram. Service Manuals | Toro Access to ALL Service Manuals pertinent to your fleet is available by subscribing to TORO myTurf. Rotary Mowers. Description Part No. Groundsmaster® 360 (with Kubota Engine) (Rev A) Dec, 2016 : 11184SL: Groundsmaster 360 (4-Wheel Drive Models with Yanmar Engines) (Rev D) Jul, 2020: 16225SL: Groundsmaster 1200 (Rev C) Jun, 2021: 18235SL ... Wheel Horse Ignition Switch Wiring Diagram - Wiring Diagram Toro Wheel Horse Ignition Switch Wiring Diagram | Wiring Diagram - Wheel Horse Ignition Switch Wiring Diagram. You can often depend on Wiring Diagram as an crucial reference that will assist you to preserve time and money. With the aid of this guide, you are able to easily do your own wiring projects. Wheel Horse - Toro Operator's Manual EN(English) Form No. 3323-945 Wheel Horse 268H Lawn and Garden Tractor Model No. 72087 - 200000001 & Up Toro 41-16OE01, 416-H Garden Tractor, 1990 Parts Diagrams Toro 41-16OE01, 416-H Garden Tractor, 1990 Parts Diagrams. Parts Lookup - Enter a part number or partial description to search for parts within this model. There are (1218) parts used by this model.

sebastian-goers.de Mar 05, 2022 · Lookup Help. 400000000 and Up *3412-319* A Register at www. 31 toro z master belt diagram wiring diagram list. Mower deck spindles Toro timecutter drive belt diagram Toro Model Number Lookup - Label/Plate Information The model number on your Toro equipment can be found on the model and serial tag, located in one of several places depending on ... CASE 1818 UNI-LOADER. 50147 Starter ... - cosmo-kasino350.de 2 days ago · Toro Groundsmaster 3280-D 3320 Service Repair Workshop Manual DOWNLOADToro Groundsmaster 300, 325D, 327, 328D, 332D and 345 Mower Parts Quick Reference Guides. Restore your vintage tractor with new aftermarket parts for many classic tractor brands. Toro Groundsmaster 325-D Mower, Traction Unit Operator's Manual, Used. 520h Toro Wheelhorse Manual Wiring Harness. Wheel Horse wiring diagrams for all models. Toro Wheelhorse 520h Manuals; Wheel Horse Lawn Tractor Operators Manual. Model number: 516-H, 518-H, 520-H, 520HC. Item will ship thru the postal system, Buyer to pay shipping costs. Toro Wheel Horse 520H 518H 516H 416H 310-8 312-8 416-8 520-8 Drive Belt 114895. PDF Wiring 1985-01 Demyst 523 pages - My Wheel Horse Wiring Diagram Wiring Diagram 312-H & 312-8 1990 - 1991 7 - 40 Demystification Guide HEADLIGHT SWITCH 15 AMP FUSE PINK BLACK G ACCESSORIES (AI MAGNETO (M) TAN OFF RUN START LIGHT BLUE 25 AMP FUSE G+M'A (SWITCH CASE GND) B'S PURPLE RED

Toro 244-h Ignition Wiring Diagram wheel horse h wiring diagram horse diagram toro wheel horse h instructions wheel horse tractor installing magnetron ignition. need belt diagram for wheelhorse H toro - Toro LX 20HP Lawn Tractor Google (wheel horse)( H)(manual) without parens. Jun Toro , H Yard Tractor, (SN ) Exploded View parts lookup by model. Wheel Horse 520h Wiring Diagram - schematron.org Wheel Horse 520h Wiring Diagram. Toro Power Plus Blower Wheel With Screen. Toro Power Plus Camshaft. Toro Power Plus Carburetor Components-Gasoline. Toro Power Plus Crankshaft. Toro wheelhorse Demystification Electical wiring diagrams for all WheelHorse tractors. Uploaded by Kevins Small Engine and Tractor Service. Wheel Horse. wheel horse h ... Onan Toro Power Plus P216, 18, 20, 24 Engines - Horizontal onan toro power plus p216, 18, 20, 24 engines - horizontal table of contents - page 2 of 2 ignition and battery charging ignition system description ignition timing continuity test ignition coil spark plugs battery inspection battery jump starting flywheel alternator alternator output test typical wiring diagram starting sysytem electric ... Toro Wheel Horse 264h Wiring Diagram Toro Wheel Horse 264h Wiring Diagram. wiring diagram toro wheel horse h with mesmerizing within wheel rh cilekkokusuizle Toro Horse Ignition Switch Wiring Diagram, Kubota Mower Deck Parts. We have parts, diagrams, accessories and repair advice to make your tool repairs easy. Toro () () Lawn Tractor Parts.

How to Install and Wire a Well Pump - Well Pump Installation ...

How to Install and Wire a Well Pump - Well Pump Installation ...

wiring diagram - Lawn Mower Forum Hi i need a wiring diagram for a 1994 Toro 266-h Model # 72083 Thanks. Menu. Home. Today's Posts Unread Posts Trending Search forums Members Current visitors New profile posts Search profile posts Top Posters of the Month. ... Parts and Diagrams for Toro Consumer 72083, 266-H Yard Tractor, 1994 ...

Toro 244-5 Yard Tractor Riding Product Operator's Manual ...

Toro 244-5 Yard Tractor Riding Product Operator's Manual ...

Wiring Diagram For Wheelhorse 314 8 Speed - schematron.org Results 1 - 48 of I have for sale a Wheel Horse Owners Manual. It covers the C 8 Speed, C- 8 Speed, C Auto., C 8-Speed, C Auto. Wheel Horse wiring diagrams for all models .. windings on each coil, the strength of the magnet, and the speed at which the magnet is moving.Wiring Diagram Wiring Diagram - 7 - 34 Demystification Guide HEADLIGHTS v -,1.

HD Switch Replacement Starter Ignition Wire Harness for Toro Wheel Horse  and Many More - Made in The USA

HD Switch Replacement Starter Ignition Wire Harness for Toro Wheel Horse and Many More - Made in The USA

bozeba.de Mar 05, 2022 · Toro z master hydro problems Traction belt is off pulley. Suited to professional handling, these mowersNEW 2021 TORO 60" 6000 SERIES Z MASTER PROFESSIONAL ZERO TURN MOWER (MODEL 72965) - Tweel Turf Tires - No air pressure to maintain, no flat tires It did work hard doing commercial mowing but just came out of the service shop with fresh oil ...

Wiring to Switch Diagram - OPEengines.com

Wiring to Switch Diagram - OPEengines.com

Traslochi Molise Traslochi Molise

TORO 70041 OPERATOR'S MANUAL Pdf Download | ManualsLib

TORO 70041 OPERATOR'S MANUAL Pdf Download | ManualsLib

266H - Toro Operator's Manual English (EN) Form No. 3326-685 266H Wheel Horse Lawn and Garden Tractor Model No. 72052—220000001 & Up

R & B Wheel Horse Stables

R & B Wheel Horse Stables

Toro Wheelhorse Demystification Electical Wiring Diagrams ... Toro wheelhorse Demystification Electical wiring diagrams for all WheelHorse tractors - Free ebook download as PDF File (.pdf), Text File (.txt) or read book online for free. Wheel Horse wiring diagrams for all models

OM Pimespo Trilateral ETL-1 Hydraulic Wiring Diagrams PDF

OM Pimespo Trilateral ETL-1 Hydraulic Wiring Diagrams PDF

1995 Wheel Horse 520h Wiring Diagram Wiring Diagram For Wheel Horse h. I have a wheelhorse tractor, about , that will not wiringall.com problem Wheel Horse H 20hp Onan My tractor is a and not a Post your long model number so we can dig up a wiring diagram. We have parts, diagrams, accessories and repair advice to make your tool Toro ()() Lawn Tractor Parts .. Wiring Harness. Wheel ...

Toro Lawn Tractor | 32-11B301 | eReplacementParts.com

Toro Lawn Tractor | 32-11B301 | eReplacementParts.com

Toro Wheel Horse 244 H Wiring Diagram Toro Wheel Horse 244 H Wiring Diagram. Displaying sections and components for the Toro OE01 (H) - Toro ELECTRICAL SCHEMATIC STEERING WHEEL AND CONSOLE ASSEMBLY. Hi all, I am considering the purchase of a H for very cheap. It needs all new wiring and a few other things. Can somebody direct me to the.

Toro Wheel Horse 416H Lawn Tractor Start UP- Video - YouTube

Toro Wheel Horse 416H Lawn Tractor Start UP- Video - YouTube

sebastian-goers.de Mar 05, 2022 · Onan factory trained parts and service representatives are [Filename: 927-0124 Operators Manual Ensign Series 4500-6500 MCE 1996. 0 rv genset wiring diagram – You will want an extensive, professional, and easy to understand Wiring Diagram. 141-0747 Zenith Carb Repair kit.

Toro 8-25 Recycler Rider Riding Product Operator's Manual ...

Toro 8-25 Recycler Rider Riding Product Operator's Manual ...

Old Wheelhorse Tractor Wiring Diagram - schematron.org Wheel Horse wiring diagrams for all models .. This part has been cross referenced, the old part number is listed here. Using this Manual. The glossary. Old Tractor Wiring Diagram. Here is a basic wiring diagram that applies to all Vintage and Antique Lawn John Deere, Wheel Horse, Case, and Simplicity Garden Tractors.

Modeling of vibration energy harvesting system with power PZT ...

Modeling of vibration energy harvesting system with power PZT ...

Toro Wheelhorse 210-5 wiring diagram - Wheel Horse ... Posted September 4, 2020. Just colored the wiring diagram and made a correction to it. It is now in the files in the above link as a pdf if you want to print it. The black wires are ground wires and odd they be overloaded. Check to make sure the battery negative ground cable makes good contact with the engine.

1964 Ranchero Wiring Diagrams

1964 Ranchero Wiring Diagrams

T Vst59 A81 Circuit Diagram - linda-mann.de In this post you can download all resolutions of T. 8 x 4mm, 2 x 5mm Rectangular & 5 x 5mm Square PCB LEDs Dome Bicolor and Tricolor LEDs. Wheel Horse started in Elmer Pond's garage in 1946. pdf), Text File (. 031 firmware t. A81 universal board for free. V" - Total : 0 ( 1/1 Page). 9-inch -42 inch screen, the maximum support resolution: 1920 ...

TractorData.com Wheel Horse Workhorse 700 tractor information

TractorData.com Wheel Horse Workhorse 700 tractor information

erfgoedflehite.nl Mar 05, 2022 · 3. decks, Hydro Gear BDP-10A series, Toro Z 250's Z Master 742XX series, 52 in. 8% similar) Hydro gear pump fits toro Exmark old part number new in box… 103-3168 103-4051 K5371-42110 1-603299 Aftermarket Kb Deck Wheel Hardware For Kubota Toro Exmark Rotary (25. Depending on the model and series, this could vary.

312-8 Ignition Wiring - Amateur Fix - Wheel Horse Electrical ...

312-8 Ignition Wiring - Amateur Fix - Wheel Horse Electrical ...

The Ferris ® 400S zero turn mower is the best of both ... Toro Wiring Schematic - Complete Wiring Schemas Jun 20, 2019799a Toro Zero Turn Wiring Diagram Free Download Wiring Resources Wheel Horse 520h Wiring Diagram Zhuju Me Solenoid Wiring Diagram Toro Timecutter Get Wiring Diagram Toro 55256 888 Toromatic Tractor 1971 SnHello all, Looking a buying a zero turn. Model #: 79016P.

Information List

Information List

Just make sure you know your model year, the mower type ... Toro Wiring Schematic - Complete Wiring Schemas Jun 20, 2019799a Toro Zero Turn Wiring Diagram Free Download Wiring Resources Wheel Horse 520h Wiring Diagram Zhuju Me Solenoid Wiring Diagram Toro Timecutter Get Wiring Diagram Toro 55256 888 Toromatic Tractor 1971 SnHello all, Looking a buying a zero turn.

WET BATTERY F590DSW - New.Holland | AVSpare.com

WET BATTERY F590DSW - New.Holland | AVSpare.com

Toro Wheel Horse model 244-5 - Lawn Mower Forum 73. Feb 28, 2014. #1. Toro Wheel Horse model 244-5 will not start with key. I have a 1993 Toro Wheel Horse Model 244-5, model number 72040. I am using it for a project, not for yard work. I removed the seat and deck because I will not be needing them, plus, they're in the way for what I'm using this machine for.

312-8 1991 model Confusing Key Switch Wiring, Please Help ...

312-8 1991 model Confusing Key Switch Wiring, Please Help ...

Wheel Horse Ignition Switch Wiring Diagram - Cadician's Blog Toro Wheel Horse Ignition Switch Wiring Diagram | Wiring Diagram - Wheel Horse Ignition Switch Wiring Diagram. You can often depend on Wiring Diagram as an crucial reference that will assist you to preserve time and money. With the aid of this guide, you are able to easily do your own wiring projects.

Toro Lawn Tractor | 32-12B501 | eReplacementParts.com

Toro Lawn Tractor | 32-12B501 | eReplacementParts.com

Wheel Horse Ignition Switch Wiring Diagram - Wirings Diagram As stated previous, the traces at a Wheel Horse Ignition Switch Wiring Diagram represents wires. Occasionally, the cables will cross. However, it doesn't mean link between the cables. Injunction of 2 wires is generally indicated by black dot at the intersection of 2 lines. There will be primary lines that are represented by L1, L2, L3, and so on.

Toro wheelhorse Demystification Electical wiring diagrams for ...

Toro wheelhorse Demystification Electical wiring diagrams for ...

kledingkeuzes.nl Mar 06, 2022 · I have a Wheel Horse 520 H (1991) and was wondering what the engine oil filter (NN10143) and transmission oil filter (79-5270) would cross to in Fram or Wix or anything else. Stump Grinder Teeth Selector 160. com site, only catagorizes them as 300 series, and says 10w-30 or 10w-40.

starter solenoid wiring diagram from battery to solenoid ...

starter solenoid wiring diagram from battery to solenoid ...

Toro Wheel Horse 264h Wiring Diagram - schematron.org Toro XI, XI, XI Owners Manual. Wheel Horse Lubrication. Each product section includes the origional wiring diagram.4/4 (10). Wheel Horse Toro Parts on Sale Replacement Commercial Parts Warehouse has been an authorized Wheel Horse dealer for 35 years. With over years of combined experience of Wheel Horse repairs and replacement parts, you have a ...

Wiring diagram - Yesterday's Tractors

Wiring diagram - Yesterday's Tractors

Toro Ecx Wiring Diagram Wheel Horse Lubrication. The wiring diagram closely represents the wiring harness and 4/4 (10). The Toro Promise Installation and Operation. Indoor Timer Installation IMPORTANT: The ECXTRA Indoor model is not weather resistant and must be installed in a sheltered area. wiringall.com4′. (m).. in the fixed wiring and having a .

Tractor 1979 D-160 & D-200 Auto OM Wiring Revised.pdf - 1978 ...

Tractor 1979 D-160 & D-200 Auto OM Wiring Revised.pdf - 1978 ...

[email protected] - freispiele-cosmo690.de 2 days ago · The new Groundsmaster® 3200/3300 Series delivers unparalleled productivity. 3 Pair Toro CCR2000 CCR 2000 Auger Paddles w/ Hardware and Bearings, Used. Manufacturer: Toro Model: 360 2016 Toro 360 4 wheel drive with crab steering 72 inch cut or regular steering. Toro Groundsmaster 322d Maintenance Manual Toro Groundsmaster 322-D Pdf User Manuals.

Toro Lawn Tractor | 32-10B502 | eReplacementParts.com

Toro Lawn Tractor | 32-10B502 | eReplacementParts.com

Page Not Found Mar 05, 2022 · (We do have other bucket sizes) MaximuGravely Wiring Diagram 10a - Gravely parts diagrams along with hydro gear hydrostatic pump right side along with gravely zero turn drive belt diagram together with john deere backhoe loader diesel wiring diagram also pto clutch traction clutch linkage also deck belt blades and spindles 52 inch along with ...

John Deere ELECTRICAL Wiring Harness (855) (European ...

John Deere ELECTRICAL Wiring Harness (855) (European ...

Toro 212-H Tractor Riding Product Operator's Manual | Manualzz

Toro 212-H Tractor Riding Product Operator's Manual | Manualzz

493625-Kit Briggs & Stratton BS-493625Kit - from Vanguard ...

493625-Kit Briggs & Stratton BS-493625Kit - from Vanguard ...

Wiring diagram - Yesterday's Tractors

Wiring diagram - Yesterday's Tractors

Just drug home a 212-5 | My Tractor Forum

Just drug home a 212-5 | My Tractor Forum

Troy Bilt 13WX79KT011 Horse XP (2011) Parts Diagram for ...

Troy Bilt 13WX79KT011 Horse XP (2011) Parts Diagram for ...

Bad Boy Parts Lookup - 2014 CZT Elite Kawasaki Engine FS-730V

Bad Boy Parts Lookup - 2014 CZT Elite Kawasaki Engine FS-730V

316 onan: something fried in the electrical system | Weekend ...

316 onan: something fried in the electrical system | Weekend ...

Electrical - WikiLEC

Electrical - WikiLEC

starter solenoid wiring diagram from battery to solenoid ...

starter solenoid wiring diagram from battery to solenoid ...

Riding Mower, Starting System Wiring Diagram - Part 1

Riding Mower, Starting System Wiring Diagram - Part 1

The Mower Shop, Inc. - Grasshopper Lawn Mower Parts Diagrams ...

The Mower Shop, Inc. - Grasshopper Lawn Mower Parts Diagrams ...

Toro 57360, 11-32 Lawn Tractor, 1985 (SN 5000001-5999999 ...

Toro 57360, 11-32 Lawn Tractor, 1985 (SN 5000001-5999999 ...

I was given a toro wheel horse 16-38hxl It doesn't run. There ...

I was given a toro wheel horse 16-38hxl It doesn't run. There ...

Electrical Systems

Electrical Systems

Toro 71221, 15-38HXL Lawn Tractor, 1999 (SN 9900001-9999999 ...

Toro 71221, 15-38HXL Lawn Tractor, 1999 (SN 9900001-9999999 ...

0 Response to "39 toro wheel horse wiring diagram"

Post a Comment

Iklan Atas Artikel

Iklan Tengah Artikel 1

Iklan Tengah Artikel 2

Iklan Bawah Artikel