42 john deere sx85 belt diagram
John Deere SX85 Engine. 13HP Briggs & Stratton 465cc 1-cyl gasoline. Fuel tank. 1.24 gal. 4.7 L. Engine details ... John Deere SX85 Transmission. mechanical variable transmission. Transmission details ... This link will send you to the illustrated parts list on the john deere site. It shows the belt routing in the part diagram. Hope this solves your headache.
The John Deere SX85 lawnmower is from a rare variety of JD lawnmowers. While practically every single John Deere mower has the engine located in front of the steering wheel and driver, the JD SX85 has it's engine located behind the driver. This actually has some benefits to the operator.

John deere sx85 belt diagram
The John Deere SX85 is a 2WD riding mower from the SX series. This tractor was manufactured by John Deere from 1997 to 2003. The John Deere SX85 is equipped with a 0.5 L (28.4 cu·in) single-cylinder gasoline engine and a mechanical variable transmission with infinite forward and reverse gears. Make sure this fits by entering your model number.; TRANSMISSION BELT PART NUMBER: M94020 M81805 BELT SPEC: Width: 1/2" Length: 48-3/4" FITS ON JOHN DEERE SX85 Riding Mower -PC2579 1997 Model M0SX85X085001-095000 SX85 Riding Mower -PC2579 1998 Model M0SX85X095001-105000 SX85 Riding Mower -PC2579 1999 Model M0SX85X105001-110000 SX85 Riding Mower -PC2579 2000 Model M0SX85X110001-115000 SX85 ... John Deere SX85 Parts. The SX85 Rear Engine Riding Mower was produced from 1997-2003 and came standard with a 13HP 1-cycle Briggs and Stratton Engine, mechanical variable transmission, 2WD, and disc brakes. The SX85 was available with a 30" mid mount mower deck.
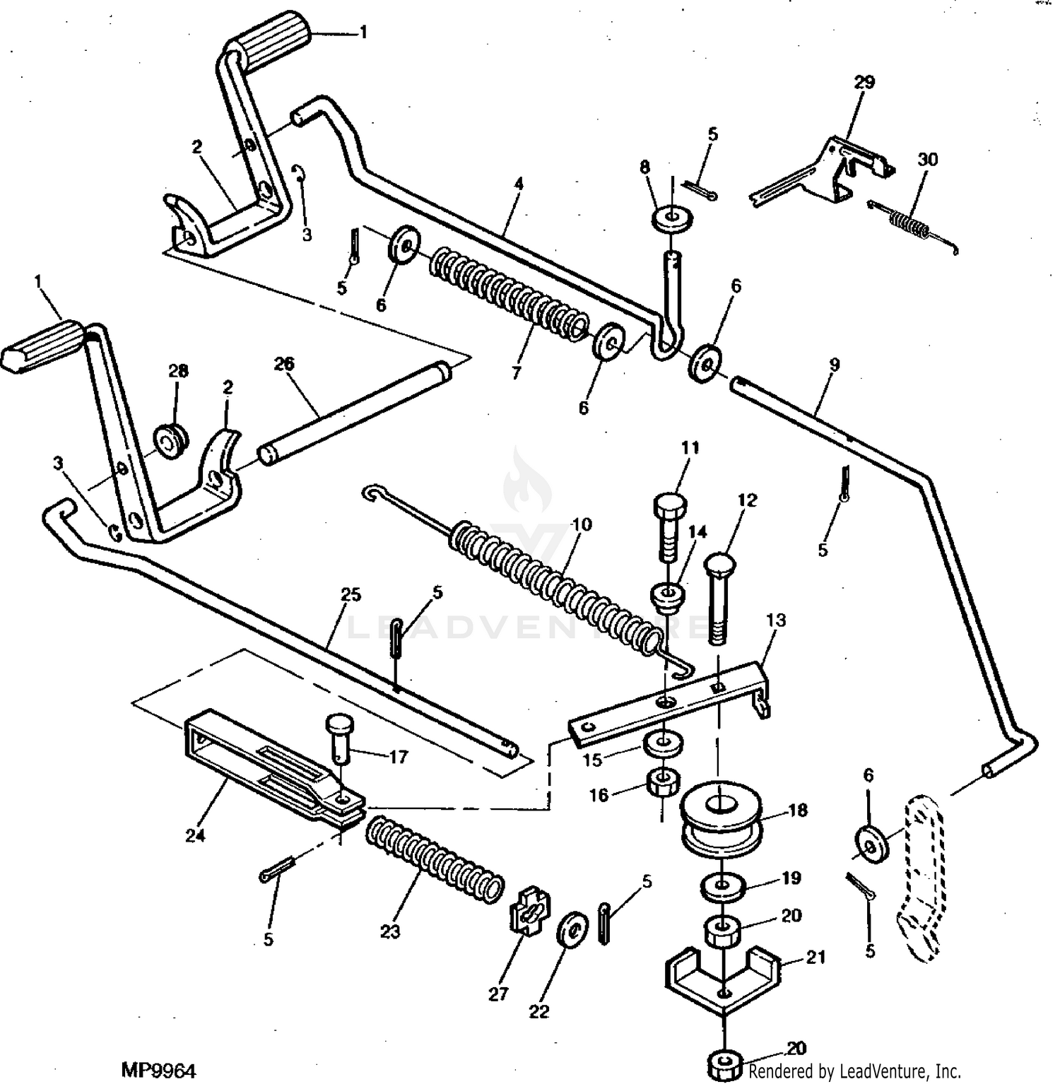
John deere sx85 belt diagram. Hello all, I recently acquired a SX85. My first John Deere. I was told the transmission was bad, but I'm not going to be able to check until I replace the belt that was stuck between two pullys. I have removed the transmission, and spinning the wheel on top, one of the axles is spinning, the... Aug 2, 2021. #13. Good evening! I have successfully reinstalled the belts on my XS85, at least how I believe they go…based on some belt diagrams I've seen. however, I have other problems. There must be a loose connection with the battery somewhere. I have 12.85 volts and my ignition is "sporadic". About Press Copyright Contact us Creators Advertise Developers Terms Privacy Policy & Safety How YouTube works Test new features Press Copyright Contact us Creators ... John Deere SX85 (Belt, Primary Traction) Riding Lawn Mower Replacement Belt Original Equipment Manufacturer John Deere OEM Part Number B40K Machine Riding Lawn Mower Model SX85 (Belt, Primary Traction) Belt Type 5LK/BK Kevlar VBG Replacement Id APPL685875 Technical Specifications: (Inches) (mm) Outside Circumference 43.00 1092.20 Top Width 0.63 15.88 Belt
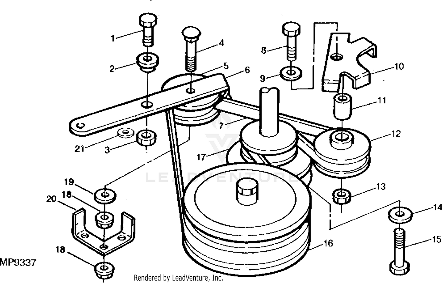
John Deere GX70, GX75, GX85, SX85, GX95, SRX75, SRX95 Riding Mowers Technical Manual (TM1491) John Deere LX172, LX173, LX176, LX178, LX186, LX188 Lawn Tractors Technical Manual (TM1492) John Deere F710, F725 Front Mowers Technical Manual (TM1493) John Deere 21C, 21S, 25S, 30S, 38B Line Trimmers and Brush Cutters Technical Manual (TM1494) John Deere SX85 Riding Mower Kevlar Blue V-Belt (1/2" X 63" ) (Belt, Deck drive 30") John Deere SX85 Lawn & Garden & Specialty Belts | Riding Mower | A61KThe Kevlar Blue V-Belt is an ex.. $13.14. john deere sx75.Ask Question Asked 5 years, 6 months ago. Active 5 years, 5 months ago. Viewed 411 times ... Search the URL with "Removing Primary Drive Belt (SX85)" and it will give a diagram and instructions on removing and replacing the drive belt, if that's the issue.The manual covers many other areas as well. GX70, GX75, GX85, SX85 GX95, SRX75 and SRX95 Riding Mowers. TECHNICAL MANUAL. John Deere Worldwide Commercial and Consumer Equipment Division TM1491 (JULY99) Replaces TM1491 (01JAN97) Litho in U.S.A
John Deere Gx75 Belt Routing Diagram. Remove nut (F) and belt guide (G). M Picture Note: SX85 shown. 5. Remove drive belt (H) from engine sheave. 6. Lower mower deck to 25 mm (1 in). May 26, how to put a drive belt on a john deere gx 75 riding lawn mover,. I am looking for a motion drive diagram for a John Deere Sabre. In "Taryl Goes To The Dentist", another hilarious and informative how-to video, Taryl goes to the dentist over a sore tooth before showing you how to change... Buy Genuine OEM John Deere parts for your John Deere SX85 Riding Mower -PC2579 1997 Model M0SX85X085001-095000 SX85 Riding Mower -PC2579 1998 Model M0SX85X095001-105000 SX85 Riding Mower -PC2579 1999 Model M0SX85X105001-110000 SX85 Riding Mower -PC2579 2000 Model M0SX85X110001-115000 SX85 Riding Mower -PC25 and ship today! Huge in-stock inventory of OEM John Deere parts. John Deere Rx63 Rx73 Rx75 Rx96 Sx75 Sx96 Diagnostic And Repair Technical Manual Riding Mowers Youfixthis. Venta John Deere Srx75 Parts En Stock. John Deere Rx75 Riding Mower 9 H P Electric Start Pc2106 M0rx75x010001 100000 1990 M0rx75x420001 475000 1987 M0rx75x475001 595000 1988. I Need A Wiring Diagram For Deere D110 Riding Mower.
Serial number plate on the rear of the John Deere RX95, to the left of the drawbar. 1987: M0SX95X420001 1988: M0SX95X475001 1989: M0SX95X595001 1990: M0SX95X010001 FAQ: How to read a serial number table.
John Deere lawn mower belt diagram. Better yet, print one out so that the graph can assist you while you're outside, repairing the belt. It's comparatively easier to take the mowing deck off the lawnmower. First up, you must check for a deckle and a sticker on top of the deck.
John Deere Parts Diagrams, John Deere GX85 AND SX85 RIDING MOWERS. ELECTRICAL. ENGINE. FRAMES, WHEELS, NON-POWERED AXLES AND SHEET METAL. FUEL AND AIR. MOWER DECK. POWER TRAIN, STEERING AND BRAKES.
John Deere SRX95 Parts. The SRX95 Rear Engine Riding Lawn Mower was produced from 1991-1994. Standard features included a 12.5 HP Kawasaki Engine, variable transmission, Independent mid PTO, and a 38" mid mount mower deck. Regular Maintenance should be performed on the SRX95 every 50 hours and should include Spark Plug, Air Filter, Oil Filter ...
The John Deere 185 drive belt diagram and instructions can be obtained from most John Deere dealerships. The instructions and diagram can also be obtained from most farm implement parts stores.
John Deere SX85 Parts. The SX85 Rear Engine Riding Mower was produced from and came standard with a 13HP 1-cycle Briggs and Stratton Engine, . Ian, John Deere LTR Belt routing diagram. Check the attached links,instruction and guides, Good luck "I hope this helped you out, if so let me know by pressing the helpful button. Buy Genuine OEM John ...
John Deere Parts Lookup -John Deere-GX85 AND SX85 RIDING MOWERS
CarlMa Lawn Mower Deck Blade Drive Belt Fits John Deere M112006 GX70 GX75 GX95 GX85 RX63 RX73 RX75 RX95 SX75 SX95 SRX75 SRX95 and Sabre mowers (1/2" x62 1/2") John Deere Original Equipment V-Belt #M94020. D&D PowerDrive M112006 MTD Or Cub Cadet Kevlar Replacement Belt, 4LK, 1 -Band, 63" Length, Rubber.
John Deere Automatic 1.5-AMP Battery Charger/Maintainer - TY26328. (7) $39.66. Usually available. Add to Cart. Quick View. John Deere Bagging Mower Blade (30-inch cut) (1-required) - M89455.
If brake arm cannot be adjusted to touch belt when PTO lever is completely rearward, see your John Deere dealer. ... Removing Mower Belt (GX85).
Service Schedule Parts for a John Deere SX85 Riding Mower & Parts List. While your John Deere machine is certainly built with quality parts, they have a limited life. Good news is you can easily service your machine yourself using a John Deere maintenance kit or service kits or by getting the specific John Deere part needed to keep your John Deere mower or tractor running for a long time.
John Deere SX85 Lawn and Garden Tractor Service Manual John Deere SX85 Lawn and Garden Tractor Technical Manual TM1491 457 Pages in .pdf format 24.8 MB in .zip format for super fast downloads! This factory John Deere Service Manual Download will give you complete step-by-step information on repair, servicing, and preventative maintenance for your John … Continue reading "John Deere SX85 Lawn ...
1 M94049 Belt - Traction Drive 1 M94020 Belt - Secondary 1 M112006 Belt - Mower Deck Drive 1 AM131841 Key ... SX85 N/A Tractor S/N Deck S/N MAINTENANCE REMINDER SHEET 7 8 9 30" Deck 3 2 1 4 6 5 Key Description Key ... The Quality Story Mulch Kittells you 'why' John Deere branded parts are superior • Click on... FOR ON-LINE SERVICE ...
John Deere SX85 Parts. The SX85 Rear Engine Riding Mower was produced from 1997-2003 and came standard with a 13HP 1-cycle Briggs and Stratton Engine, mechanical variable transmission, 2WD, and disc brakes. The SX85 was available with a 30" mid mount mower deck.
Make sure this fits by entering your model number.; TRANSMISSION BELT PART NUMBER: M94020 M81805 BELT SPEC: Width: 1/2" Length: 48-3/4" FITS ON JOHN DEERE SX85 Riding Mower -PC2579 1997 Model M0SX85X085001-095000 SX85 Riding Mower -PC2579 1998 Model M0SX85X095001-105000 SX85 Riding Mower -PC2579 1999 Model M0SX85X105001-110000 SX85 Riding Mower -PC2579 2000 Model M0SX85X110001-115000 SX85 ...
The John Deere SX85 is a 2WD riding mower from the SX series. This tractor was manufactured by John Deere from 1997 to 2003. The John Deere SX85 is equipped with a 0.5 L (28.4 cu·in) single-cylinder gasoline engine and a mechanical variable transmission with infinite forward and reverse gears.
0 Response to "42 john deere sx85 belt diagram"
Post a Comment