37 cub cadet safety switch diagram
2. Bypassing the Lawn Mower Key Switch (How to hotwire a lawn mower) Bypass the lawn mower key switch is an elegant way of saying hot-wire the lawnmower. Since on a riding mower, it needs direct access to them and also uses the battery, it creates a safety concern. Equipment needed for Bypass Method. A bypass method needs some equipment that ... A week later UPS pulls up in my driveway with this HUGE BOX and when I opened the box Cub Cadet sent me a new seat with arm rest. I look up the seat it cost $699.00 and the seat has a built in suspension in it, and I wasn't charged a penny. So that why I was on the phone with everyone trying to figure this out.
Gasoline and Oil Cub Cadet dealer to have the transmission drive belt replaced. Cub cadet safety switch bypass Farmall Tractor Parts Diagrams. F5DFL413J A011 - ENGINE (DPF) 5801814630 - 47396706 T4.110F/N/V - QUANTUM 110F/N/V - FARMALL 110N/V T4A T4A (01/10 - ) transmission speeds increased to 2.4, 3.2 and 7.3 MPH.

Cub cadet safety switch diagram
Other than the safety switch on the clutch for starting, I really don't like safety switches, in some cases I believe they can actually make things less safe. On the newer John Deere garden tractors there is a reverse over ride switch that you can lift up to keep the PTO engaged while going into reverse. Cub Cadet Wiring Harness Diagram / Tractor Ignition Switch Wiring Diagram Re Saftey Switches Switches Saftey Safety Switch. cub cadet wiring diagram auto diagrams pleasing. Stratton engine and a 50" Below weve provided some cub cadet wiring schematics for our most popular models of cub cadet lawn care equipment. cub cadet parts diagrams slt1554 ... Cub Cadet LT1045 Stalls when you start to move after blades are engaged ... Sometimes it will die immediately, other times may run for a few minutes. I'm sure it is a safety switch or something along that line. ... Attached is the wiring diagram to illustrate what I'm saying. The diagram shows the brake switch off, so that throws all four ...
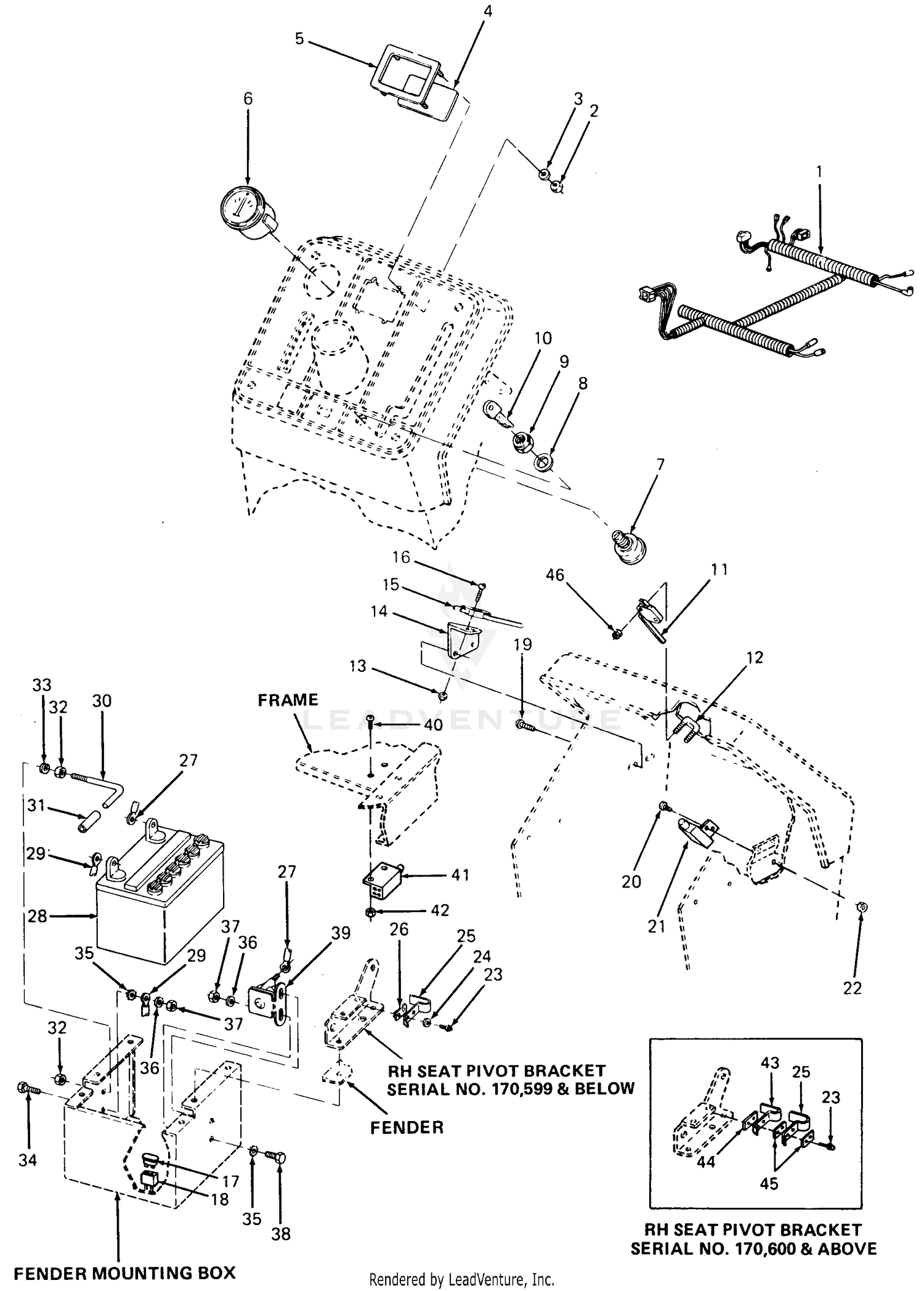
Cub cadet safety switch diagram. CUB CADET Complete Wiring Harness PN/ IH-384923-R91. Comes with wiring diagram for easy installation. Fits 70 & 100 ONLY push button start. IH 384923 R9: $100.00 : CUB CADET Complete Wiring Harness PN/ IH-404363-R1 IH 404363 R1. Comes with wiring diagram for easy installation. John Deere 717a 727a Ztrak Technical Service Manual. John Deere 717 Mini Frame Z Trak W 48 Mower Deck Pc9180 2002 Model Tc0717x010001 020000 2003 Tc0717x020001 999999 Governor Linkage Fuel. Frame Ground Location On John Deere 717a Lawnsite Is The Largest And Most Active Online Forum Serving Green Industry Professionals. 2018 Cub Cadet XT1. Ran perfect after last use, put away in my shed, and wont start the next time around. Started with most logical problem children; replaced the starter solenoid and charged battery (battery was fine but wanted to make sure). Still wont start. Direct jump the starter using jumper cables and it fires right up. How to bypass safety switch on cub cadet zero turn Designed with strength, comfort and the ability to get the job done 50% faster than riding tractors. Cub Cadet Zero Turn Mower Wiring Diagram Cub Cadet Safety Switch Diagram Wiring Library. Cub Cadet Ultima ZT1 ,699. Runs great. m10-461534 cub cadet 10 hp (7. Ask Our
I have a model Cub Cadet XT1 (Model 13AVAICS056) DOM 9/2016 that will not start. I have performed the following steps / checks with a multimeter: I turn the key and see a faint light on the controller, but the starter does not engage - No voltage at the starter when key turned (tested with multimeter on the red cable connected to starter) - Brake safety switch tests fine (continuity test ... Cub Cadet Safety Switch Diagram. diy mower will not crank safety switch diagnosis and my cub cadet rzt would not crank safety switch diagnosis and repair cub cadet rtz ztr how safety switches work on your cub cadet key switch diagram imageresizertool cub cadet key switch diagram furthermore pto switch wiring diagram further manual pto as well ... Cub cadet ignition switch wiring diagram source. Electrical wiring diagrams may be found in the operator s manual. Pin On Workshop . Wiring diagram for cub cadet 149 tuli www seblock de command 18 swap into a 782 ih forum electrical safety switch base website plantumlsequencediagram recht dd fr 3621 lawn mower parts free 1250 efi venndiagramcreator vch group diagrams nf only cadets 3675a ... Cub Cadet 2166 Wiring Diagram from toshibadiagram.magnetikitalia.it. Print the cabling diagram off and use highlighters to trace the signal. When you employ your finger or stick to the circuit with your eyes, it's easy to mistrace the circuit. 1 trick that I 2 to print out a similar wiring picture off twice.
Murray c950 60471 0 craftsman lawn tractor 2004 parts diagram for electrical system solved no power to the starter celenoid riding mower ifixit what are color code ignition switch block a lt 1000 wiring tractorbynet model 917 289344 doityourself com community forums briggs and stratton products cmxggas030733 00 7 000 watt 49 state schematic venta lt1000 en stock… Read More » 37 2003 Toyota Matrix Fuse Box Diagram; 38 Cub Cadet Safety Switch Diagram; 37 Cub Cadet Lt1018 Pto Belt Diagram; 43 Stihl 066 Parts Diagram; 40 Ge Top Load Washer Parts Diagram; 42 Water Meter Connection Diagram; 37 Stihl Fs 56 Parts Diagram; 43 Pb-sn Phase Diagram; 42 Chevy Colorado Radio Wiring Diagram; 39 2012 Dodge Ram Wiring Diagram I am currently restoring a 1971 Cub Cadet 147. All the wiring was totally worn out so I installed a new wiring harness. I hooked it up according to the manufacturers instructions and also double checked my work using a 147 wiring diagram I found online but when I touch the battery cable to the battery it sparks and the engine begins to turn over. Cub Cadet Safety Switch Repair - MTD 13AC76LF055 (2013) Parts Diagram for Mower Deck : If the reverse safety switch adjustment is not. National Chocolate Cake Day Images : HERSHEY'S "PERFECTLY CHOCOLATE" Chocolate Cake - It seems like every calendar day is now a food holiday, but national chocolate cupcake day is one not to be missed.
john-deere-la130-parts-diagram 1/1 Downloaded from edu-dev.fuller.edu on November 14, 2021 by guest [Books] John Deere La130 Parts Diagram Thank you categorically much for downloading john deere la130 parts diagram.Maybe you have knowledge that, people have look numerous period for their favorite books considering this john deere la130 parts diagram, but end taking place in harmful downloads.
1000 cub cadet pto wiring diagram wiring diagram cub cadet pto switch wiring diagram. Electrical wiring diagrams may be found in the operator s manual. In addition to these cub cadet spec sheets you can also view a number of cub cadet manuals for some of the most popular cub cadet outdoor power equipment.
Matt Gonitzke. May 30, 2021. #5. eholmes said: I had an intermittent switch on my 682. It turned out to be a worn dust boot as the switch measured good through out it's travel and replacing the boot solved the problem. Click to expand... 2185 has completely different safety switches than a 682. B.
Cub Cadet Safety Switch Repair : Cub Cadet 1000 Series Lawn Mower OEM - Bracket Safety Switch | eBay. I found out that i had an issue with the parking brake switch. Safety interlock system & switch operation checks the following operational checks should be made daily: However the red wire may have.
Cub Cadet LT1045 Stalls when you start to move after blades are engaged ... Sometimes it will die immediately, other times may run for a few minutes. I'm sure it is a safety switch or something along that line. ... Attached is the wiring diagram to illustrate what I'm saying. The diagram shows the brake switch off, so that throws all four ...
Cub Cadet Wiring Harness Diagram / Tractor Ignition Switch Wiring Diagram Re Saftey Switches Switches Saftey Safety Switch. cub cadet wiring diagram auto diagrams pleasing. Stratton engine and a 50" Below weve provided some cub cadet wiring schematics for our most popular models of cub cadet lawn care equipment. cub cadet parts diagrams slt1554 ...
Other than the safety switch on the clutch for starting, I really don't like safety switches, in some cases I believe they can actually make things less safe. On the newer John Deere garden tractors there is a reverse over ride switch that you can lift up to keep the PTO engaged while going into reverse.
0 Response to "37 cub cadet safety switch diagram"
Post a Comment