39 2001 subaru outback wiring diagram
Mar 29, 2010 — You may download the wiring diagram from one of my websites... [ http://arraw.info/pdf/Wiring Diagram.pdf ]. Posted on Apr 01, 2010. 5 Super Tips for Protecting Car Paint. November 10, 2021 Motor Era Comments Off. on 5 Super Tips for Protecting Car Paint. In 2018, the automotive paint market was worth $8.78 billion globally. Since automotive paints can be so expensive, you must.
2001 Subaru Outback Wiring Diagram 2004 Subaru Wrx, Subaru Forester, Subaru Impreza, Basic. roshan gaikwad. 1 follower. More information. 2004 Subaru Wrx.

2001 subaru outback wiring diagram
Oct 27, 2021 — Wiring Diagram 2001 Subaru Outback Radio Wiring Subaru Auto Wiring Diagram Subaru Wiring Dome Light Wiring Diagram For Subaru Wiring. Subaru Impreza 1997 workshop manual- 1996 Subaru Impreza 1998 Technical Description Service Manual Supplement- 1997 Subaru Impreza-David Hobbs 2007-12-01 Consumer guides & advice. Autocar- 2006 High-Performance Subaru Builder's Guide-Jeff Zurschmeide 2007 Now more than ever, Subaru fanatics have a wealth of factory and aftermarket 2001 Subaru Forester 5 speed manual makes noise from transmission area when accelerating but not when you let off the gas or push in the clutch. It is the same through all 5 gears.
2001 subaru outback wiring diagram. Cmc634 Clutch Master Cylinder Subaru Impreza Wrx Sti Greatest Subaru Subaru Clutch Master Cylinder Fixed 2015 Wrx Clutch Pedal Pop Knock... Unique 1997 Dodge Ram Wiring Diagram 2001 Dodge Ram 1500 Dodge Ram 1500 Ram 1500 Ad Shop Our Full Catalog Of Genuine OEM Dodge Parts And Accessories And Save Today.. Fuel Tank 26 gallon on 1500 Short bed 34 gallon on 2500 Quad Cab short bed and 35 gallon on all long bed models 2001 Dodge Ram Pickup Models. The 2001 Dodge Ram does not have a ... This means that even though you will start out with the same intensity when using these boost levels you will get an overall. But the braking curve for B3 is more aggressive than that of B2. 2006 Subaru Tribeca Radio Wiring Diagram 17495 Amazing Wiring Diagram Collection 2005 Fuse block Engine compartment Number Ampere rating […] Can a 92 Isuzu Amigo 4x4 with a manual transmission be a good choice for a toad or flat towing behind a RV. 92 isuzu amigo 2 3 wiring diagram Google Search. To start shopping click a link at the right. Isuzu Amigo 1992 Gauges. 1992 Isuzu Amigo 4 out of 5 stars. K847 Fit Isuzu Amigo 92-93 23L 92-94 26L 2WD Motor Trans Mount Set 3PCS Fits.
Subaru color code wiring diagram wiring diagrams. If You already Know Your color Code Click Here. The list below are all OEM colors with paint codes provided by the manufacture. 487 rows Colour Codes. 83 45 Owner Reviews. The Subaru manufacturers tag has a variety of information on it. 18 Color Options Interior Colors Options 25i. SUBARU Car radio wiring diagrams. Car radio wire diagram gm radio wiring diagram. Car s car radio wiring car radio wiring colors car radio wire car radio. 28-pin Head Unit Wiring Harness Adapter (Fits: Toyota/Subaru/Scion) 28-pin "jumper-type" harness to fit many Subaru, Toyota, and Scion vehicles. This harness has the female and male connector. I have a 2002 Subaru Outback with a brake problem. Upon replacing the front pads, only the inner pad on each side was worn (down to nothing) while the outer pads were like new. The car has only 45,000 miles. This is the first time that these have been replaced. I'm thinking a bad master cylinder. Saab 9-3 2003-2007 Service repair manualpdf download at 2shared. Summary of Contents for Saab 9-3. A Black 5 Door Like Min...
2000 cadillac deville wiring diagram 2000 Cadillac Deville Radio Wiring Diagram. Listed below is the vehicle specific wiring diagram for your car alarm remote starter or keyless... Aug 28, 2008 — Do you have a diagram for 99 ford 7.3 serpentine belt routing - Answered by a verified Ford Mechanic.1 answer · Top answer: See the answer on the image Diagram for serpentine belt for 1996 ford f350 diesel Jun 11, 2010I need the serpentine belt ing routing diagram. for a ford Sep 18, 2016I need to change the serpentine belt on ... Radiator Replacement - 2001 Isuzu Rodeo - Part 1 In this video, I demonstrate the steps required to replace the radiator in a 2001 Isuzu Rodeo. Part 2 in this series can be vi Daewoo Badge desigen style information or anything related. Shop with Afterpay on eligible items. Daewoo Motor Logo Motor Logo Daewoo Logo Daewoo Park Associate Dean and Professor at Northern Illinois University.
Sukarno. andreacahyokka October 26, 2021. Born Kusno Sosrodihardjo Javanese. From 1945 until 1967 he was the first president of the Indonesian Republic the symbol of Indonesian independence... Read more ».

I Need A Wiring Diagram For A 1998 Subaru Outback Master Window Switch I Have A Driver Side Window That Is Stuck In The
Equip cars, trucks & SUVs with 2002 Toyota Tacoma Belt from AutoZone. Get Yours Today! We have the best products at the right price. 2002 Toyota MR2 2002 ENGINE PERFORMANCE Vacuum Diagram s Helpmelearn ... Fig. 42: Vacuum Diagram (Tacoma 2.4L 4-Cyl. 2RZ-FE - 1 Of 3) Courtesy of TOYOTA MOTOR SALES, U.S.A., INC. 2002 Toyota MR2 2002 ENGINE PERFORMANCE Vacuum Diagram s Helpmelearn
For Sale Ktm Duke 125 The Bike Market Ktm 125 Duke Ktm Ktm Duke
Jul 14, 2019 — The "typical" wiring diagrams in the Haynes are not any help to me.. the wire colours and pin numbers dont match up.. anyone got a link to ...wiring diagram. 2001 outback VDCNov 28, 2014Need Wire Schematic for 2001 Subaru Outback...Feb 24, 2011Why can't I find the wiring diagram for the 01 McIntosh amp?Aug 7, 2014More results from www.subaruoutback.org
Commando Car Alarms offers free wiring diagrams for your 2000-2001 Subaru Outback Sport. Use this information for installing car alarm, remote car starters ...
Get Free Subaru Impreza Wrx Workshop Manual On The Cheap Subaru WRX - How To Service A WRX How to service a Subaru (they are all pretty much the same) Subaru Impreza WRX \u0026 STI (2014) - Service Manual / Repair Manual - Wiring Diagrams - Owners Manual How to change Manual Transmission Page 6/47
Airbag Sytem, Seat Belt System Airbag Diagnostics, HVAC System, Wiring System. Repair Topics Covered in this Manual.
Jeep Grand Cherokee 2020 Fuse Box Diagram. 98 Jeep Cherokee Fuse Diagram. See more on our website. Underhood Fuses Power Distribution Center Jeep Grand Cherokee 1999-2004. Jeep Grand Cherokee 2008 fuse box diagram. Httpsfuse-boxinfojeepjeep-cherokee-kl-2014-2018-fuses-and-relaysFuse box diagram location and assignment of electrical fuses.
Diagram 04 Jeep Liberty O2 Sensor Wiring Diagram Full Version Hd Jeep O2 Sensor Wiring Diagram Wiring Library 2002 Jeep Liberty Wiring Diagram Eyelash Me Metra 70 6502 Receiver Wiring Harness Connect A New Car Stereo In 2004 Jeep Grand. 5 new tires including spare New steering wheel. Jet Performance Performance Stage 1 Chip for 04-05 Jeep ...
Cadillac XTS Windshield Wiper Linkage. Chevrolet Astro Windshield Wiper Linkage. Chevrolet Avalanche Windshield Wiper Linkage. Chevrolet Avalanche 1500 Windshield Wiper Linkage. Chevrolet Avalanche 2500 Windshield Wiper Linkage. Chevrolet Aveo Windshield Wiper Linkage. Chevrolet Aveo5 Windshield Wiper Linkage.
The engine may stall intermittently. You may notice poor engine performance including irregular acceleration, misfiring, hard starting, or surging. On some car models, a failed CMP sensor will prevent the ignition from making a spark, so that the engine won't start at all. pinterest-pin-it. Camshaft position sensor.
Whelen Led Light Bar Wiring Diagram Wiring Diagram Whelen Strobe Lights Lovetoread Me Liberty Series Whelen Engineering Automotive Whelen 9m Power Supply Lightbar Strobe Pack 9m4ss 1794373056 Whelen Edge 9000 Light Bar Wiring Diagram Auto Electrical Wiring Need Help Wiring For Light Bar Subaru Outback Forums.
1992-2001 Johnson Evinrude 65-300 HP V4 V6 V8 Engines Service Repair Manual PDF Preview Perfect for the DIY person. 85 hp evinrude service manual . Covers every aspect of service and repair with color diagrams. 4Stroke 4-Stroke Four Stroke models. 1969 Johnson Evinrude 85 HP Outboard Service manuals are available for immediate download.
18 2001 Lincoln Town Car Fuel Pump Wiring Diagram Car Diagram Wiringg Net Diagram Repair Guide Worksheets Fuel Pump Mounting Kit Walmart Com In 2021 Denso Pumps Automotive Industry ... Pin On 2001 Lincoln Town Car Diagrams N Layouts Pin On Products Tweet. Previous « Prev Post.
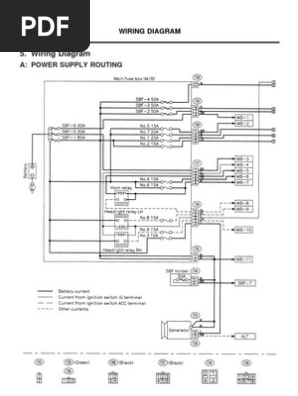
Oct 22, 2019 — Pin #. Function. Legacy / Outback / Baja Factory Radio Connector Wire Color (wires go to car's Speakers, etc.) Subaru After-market Harness ...
Nov 24, 2009 — This service manual has been prepared to provide SUBARU service personnel with the necessary information and data for the correct ...
2001 Subaru Forester 5 speed manual makes noise from transmission area when accelerating but not when you let off the gas or push in the clutch. It is the same through all 5 gears.
Subaru Impreza 1997 workshop manual- 1996 Subaru Impreza 1998 Technical Description Service Manual Supplement- 1997 Subaru Impreza-David Hobbs 2007-12-01 Consumer guides & advice. Autocar- 2006 High-Performance Subaru Builder's Guide-Jeff Zurschmeide 2007 Now more than ever, Subaru fanatics have a wealth of factory and aftermarket
Oct 27, 2021 — Wiring Diagram 2001 Subaru Outback Radio Wiring Subaru Auto Wiring Diagram Subaru Wiring Dome Light Wiring Diagram For Subaru Wiring.

Im Working On A 1996 Subaru Outback It Has Been Sittin For Five Years I Replaced The Fuel Pump Fuel Pump Relay Oil

I Have A 2000 Subaru Outback The Radio Quit Working And Apparently Has No Power The Fuse That Is Located Behind The

2001 Outback Showing Codes P0131 0132 0136 S1 Voltage 3 76 S2 5 To 8 Changed Both O2 Sensors Same Readings What Do
0 Response to "39 2001 subaru outback wiring diagram"
Post a Comment