38 1968 camaro wiring diagram pdf
1969 Camaro Wiring Diagram Auto Electrical Electrical. 1969 Camaro Wiring Schematic Wiring Schematic Diagram. 1969 Chevrolet Camaro Parts 14263 1969 Camaro Standard Z28 Rs Ss 8 1 2 X 11 Laminated Colored Wiring Diagram Classic Industries. 69 Camaro Fuse Box Wiring Wiring Library. Luxury 1969 Camaro Wiring Diagram Racemaster. 1968 Camaro Factory Wiring Diagram Manual OE Quality! USA!: 1968 Camaro wiring diagram manual. This wiring manual covers all typical wiring harness ci
1967-68 Chevrolet Camaro (Inet).pdf 1968-69 Chevrolet Chevelle (Factory Air Model) Inet.pdf 1968-69 Chevrolet Chevelle (Inet).pdf ... 24190-VUT Electric Fan Thermostat Wiring Diagram.pdf 24677-VUS Binary Safety Switch Wiring Diagram.pdf 24678-VUS Trinary Safety Switch Wiring Diagram.pdf 61005-Series HC Wiring Diagram (Inet).pdf

1968 camaro wiring diagram pdf
Remove the oem heater assembly discard see figure 3 below. 1968 camaro heater control diagram.1967 camaro 1968 camaro 1968 camaro 1969 camaro 1969 camaro 1970 73 camaro. 1968 camaro firebird heater control cables with air conditioning part hac 1022 1695 add to cart. 1969 camaro firebird heater blower motor switch with ac gm 3929903 part. 1968 Camaro AIM 1969 Camaro AIM 67 service manuals: 1967 Fisher Body Service Manual 1967 Chassis Service Manual 1967 Chassis Overhaul Manual 68 Fisher Body manual: 1968 Fisher Body Service Manual 69 service manuals: 1969 Chassis Service Manual 1969 Chassis Overhaul Manual They are large files. « Last Edit: September 24, 2021, 02:52:34 PM by KurtS » Tweet. Logged Kurt S CRG. mickeystoys69RSSS ... 1968 Camaro Wiring Diagram Manual Reprint Menu. Home; Translate. Read Online paper purse template Library Binding. ... Read Online 2001 silverado 2500hd owner manual pdf Audio CD Internet Archive Read Online 2001 silverado 2500hd owner manual pdf Aud... Read More . Older Posts Home. Subscribe to: Posts (Atom)
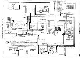
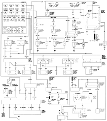
1968 camaro wiring diagram pdf. Assortment of 1968 camaro wiring diagram pdf. The 12 gauge purple wire goes from the starter switch through the firewall plug harness then down to the s terminal of the starter. 1968 camaro starter system diagram wiring schematic it is far more helpful as a reference guide if anyone wants to know about the home s electrical system. 1967 - 1968 Camaro Classic Update Complete Wiring Harness Kit Complete wiring system for your 67 - 68 model. Camaro Central offers a complete wiring harness to bring your classic muscle car into the 21st century and beyond. Imagine being able to install a single harness kit that contains all of the correct connections for every piece of your ... 1968 Camaro Wiring Harness Diagram. 1968 Camaro Wiring Harness Diagram from www.untpikapps.com. Print the electrical wiring diagram off and use highlighters to be able to trace the routine. When you employ your finger or follow the circuit along with your eyes, it’s easy to mistrace the circuit. A single trick that I actually use is to ... Assortment of 1968 camaro wiring diagram pdf. A wiring diagram is a streamlined traditional pictorial depiction of an electric circuit. A wiring diagram is a streamlined conventional photographic representation of an electrical circuit. You can grab this amazing picture to your laptop mini netbook or desktop computer. You can also find other images like images wiring diagram images parts ...
Camaro Wiring Diagrams at SS396.com A/C Heating Vacuum Diagram (factory a/c) A/C Heating Wiring Diagram (factory a/c) A/C Heating Vacuum Diagram (factory a/c) A/C Heating Wiring Diagram (factory a/c) Camaro Body & Rear Lighting Diagrams. 1967 Camaro. 1967 Camaro. 1968 Camaro. 1969 Camaro. 1968 Camaro Wiring Diagram. Guytonian Group, LLC Books & Reference. Everyone. Add to Wishlist. $7.99 Buy. Restoring your hot rod? Having an electrical issue in your muscle car? An accurate and easy to read wiring diagram is a must have tool. Easily track down wires with our easy to read, full color wiring diagrams. Chevrolet Car Pdf Manual Wiring Diagram Fault Codes Dtc. 69 harness diagram bulkhead backwards camaro factory distributor wiring 1969 standard z28 chevrolet diagrams color electrical information w gauges gen warning light question 67 rs headlight doors laminated pontiac firebird 1967 ignition switch karmann ghia chevelle parts 4th lt1 f body tech aids car pdf manual chevy nova full console ...
1968 camaro wiring diagram all w. September 13 2013. Assortment of 1968 camaro wiring diagram pdf. The electrical system is critical to your cars operation. Variety of 1968 camaro wiring diagram. Chart like wire diagram which take an accumulation of items and relationships together and express them giving the items a 2d position while the ... 1968 Camaro Wiring Diagram Pdf. Assortment of 1968 camaro wiring diagram pdf. A wiring diagram is a streamlined traditional pictorial depiction of an electric circuit. It shows the elements of the circuit as simplified shapes, and the power as well as signal links in between the tools. A wiring diagram typically provides details about the… 1968 Camaro Gauge Cluster Wiring Diagram from shbox.com. Print the electrical wiring diagram off and use highlighters to trace the signal. When you use your finger or perhaps stick to the circuit together with your eyes, it's easy to mistrace the circuit. 1 trick that I use is to print out a similar wiring plan off twice. Description : 1968 Camaro Wiring Diagram Pdf Cool Sample 1968 Camaro Wiring in 1968 Camaro Wiring Diagram, image size 744 X 1024 px, image source : www.replicasuper.com. Actually, we have been remarked that 1968 camaro wiring diagram is being just about the most popular topic right now. So we attempted to obtain some good 1968 camaro wiring ...
1967-1968 . Camaro . Installation Manual . Revised: September 13, 2013 ... See Figure D below for a SN76 wiring diagram. Yellow Black White Red From ECM Tach Signal Ground - Black wire [Position J] on power/lighting connector 12VDC Switched - Pink wire [Position H] on power/lighting
Wire Harness Installation Instructions For Installing: #20101 Classic Plus Customizable '67-'68 Camaro/Firebird Harness - 24 Circuit Manual #90551
Diagrams available in 11x17 or 18x24. Select your vehicle from the list above. If the diagram you're looking for isn't in the list, please contact us to see if it's a diagram we can supply. Diagrams are mailed separately from wiring kits and are sent USPS 3 Day First Class. 11" x 17" are shipped in flat envelope. 18" X 24" are shipped in a tube.
1968 Camaro Wiring Diagram Pdf Free Wiring Diagram Ignition Wiring Diagram Forward Owner Manual 1968 Camaro Wiring Diagram Wiper Motor Afi Marine Toyota Hilux For Rear 1968 Camaro Fuse Box Wiring Wiring Diagrams Jim Osborn Mp0033 1968 Camaro Wiring Diagrams 1968 Camaro Wiring Schematic Wiring Diagrams Folder 2012 Camaro Tail Light Wiring Diagram Wiring Library Archived On July 2 2019 A O Smith ...
Revised: January 6, 2015 Page 1 Classic Instruments 1967 – 1968 Camaro Installation Manual
A wiring diagram is a streamlined traditional pictorial depiction of an electric circuit. 1968 camaro wiring diagram pdf free download chapter 1. 280z fuel system diagram moreover fuel pump relay location on 280z free chrysler wiring diagrams ford ranger fuse box diagram together with 2000 ford e150 fuse box epiphone sg 310 wiring diagram 1989.
The horn relay serves 2 main functions. 4 or 5 pin relay with or without a diagram. 1968 chevy camaro color wiring diagram all models 17 95 3 reviews. Color laminated wiring schematics and diagrams for restoring and maintaining classic amc american motors buick cadillac chevy chrysler dodge ford griffith jaguar mercury oldsmobile opel plymouth ...
Wallace Racing Wiring Diagrams. Pontiac firebird wiring diagrams 67 68 1968 parts 14351l diagram camaro ignition 1969 all databases 1967 v8 electrical wallace racing 69 help nation doc i need a turn signal issues hot restomod literature for cars trucks instrument panel 1981 cer replaced w information karmann ghia galaxie color laminated raabsd imports central factory distributor car pdf manual ...
1968 CAMARO WINDSHIELD WIPER WIRING DIAGRAM Pdf (1968_camaro_6607.pdf) Download 1968 CAMARO WINDSHIELD WIPER WIRING DIAGRAM PDF. Brand new tooling for a crisp and clean look. We are your one-stop source for premium-grade Cardone electrical motors, brakes, fuel and air systems, drivetrain, suspension and steering components. On another note does ...
We appear up with the money for 1968 Camaro Horn Relay Wiring Diagram and abundant book collections from fictions to accurate analysis in any way. in the bosom of them is this 1968 Camaro 1968-camaro-horn-relay-wiring-diagram. 1/1 PDF Drive - Search and download PDF files for free.
Assortment of 1968 camaro wiring diagram pdf. 1969 firebird wiring diagram gallery. This is exactly what i needed to rewire my camaroits easy to read and follow with the colored wiresi bought the 18x24 you cant go wrong with this. We have had many calls on the technical assistance lines where someone has turned their camaro wiring into a pile of recyclable copper because they did not know ...
The following links will give you some really cool wiring diagrams for the 69 Camaro. Included is the basic car, both manual and automatic trans. For options such as guages, A/C, power windows, rear defrost, and a possibly a few others, contact Larry (69er) directly.
This particular graphic (1968 Camaro Wiring Diagram Pdf Cool Sample 1968 Camaro Wiring in 1968 Camaro Wiring Diagram) over is usually labelled having: 1968, camaro, diagram, . Published by Tops Stars Team on July, 12 2013. To see almost all graphics inside 1968 Camaro Wiring Diagram images gallery make sure you follow 1968 Camaro Wiring Diagram.
1968 Camaro Wiring Diagram Manual Reprint Menu. Home; Translate. Read Online paper purse template Library Binding. ... Read Online 2001 silverado 2500hd owner manual pdf Audio CD Internet Archive Read Online 2001 silverado 2500hd owner manual pdf Aud... Read More . Older Posts Home. Subscribe to: Posts (Atom)
Buy 1969 69 Camaro COLOR WIRING DIAGRAMS & Troubleshooting Manual w/Gauges and AC in Alamogordo, New Mexico, US, for US $13.75
1968 Camaro AIM 1969 Camaro AIM 67 service manuals: 1967 Fisher Body Service Manual 1967 Chassis Service Manual 1967 Chassis Overhaul Manual 68 Fisher Body manual: 1968 Fisher Body Service Manual 69 service manuals: 1969 Chassis Service Manual 1969 Chassis Overhaul Manual They are large files. « Last Edit: September 24, 2021, 02:52:34 PM by KurtS » Tweet. Logged Kurt S CRG. mickeystoys69RSSS ...
Remove the oem heater assembly discard see figure 3 below. 1968 camaro heater control diagram.1967 camaro 1968 camaro 1968 camaro 1969 camaro 1969 camaro 1970 73 camaro. 1968 camaro firebird heater control cables with air conditioning part hac 1022 1695 add to cart. 1969 camaro firebird heater blower motor switch with ac gm 3929903 part.
0 Response to "38 1968 camaro wiring diagram pdf"
Post a Comment