Iklan 300x250

37 john deere 4010 parts diagram

John Deere AG, Lawn & Garden and CWP Equipment Parts Search. John Deere parts lookup tool and diagram is an incredible online source. It is a complete catalog that shows you detailed parts diagrams of every part of your machine. This online parts catalog is robust and easy to use. Searching for your John Deere parts online has never been easier. diagram group 4010 tractor john deere : 20 engine ag 30 fuel and air ag 40 electrical ag 50 power train ag 60 steering and brakes ag 70 hydraulics ag 80 wheels, front axles, sheet metal ag 90 operator's station ag

John Deere 4010 found in: Electronic Ignition Conversion Kit, Restoration Quality Wiring Harness, Left Side Rear Engine Side Shield fits John Deere 4010 & some 4020, Spark Plug Wiring Set, Outer Tie Rod End, Fuel Tank..

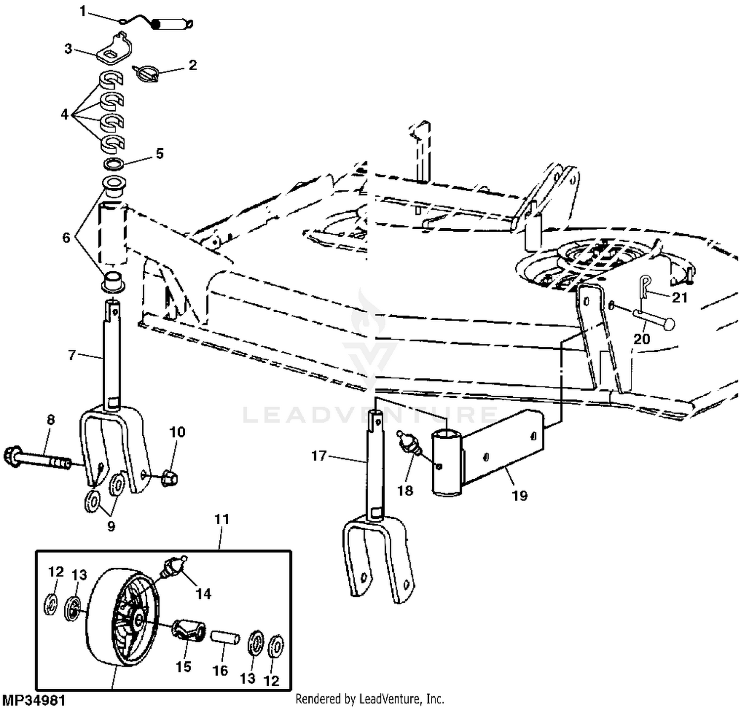
John deere 4010 parts diagram

John deere 4010 parts diagram

4th Step Kit fits John Deere 4640 4020 4755 4250 4650 4030 4450 4050 4240 3010 4010 4000 4040 4430 4840 4630 3020 4255 4055 4955 4440 4850 4230 4455 ASAP Item No. 150801 View Details $96.99 40 ELECTRICAL 4010 - TRACTOR EPC John Deere online advisor sale parts diagram catalog John Deere 4010 Cooling System Components Exploded View parts lookup by model. Complete exploded views of all the major manufacturers. It is EASY and FREE.

John deere 4010 parts diagram. John Deere 4010 Tractor Parts Manual [John Deere] on Amazon.com. *FREE* shipping on qualifying offers. John Deere 4010 Tractor Parts Manual. John Deere started producing the 4010 Tractor in 2003 and continued until 2005. Regardless of whether you initially got a deal on your tractor (lower than the initial price of $5,500 (1963)), with TractorJoe you'll get the best deal on the spare parts you need. Model 4010. The 13-digit product identification number (serial number) is located on right-hand side of frame beneath the front of the engine. Click here for 54-inch 54 Mower Deck Parts for 4010. Click here for 60-inch 60 Mower Deck Parts for 4010. Click here for 54-inch Quick-Hitch Front Blade Parts for 4010. Alternator - Denso Style (12188) fits John Deere 4110 675 855 3005 955 655 675B 317 430 4005 856 4010 455 320 3235B 755 fits Cub Cadet fits Yanmar ASAP Item No. 113230 View Details $80.99

John Deere 4010 traveling sprinkler. Jump to Latest Follow 1 - 3 of 3 Posts. lcrepairs · Supporting Member ... Watex bought the rights to the John Deere Molds and can buy parts: Travelling Sprinkler Motor Assembly Kit Spare Part . Save Share. Reply. 1 - 3 of 3 Posts. Service Schedule Parts for a John Deere 4010 Compact Utility Tractor & Parts List. While your John Deere machine is certainly built with quality parts, they have a limited life. Good news is you can easily service your machine yourself using a John Deere maintenance kit or service kits or by getting the specific John Deere part needed to keep your John Deere mower or tractor running for a long ... Posted: Sat Aug 29, 2015 5:49 am Post subject: John Deere 4010 wiring diagram?: Does anybody happen to know where I can find a wiring diagram for a 4010? Can't get it to turn over. Tested the starter, replaced the solenoid, replaced the ignition switch, Checked the batteries. Suspect it must be a wiring problem. ILLUSTRATED PARTS MANUAL WITH EXPLODED DIAGRAMS SHOWING VARIOUS COMPONENTS. AN ORIGINAL MANUAL. A USED MANUAL IN GOOD CONDITION - MARKED COVER, (SEE SCAN), ...

All of our parts for sale are new, aftermarket parts unless specified otherwise in the description. Our experienced and friendly sales staff are available to help with any of your John Deere 4010 tractor parts and engine parts needs. Call our toll-free customer support line today if you have any questions. 1-800-853-2651, available Monday ... John Deere 4010 Parts Category: Decals and Emblems [All 4010 Parts] [All John Deere Models] Be Careful Plate - This Be Careful Plate is used on John Deere Tractors, 1961-1972. (Part No: R4475) $13.76: No Picture: Decal Set - COMPLETE Decal Set for John Deere Model 4010. (Part No: R2609) ... Arrives by Mon, Dec 6 Buy John Deere 4010 Tractor Parts Manual at Walmart.com.$64.03 · ‎In stock John Deere Gauge Wheel - With grease zerk - See detailed description for specs - AM107560. (8) $22.57. Usually available. Add to Cart. Quick View.

Fits John Deere - [ used as a hydraulic oil filter relief valve spring: 3010, 4010 (up to SN: 049999; 3 used) ], [ used as a live PTO clutch plate facing spring: 620, 630 (3 used) ], 70 (gas, LP, diesel; 3 used); Replaces: F1332R The overall length of this spring is 2.725", the O.D. is 0.500" and…

John Deere Parts Diagrams, John Deere 4010 COMPACT UTILITY TRACTOR. ELECTRICAL. ENGINE. FRAME, WHEELS, NON-POWERED AXLES AND SHEET METAL. FUEL AND AIR. HITCHES. HYDRAULICS. OPERATORS STATION AND MISCELLANEOUS. POWER TRAIN, HYDRO (HST)

This is a Parts Manual for the John Deere 4010 with 238 pages of important information pertaining to your John Deere tractor. Full Description: 4010 Gas ...

Due to the employee strike at John Deere, we are not receiving estimated in stock dates for all parts and equipment. John Deere PARTS LOOKUP John Deere Parts Diagrams, John Deere TRACTOR - 3010 -PC0690 MANUFACTURED 1961-1963 TRACTOR - 3010 -PC0690

John Deere 4010 Parts. The 4010 Compact Utility Tractor was produced from 1960-1963 as part of the 4000 Compact Series. Standard features included the six cylinder 80 HP John Deere gasoline or diesel engine, differential hydraulic wet disc brakes, and power assisted steering.

John Deere 4010 Wiring Diagram. Have a John Deere diesel with a 24 volt positive ground. ... there's a small ground wire for one of the batteries that is mostly likely.This is the Wiring Diagram Of John Deere - Readingrat of a pic I get off the Jd Wiring Diagram collection. You can save this image file to your personal laptop.

No information is available for this page.Learn why

Caravan towing plug wiring diagram. The john deere 4010 is a 4wd compact utility tractor from the 4000 ten compact series. + c $72.14 shipping+ c $72.14 shipping+ c $72.14 shipping. Related products for john deere 4010 compact utility tractor tm1983 technical manual pdf john deere parts advisor makes it easy to find the model and parts you need.

JOHN DEERE AND IT'S SUCCESSORS · ARE NOT RESPONSIBLE FOR THE QUALITY OR ACCURACY OF THIS MANUAL. ... PARTS CATALOG · JOHN DEERE 4010 SERIES.26 pages

John Deere 4010 Parts - Specs. Narrow your search for John Deere 4010 Parts by selecting categories on the left.. John Deere 4010 Specs:. The John Deere 4010 Tractor was manufactured in Iowa and Mexico from 1960 to 1963 as a row crop tractor. The 4010 tractor was powered by a 88 hp John Deere 4.9L 6-cyl gas or LP and a 6.2L 6-cyl diesel engine and a John Deere Syncro-Range transmission with 8 ...

John Deere 4010 Front Axle and Steering. If you are not finding what you need for your John Deere 4010 please call Jensales at 800-443-0625.Tie rods, Spindles, Axle Seals for the front axle and steering wheels and shafts for many John Deere.

New Fits John Deere 4010 Tractor Parts Manual (Gas LP Diesel - Includes both vol. Value-Added Content - Corrections, Updates, & Serial #s. Brand New.

Sloan Express stocks a wide variety of aftermarket ag parts equivalent to the OEM part for agricultural equipment. Our current parts offering includes a wide range of over 8000 parts to fit combines, tractors, hay equipment, planters, sprayers, tillage equipment and more.

This picture (4010 Steering Valve Leak Update - John Deere throughout John Deere 4020 Parts Diagram) above is actually labelled along with: john deere 4020 parts diagram, . put up by CARPNY TEAM at June, 12 2016. To determine just about all photos throughout John Deere 4020 Parts Diagram images gallery please follow this particular link.

John Deere Parts Lookup -John Deere-4010 Compact Utility Tractor -PC2915 2002 Model LV4010H100001-210000 4010 Compact Utility Tractor -PC2915 2003 Model LV4010H210001-310000 4010 Compact Utility Tractor -PC2915 2004 Model LV4010H310001-410000 4010 Compact Utility Tractor -PC2915 2005 Model

John Deere 4010 Tractor Parts Manual. Ag Filter catalog. Coolant. 13.6 qt (12.9 L). Crankcase. 121.2 qt (114.7 L). Hydraulic. 24 qt. (22.7 L). ... We'll keep you up and running with everything from Genuine John Deere parts to aftermarket alternatives. 2015-John-Deere-Full-Line-Workbook.pdf. Read/Download File Report Abuse. John Deere® Steering ...

All States Ag Parts Parts A.S.A.P. Battery Box - Right Hand fits John Deere 2510 3010 500A 4520 4620 3020 4320 4020 2520 4010 4000 AR26887 4.4 out of 5 stars 15 $82.94 $ 82 . 94

John Deere 4010 Wiring Diagram - wiring diagram is a simplified good enough pictorial representation of an electrical circuit. It shows the components of the circuit as simplified shapes, and the capacity and signal associates between the devices. A wiring diagram usually gives suggestion nearly the relative point and contract of devices and ...

john deere model: 4010 series volume 1 of 2 this is a manual produced by jensales inc. without the authorization of john deere or it's successors. john deere and it's successors are not responsible for the quality or accuracy of this manual. trade marks and trade names contained and used herein are those of others,

John Deere 4010 Cooling System Components Exploded View parts lookup by model. Complete exploded views of all the major manufacturers. It is EASY and FREE.

40 ELECTRICAL 4010 - TRACTOR EPC John Deere online advisor sale parts diagram catalog

4th Step Kit fits John Deere 4640 4020 4755 4250 4650 4030 4450 4050 4240 3010 4010 4000 4040 4430 4840 4630 3020 4255 4055 4955 4440 4850 4230 4455 ASAP Item No. 150801 View Details $96.99

0 Response to "37 john deere 4010 parts diagram"

Post a Comment

Iklan Atas Artikel

Iklan Tengah Artikel 1

Iklan Tengah Artikel 2

Iklan Bawah Artikel