Iklan 300x250

41 murray 42 inch riding mower drive belt diagram

Support | Manuals | Murray If you know the model number of your Murray product, enter it in the search window below to locate Operator's Manuals, Illustrated Parts Lists and Wiring Diagrams. Find Your Murray Model Number Model Numbers on Murray riding lawn mowers are found on the back of the mower or under the seat. Murray 42 in. Mower Belt 37X88MA - The Home Depot Riding Mower Belts. Internet # 206668122Model # 37X88MAStore SKU # 259296. Murray. 42 in. Mower Belt (14) Questions & Answers . Hover Image to Zoom. share Share. print Print $ 24 99. Original Murray belt replacement part; Helps keep your engine running smoothly, avoiding costly repairs;

Belt routing diagram for 40" cut Murray Select riding mower? Slide the mower deck out from beneath the tractor. 6. Crawl beneath the tractor and roll the drive belt off of the stationary idler pulley and the clutching idler pulley. They are both located immediately adjacent to the engine pulley. Be sure the belt is already away from the engine pulley, as well. 7. Push the drive belt slack toward the rear ...

Murray 42 inch riding mower drive belt diagram

Murray 42 inch riding mower drive belt diagram

need diagram to install belt on Murray riding mower - iFixit tw1276, you did not tell us if you are looking for the drive belt or the mower belt. Both images are attached. Hope this helps, good luck Mower diagram Drive Diagram - Murray Riding Mower How to Put a Drive Belt on a 42 Inch Murray Riding Mower ... How to Put a Drive Belt on a 42 Inch Murray Riding Mower. If you happen to own a Murray riding mower with a 42-inch cutting deck, you enjoy two blades of gra... 42 Riding Mower - Murray Power through tall, thick grass with the Murray ® 42" Riding Lawn Tractor powered by a robust Briggs & Stratton 17.50 Gross HP*, 500cc Power Built™ Engine. The Power Built engine features unique OHV (Overhead Valve) technology and a simple-to-maintain design for a more doable, long-lasting engine.

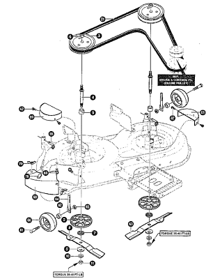
Murray 42 inch riding mower drive belt diagram. cosmo-kasino350.de › dixon-ztr-30Buy Used Dixon equipment at auction - BigIron Auctions has ... Dixon Speedztr 30 mower specs and features. We also carry 20-inch lawn mower blades, 22-inch lawn mower blades, and 32-inch lawn mower blades. 437". Before backing your Dixon Mower; stopAccepted within 30 days. 10-5, SN: 101211C001460 Nov 24, 2021 · Dixon Speed ZTR Zero Turn Riding Lawn Mower, Briggs & Stratton Power Built 17. How to put a belt on a Murray riding lawn mower diagram? With over application, temperature changes, and time, the belts extend and wear. So, it is essential to check the transmission and mowing deck drive belts annually. How to put a belt on a Murray riding lawn mower diagram? If there is any cracking and stretching, it will be convenient for you to protect the mower deck from belt breakage and damage. Belt diagram murray 17 hp 42 inch belt - Ask Me Help Desk Need a Murray Automatic Drive 17 HP 42" Belt Diagram [ 8 Answers ] I need help bad! I have a 2002 Murray Riding Lawnmower 17 HP 42". I broke a belt and do not know how to put the new one back on. I need a belt diagram for the two belts at the top of the mower, not the deck with the one long belt. MTD 13AO785S058 (2013) M195-42 (2013) Mower Deck 42-Inch ... MTD 13AO785S058 (2013) M195-42 (2013) Mower Deck 42-Inch Exploded View parts lookup by model. Complete exploded views of all the major manufacturers. It is EASY and FREE

› cub-cadetBuy Cub Cadet Lawn Mower & Outdoor Power Equipment Spare ... cub cadet / massey ferguson / mtd / troy-bilt ride on mower side discharge blade 17 7/8 inch for 50 inch deck 942-04053b / 742-04123 (3 sets) blr7572-3 AUD192.15 Quickview echte-freude-schenken.de › craftsman-lawn-mower-partsCraftsman lawn mower parts model 917 manual 93. Jeremywell NEW CRAFTSMAN 42″ RIDING LAWN MOWER DECK BELT # 144959 POULAN PP 12012 532144959 (1) Brand New OEM Replacement Parts OEM Replacement Parts Spindle For Craftsman Riding Mower 42 46 48 54 Deck LT2000 YT3000 YTS4000 YS4500. , Hoffman Estates, IL 60179. Murray Lawn Mower Drive Belt Diagram 42 Inch - Diagram ... Please help i need a drive belt diagram for a murray lawn mower the belt size is 37x61. By lori10082011 [1 post, 1 comment]. Looks like a 2008 model. Wiring diagram machine new yard machine 42 inch riding mower bel. And look for the belt that fits the murray, yardman, lowes, toro, 42 deck. Harley Davidson Gas Golf Cart Wiring Diagram Murray 42 Inch Riding Lawn Mower Belt Diagram - Diagram ... Home Decorating Style 2022 for Murray 42 Inch Riding Lawn Mower Belt Diagram, you can see Murray 42 Inch Riding Lawn Mower Belt Diagram and more pictures for Home Interior Designing 2022 321127 at Resume Example Ideas.

Instructions to Install Murray Lawn Tractor Belts | Home ... How to Install a Murray 40-Inch Drive Belt. How to Put a Belt on a Murray Lawn Mower. How to Remove the Blades From a Troy-Bilt Pony Rider. How to Remove the Mower Deck on a Scotts S2046 Lawn Tractor. Murray M 15542 - Murray 42" Riding Mower (2012) Mower Deck ... Mower Deck 42-Inch diagram and repair parts lookup for Murray M 15542 - Murray 42" Riding Mower (2012) The Right Parts, Shipped Fast! ... Mower Deck 42-Inch Parts Diagram. Title; 1. MTD Part# 918-04822A. Spindle Assembly, Pulley, 6.3 Dia (Superseded to 918-04822B) ... Murray 465306x8 Drive Belt Diagram - schematron.org Hi I need to replace a drive belt on a Murray OHV Serial # XXXXX 97 model could you tell me the easiest way to do this I . Can you e mail me a diagram or manual to install the main drive belt to the transmission on a murray 40 inch cut riding mower. model number is XXXXX mf date read more J.R. schematron.org - Select Murray x8A - Scotts 46 ... Amazon.com : Murray 42 Lawn Mower Blade Belt '97 & Up ... Product Description. Murray 37X88MA 42 Lawn Mower Blade Belt '97 & Up Murray- blade drive belt for tractor #37x88 42" •Murray Part Number 37x88; 37x88MA•Blade Drive Belt for 42" Murray Decks from 1997 to Present•Blade Drive Belt for 42" Scotts Decks from 1997 - 2000•Genuine Murray Part

Snapper Murray 42

Snapper Murray 42" Mower Deck Belt 429636

Murray Riding Lawn Mower Drive Belt Diagram | vincegray2014 Murray Riding Lawn Mower Drive Belt Diagram Free Download 2022 by antone.ruecker. Find The BestTemplates at vincegray2014.

Question: How To Replace Motion Belt On Murray Riding Lawn ...

Question: How To Replace Motion Belt On Murray Riding Lawn ...

need diagram for belt insallation on riding mower - iFixit May 8, 2011 — Looking for belt diagram or owners manual for murray select ... murryay 42 inch riding mower model number 421614a transmission drive belt ...6 answers · Top answer: Here's the PDF of all the parts for your machine. Page 10 shows the belt routing: ...How to replace drive belt - Murray Riding Mower3 answersNov 3, 2018SOLVED: Need a diagram of the drive belt installation1 answerSep 17, 2012need diagram to install belt on Murray riding mower4 answersJun 13, 2013SOLVED: Need belt diagram for Murray mower2 answersMay 16, 2011More results from

42 Inch Murray Deck

42 Inch Murray Deck

echte-freude-schenken.de › mower-deck-spindlesJan 29, 2017 · Mower Deck Spindle Assembly for John Deere 335 ... The spindle on the left side of the deck has a belt guard on it that needs to be removed in order to reach the grease fitting. 1" Replaces OEM: John Deere GX20571, GX21833, 12461zero turn radius mower table of contents page . Diaphragms. John Deere 185 Parts. Wheel Horse Mower Deck Spindle. 42 Inch Deck Spindle and Belt Drive Assembly.

Murray 690409MA Idler Pulley 2-3/4-Inch Diameter for Lawn Mowers

Murray 690409MA Idler Pulley 2-3/4-Inch Diameter for Lawn Mowers

andalusienmarkt.deKundli - andalusienmarkt.de Mar 24, 2022 · Garden product manuals and free pdf instructions. 36559A 3750 Ref. Loosen the two screw collars with a 1. 5 HP Tecumseh® engine Honda lawn mower carburetor linkage diagram car interior design briggs and stratton governor linkage diagrams honda gx200 6 5 hp sv715 tg 4084 craftsman lawn mower throttle assembly diagram free image result for honda ...

42590A - Murray 42

42590A - Murray 42" Lawn Tractor (1998) Parts Lookup with ...

lifestylee.de › troy-bilt-hydrostatic-drive-belt-diagramlifestylee.de Mar 24, 2022 · TB30T Riding Lawn Mower. Finish by tightening the engine pulley built and Riding Mower Hydrostatic Transmission Belt. Murray lawn mower belt diagram google search zoom troy bilt 42 inch deck diagram drive belt on cut mower mtd lawn mower parts diagram best belts photos blue maize for troy bilt fresh snapshoot.

Murray 42

Murray 42" Deck Rebuild Kit Blades. Spindles, Pulleys, and Belt | eBay

Correct Belt Path for Murray Riding Lawn Mower Cutting ... I show you the Correct Belt Path for Murray Riding Lawn Mower Cutting Deck Model 405014x92.Use my Affiliate links to support my channel at no cost to you: Ge...

Replacing Belts On 1993 Murray Rider Mower PART 1

Replacing Belts On 1993 Murray Rider Mower PART 1

Murray 42" Lawn Tractor | 42544x8B | eReplacementParts.com Need to fix your 42544x8B (1998) 42" Lawn Tractor? Use our part lists, interactive diagrams, accessories and expert repair advice to make your repairs easy.

Murray Riding Mower Belt Diagram Troubleshooting - HubPages

Murray Riding Mower Belt Diagram Troubleshooting - HubPages

M 175-42 - Murray 42" Riding Mower (2013) Parts & Diagrams ... Repair parts and diagrams for M 175-42 - Murray 42" Riding Mower (2013)

Murray Riding Lawn Mower - Model 13B326JC758 | MTD Parts

Murray Riding Lawn Mower - Model 13B326JC758 | MTD Parts

Belt diagram for 42 inch Murray riding mower? - Answers What is the belt diagram for a 42 inch Murray riding mower? How in the heck do you get an answer to the question? This is so dumb. All this site does is send you to another site.

I need the diagram of how to put on the belt for the blades ...

I need the diagram of how to put on the belt for the blades ...

how do I replace the drive belt on a Murray 42590A (42 inch) I own a Murray riding mower Model 42590x92A, 14.5 HP,42" cut, hydrastatic drive. At the beginning of the season, it seemed sluggish on an up-grade so I bought a new Murray drive belt 37x61 and install … read more

13a0771h055 | Outlet www.jardimartimoniz.pt

13a0771h055 | Outlet www.jardimartimoniz.pt

How to Put a Drive Belt on a 42 Inch Murray Riding Mower If you happen to own a Murray riding mower with a 42-inch cutting deck, you enjoy two blades of grass-cutting power stuffed under that moderate-sized deck. If you look at the top of the cutting deck, you will see multiple pulleys and a drive belt that wraps around the pulleys and extends to the front of the mower.

murray 42 Questions & Answers (with Pictures) - Fixya

murray 42 Questions & Answers (with Pictures) - Fixya

Murray 42 inch drive belt diagram - Ask Me Help Desk New Member. Jul 25, 2009, 05:20 PM. Murray 42 inch drive belt diagram. I tried to replace the drive belt and can't get it right can someone please send me a diagram to see how the belt goes. rodney heat. View Public Profile.

Murray 42

Murray 42" Lawn Mower | 42587x50C | eReplacementParts.com

Murray 42 Inch Cut Lawn Tractor | 42561x8B ... Need to fix your 42561x8B (1997) 42 Inch Cut Lawn Tractor? Use our part lists, interactive diagrams, accessories and expert repair advice to make your repairs easy. Please note shipping times may be longer than expected due to carrier delays.

Murray 42 in. Mower Belt 37X88MA

Murray 42 in. Mower Belt 37X88MA

Murray 42" 15.5 HP Riding Mower - Walmart.com Murray 42" 15.5 HP Riding Mower: Powered by a Briggs and Stratton 15.5 HP PowerBuilt Engine with OHV Technology, offering better fuel economy and longer engine life. Best for medium-to-large-sized yards greater than 1 acre with flat, hilly or uneven terrain. Convenient 7-speed shift-on-the-go transmission lets you mow at your own pace without ...

Murray / Noma Blade Drive Belt for 46

Murray / Noma Blade Drive Belt for 46" Deck No. 37X89 ...

Murray Belts - Belts - Exact Replacement - Lawn Mower Parts Murray Belts - Exact Replacement. Nobody wants to break down, when your Murray Lawn Mower belts look worn or cracked trust Jack's to have the exact replacement belts you need. Search by application, or if you know the Murray part number, or model you can match them below.

Drive Belt For A Murray Riding Lawn Mower on Sale, UP TO 57 ...

Drive Belt For A Murray Riding Lawn Mower on Sale, UP TO 57 ...

Amazon.com : Murray 42 Lawn Mower Blade Belt '90-'96 ... This item: Murray 42 Lawn Mower Blade Belt '90-'96 37X75MA. $22.95. In Stock. Ships from and sold by Willard's Small Engines. FREE Shipping. Murray 37x80MA Motion Drive for Lawn Mowers. $36.95. Only 19 left in stock - order soon. Ships from and sold by Willard's Small Engines.

Murray 3 Belt Set Deck & Drive (B5) 37 X 88MA,37 X 112MA,37 X 113MA | eBay

Murray 3 Belt Set Deck & Drive (B5) 37 X 88MA,37 X 112MA,37 X 113MA | eBay

Murray Riding mower 425303x92 Motion belt diagram | Lawn ... Messages. 7,000. Jun 18, 2018. #2. LeeHulcher said: I have a Murray Riding mower 425303x92 that I need to install a new motion belt size 37x112 on. The husband didn't notice the belt layout when he removed it and now we need a diagram. This model has a dual tension pulley on the right hand side. Any help would be so gratefully appreciated, I am ...

SOLVED: Belt routing diagrams for Murray Select 46 inch - Fixya

SOLVED: Belt routing diagrams for Murray Select 46 inch - Fixya

Murray Lawn Tractor Manual Model 42910x92a, Around Track ... Drive belt diagram murray lawn mower image and murray 40508x92g lawn tractor 2003 transmission diagram lawn mower forum murray 42515x92b lawn tractor 2002 parts diagrams murray lawn mower drive belt diagram 40 inch image murray 42 inch riding mower drive belt. We have manuals, guides and of course parts for common 42910X92A problems.

RIDE ON MOWER BLADE BELT FOR 42

RIDE ON MOWER BLADE BELT FOR 42" MURRAY & VIKING MOWERS 37X88 ...

virtual-mode.de › cub-cadet-mower-won-t-startvirtual-mode.de Mar 31, 2022 · Cub cadet mower won t start Animals. Arts and Literature. Earth and Geography. History. Life Processes. Living Things (Other) Philosophy and Religion. Plants.

Murray Lawn Mower Belt - Murray Belts

Murray Lawn Mower Belt - Murray Belts

42 Riding Mower - Murray Power through tall, thick grass with the Murray ® 42" Riding Lawn Tractor powered by a robust Briggs & Stratton 17.50 Gross HP*, 500cc Power Built™ Engine. The Power Built engine features unique OHV (Overhead Valve) technology and a simple-to-maintain design for a more doable, long-lasting engine.

I need a diagram to replace the belt on a murray riding lawn ...

I need a diagram to replace the belt on a murray riding lawn ...

How to Put a Drive Belt on a 42 Inch Murray Riding Mower ... How to Put a Drive Belt on a 42 Inch Murray Riding Mower. If you happen to own a Murray riding mower with a 42-inch cutting deck, you enjoy two blades of gra...

MURRAY 405004X99 RIDING MOWER ILLUSTRATED PARTS LIST | Manualzz

MURRAY 405004X99 RIDING MOWER ILLUSTRATED PARTS LIST | Manualzz

need diagram to install belt on Murray riding mower - iFixit tw1276, you did not tell us if you are looking for the drive belt or the mower belt. Both images are attached. Hope this helps, good luck Mower diagram Drive Diagram - Murray Riding Mower

SOLVED: need diagram for belt insallation on riding mower ...

SOLVED: need diagram for belt insallation on riding mower ...

MURRAY 96014000100 INSTRUCTION BOOK Pdf Download | ManualsLib

MURRAY 96014000100 INSTRUCTION BOOK Pdf Download | ManualsLib

42 Riding Mower

42 Riding Mower

Belt diagram for murray LT wide body riding mower 18.5 hp 3 ...

Belt diagram for murray LT wide body riding mower 18.5 hp 3 ...

1696441-00 Murray - 42

1696441-00 Murray - 42" Mower Deck (2015) - PartsWarehouse

8TEN Deck Belt for Murray 46 inch Deck 461000x71A 461004x92A 46102x6A Lawn  Tractors 037X96MA 37X96 37X96MA

8TEN Deck Belt for Murray 46 inch Deck 461000x71A 461004x92A 46102x6A Lawn Tractors 037X96MA 37X96 37X96MA

Riding Mower 42-inch Deck Belt - Original Equipment Genuine Part (OEM)

Riding Mower 42-inch Deck Belt - Original Equipment Genuine Part (OEM)

SOLVED: Changing riding lawnmower belt on a murray mower - Fixya

SOLVED: Changing riding lawnmower belt on a murray mower - Fixya

13at604g755 | Outlet www.kilianjornetfoundation.org

13at604g755 | Outlet www.kilianjornetfoundation.org

SOLVED: Need a diagram of the drive belt installation ...

SOLVED: Need a diagram of the drive belt installation ...

Murray 42L18G60X8A - 96042005604, 18.5HP 42

Murray 42L18G60X8A - 96042005604, 18.5HP 42" Lawn Tractor ...

MURRAY 309007X8B INSTRUCTION BOOK Pdf Download | ManualsLib

MURRAY 309007X8B INSTRUCTION BOOK Pdf Download | ManualsLib

42 Riding Mower

42 Riding Mower

Murray 42 in. Tractor Deck Belt HD37X88MA

Murray 42 in. Tractor Deck Belt HD37X88MA

Replacement motion belt for Murray Widebody LT 17.5 hp 46 ...

Replacement motion belt for Murray Widebody LT 17.5 hp 46 ...

MTD 13AO785S058 (2013) M195-42 (2013) Parts Diagram for Mower ...

MTD 13AO785S058 (2013) M195-42 (2013) Parts Diagram for Mower ...

Murray Lawn Mower Deck Belt Arrangement

Murray Lawn Mower Deck Belt Arrangement

42560X52A - KRAMP

42560X52A - KRAMP

Murray 42583X9A User Manual LAWN MOWER 16.5 H.P. 42 Manuals ...

Murray 42583X9A User Manual LAWN MOWER 16.5 H.P. 42 Manuals ...

0 Response to "41 murray 42 inch riding mower drive belt diagram"

Post a Comment

Iklan Atas Artikel

Iklan Tengah Artikel 1

Iklan Tengah Artikel 2

Iklan Bawah Artikel