Iklan 300x250

39 3 position rotary switch wiring diagram

3 Position Rotary Switch Wiring Diagram | Wiring Diagram Image 3 Position Rotary Switch Wiring Diagram -Encouraged to help our blog, on this occasion I will demonstrate in relation to 3 position rotary switch wiring diagramAnd after this, this is the first image: 3 Position Selector Switch Wiring Diagram Fresh Wiring Diagram for A from 3 position rotary switch wiring diagram , source:sixmonthsinwonderland.com How to Wire Rotary Switches - Hunker Step 2 Prepare the wire ends for the rotary switch. If the wires solder to the rotary switch terminals, remove 1/4 inch of each wire's insulation with wire strippers. In all other cases, install the proper terminal connector on each wire. Step 3 Attach the power supply wire to the rotary switch's input terminal.

3 Speed Rotary Switch Wiring Diagram, Direction Power ... Eaton Wiring Manual 06/11 4-4 4 4 Circuit diagram example for maintenance switches with a load shedding contact and or switch position indicator T0 3 -3-15683 maintenance switch T0 3 -3-15683 circuit symbol Function Load shedding, When switching on, the main current contacts close first, then the contactor is activated via the late-make N/O. HQRP 4-Position 3-Speed Rotary Switch with Knob, 4 ...

3 position rotary switch wiring diagram

3 position rotary switch wiring diagram

rotary switch wiring diagram guitar - IOT Wiring Diagram Rotary Switch Listrik Diagram Pengkabelan Gambar Png. Craig S Giutar Tech Resource Wiring Diagrams. Six way rotary switch for two 3x humbucker 6 kill wiring diagram electrical help with 3 position kit paul reed smith stewmac mod garage a prs style pickup selector 2 pole 4 telecaster guitar cartoon png 998 827 beavis audio research humbuckers ... 3 Position Selector Switch Wiring - Wiring World 3 position selector switch wiring. Every 90 mm / 3.54 in. 4 Position 3 speed Fan Selector rotary switch with Knob. Uxcell 3P3T 3 Pole 3 Position 1-Deck Band Channel Rotary Switch Selector with Knob. Click diagram image to open/view full size version. A seperate on/off switch would be wired in seried with the speed selector. 3-Position Rotary Switch - The Gear Page Silver Supporting Member Messages 31,004 Jul 4, 2017 #4 You don't need the extra poles electrically but in the rotary wafer switch format, 3 positions are easier to find in 4 pole format than 2. You only need to wire up two of the poles and can leave the others disconnected. massacre massacre Gold Supporting Member Messages 5,148 Jul 4, 2017 #5

3 position rotary switch wiring diagram. 2 Pole Rotary Switch Wiring Diagram - U Wiring 16 position rotary switch wiring diagram wiring diagram database. A complete guide of ammeter selector switch wiring diagram or rotary switch wiring diagram for 3 phase system load testing. Some rotary switches have labels stamped into the housing next to the terminals. Here a 2-way push-button switch is wired to a lamp with 2 bulbs. how to wire a 3 position rotary switch - Irish Connections B3200 Rotary Switches Blender 4 Position Air Cooler Fan. Help with 3 position rotary switch victorshome changeover lw28 20 alpha 4 pole taiss universal six way for two the gear page srbm series basic information how does this work wiring diagram electrical selector switches and cam apiele 20a desktop aviator 2 63a baomain b3200 blender untitled h positions sd fan to use a cmp metal anti vandal ... 4 Position 3 Speed Fan Selector Rotary Switch Wiring Diagram rotary switch wiring diagram in 3 function selector for zero, diagram pole position rotary switch wiring toggle changeover 2 top notch for three, 3 position selector transfer wiring diagram and quality in rotary 2, wiring diagrams stoves switches and thermostats macspares at some stage in diagram for thermostat on rotary switch 9, 3 pole four. 4 … Clipsal 3 Position Switch Wiring Diagram - U Wiring 3 position rotary switch wiring diagram. 3 pin relay wiring diagram. Many of us didnt realise what had hit us when we scrambled to adjust to the sudden upheaval of the workplace switching to remote work with little or no preparation or deemed an essential worker and asked to continue business-as-usual in highly unusual circumstances.

Rotary Cam 3 Position Rotary Switch Wiring Diagram 2a is a 3 pole 4 way switch. 25a rated insulation voltage. These contain two or more input terminals called poles. The poles are the three legs in the centre and the ways are the legs around the outside. Cam operated rotary switches cam operated rotary switches 2 3 5. Diagram free files related file of 3 position rotary cam switch wiring diagram. Looking Good 3 Phase Rotary Switch Wiring Diagram Starter ... A rotary switch connects several devices to an electric source. 3 phase disconnect switch wiring diagram collections of wiring diagram rotary isolator switch refrence wiring diagram for. It shows the elements of the circuit as simplified shapes as well as the power and signal links in between the devices. Gibson EB3 4 position rotary switch wiring diagrams ... May 30, 2014. I searched the web looking for a wiring diagram for a 4 position 3 pole switch in order to fabricate a wiring harness like the ones that were used in the EB3's in the 1970's. I found 4 different diagrams. The photo is of diagram #1. Attached Files: PDF Changeover Switch Wiring Diagram 3 Phase Manual Changeover Switch Wiring Diagram || Generator Transfer Switch RV Solar Power: How to Install an Automatic Transfer Switch to a Solar Inverter How to do rotary cam changeover switch wiring connection in Urdu and Hindichangeover switch easy connection with diagram for generator in Urdu hindi How to Wire a Distribution Board ...

3 position selector switch wiring diagram - IOT Wiring Diagram Nov 19, 2021 · Neutral Position Of A 3 Pos Selector Switch Autodesk Community Electrical. Hqrp Rotary Switch 4 Position 3 Sd 120v 250v 10a Fan Heater Selector Online In An B071xwb3lb. Rotary Switch Wiring Diagram Electrical Wires Cable Switches Png 998x827px Area Circuit. Wiring Diagram Required For Rotary Cam Changeover Switch Boat Equipment Canal World. 3 Position Push Pull Switch Wiring Diagram 48++ Images ... Nov 15, 2021 · You get the 5 standard settings from your switch when the push/pull pot is in the down position, but in the up position, the humbuckers are tapped to single coils. 3 pin push button switch wiring diagram. This solves the problem at the middle position of the selector switch, in which turning down one volume control affects both pickups. Ammeter. 3 Position Rotary Switches | INDAK Switches Rotary Switches: 3 Position Rotary Switches Part Number Switch Type Bushing Type: Terminal Type Connector Type PE # Circuits Made: Note/ Shaft Codes Thread Length Pos. 1 Pos. 2 Pos. 3 H753A Wiper 7/16-28 .285" PE(4) PE 56 G+R B+G+R B+R 1/S1 J753A Blower 7/16-28 .285" PE(3) PE 56 None B+L 4 Position 3 Speed Fan Selector Rotary Switch Wiring Diagram There are different types of 3-speed/four wire switches. ALWAYS photograph switch wiring 2) Each 3-speed fan switch has only one wire that connects to Hot wire. power to Hot wire. Let's say switch is in off position. In basic diagram, there are four wires that connect to the motor: Neutral and 3 Hots. Note which wires.Jump to Index.

20A Lw26-20 3p Hot Selling Cheap Salzer 3 Position Rotary Cam ...

20A Lw26-20 3p Hot Selling Cheap Salzer 3 Position Rotary Cam ...

4 Pole 3 Position Rotary Switch Wiring Diagram - Wire How to do 2 position and 12 terminal rotary changeover switch wiring. 4 position rotary switch wiring diagram premium 5 way rotary switch wiring diagram prs tearing. To make this circuit work a 3 way dimmer can be used in place of one or both of the standard 3 way switches. This is the wiring for a dimmer in a 4 way circuit.

How to a rotary switch Connection , selector switch Connection , #Rotary  #selector #Switch #Wiring

How to a rotary switch Connection , selector switch Connection , #Rotary #selector #Switch #Wiring

4 Wiring Switch Diagram Rotary Position [I95DVA] Search: 4 Position Rotary Switch Wiring Diagram

3 Position switch - how does this work? | Electronics Forums

3 Position switch - how does this work? | Electronics Forums

Tower Mfg Corp Rotary Switch Wiring Diagram 4 Position 3 speed Fan Selector rotary switch with Knob The best option is always to use a verified and accurate tower mfg corp rotary switch wiring diagram that's provided from a trusted source. A good, expected company that has a long track baby book of providing the most up-to-date wiring diagrams comprehensible is not difficult to find.

guitar tone comparison - basic rotary switch wiring tutorial

guitar tone comparison - basic rotary switch wiring tutorial

Wiring Diagram For 3 Way Selector Switch - Wiring Diagram Line Fender Three Way Pickup Selector Switch 0992041000 Wiring Diagram Required For Rotary Cam Changeover Switch Boat Equipment Canal World Rotary Switch Wiring Diagram Electrical Wires Cable Switches Png 998x827px Area Circuit Custom Pj Bass Wiring Series Parallel Switch 3 Way Selector Talkbass Com

Electrical Rotary Switches, 3 positions Rotary Switches ...

Electrical Rotary Switches, 3 positions Rotary Switches ...

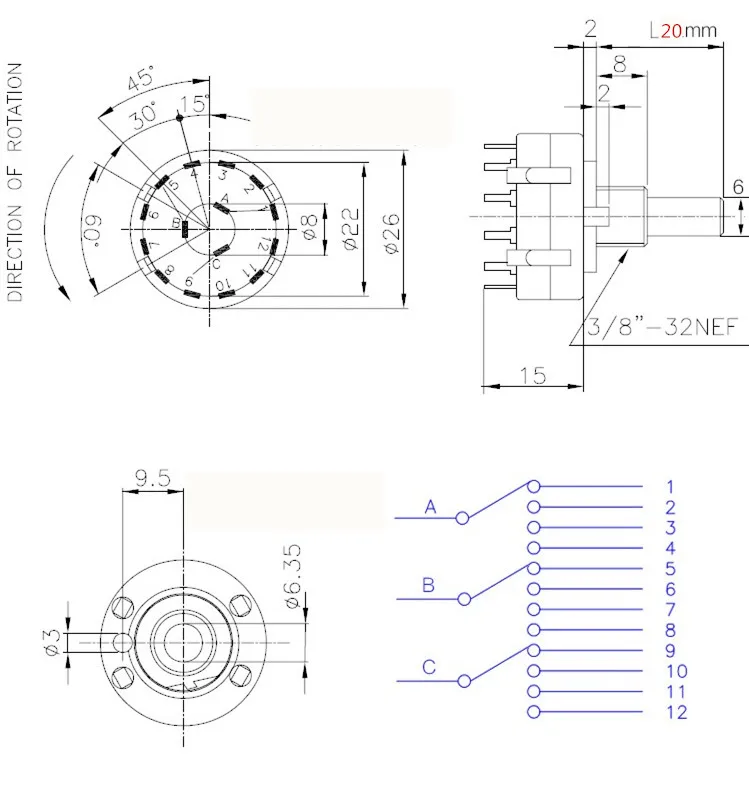
Rotary Switch Sss Series Wiring Diagram A rotary switch is a switch in which the contacts are changed when the spindle is rotated in either a clockwise or an anticlockwise direction. See Fig. 1a for a picture of a rotary switch, and Fig. 1a A typical Rotary Switch Fig. 1b Circuit diagram for one pole of a 3 pole 4 way switch In.

Baomain Universal Rotary Changeover Switch SZW26-63 660V 63A ...

Baomain Universal Rotary Changeover Switch SZW26-63 660V 63A ...

5 way switch wiring diagram pdf - United States Tutorials ... 5 Way Switch Wiring Diagram - 5 way rotary switch wiring diagram, 5 way super switch wiring diagrams, 5 way switch wiring diagram, Every electrical structure is composed of various unique parts. Each component ought to be placed and connected with different parts in specific… Strat Wiring Diagram 5 Way Switch. December 9, 2019 by Norman.

1pc Rs26 3p4t 3 Pole 4 Position Selectable Band Rotary ...

1pc Rs26 3p4t 3 Pole 4 Position Selectable Band Rotary ...

PDF 3 Position Rotary Switch Wiring Diagram - sentry.wikiedu.org 3 Position Rotary Switch Wiring Diagram Recognizing the quirk ways to get this books 3 Position Rotary Switch Wiring Diagram is additionally useful. You have remained in right site to begin getting this info. get the 3 Position Rotary Switch Wiring Diagram join that we find the money for here and check out the link.

Rotary Switch Wiring Diagram, 3 Pole, 4 Way | justanoldguy41

Rotary Switch Wiring Diagram, 3 Pole, 4 Way | justanoldguy41

3-Position Rotary Switch - The Gear Page Silver Supporting Member Messages 31,004 Jul 4, 2017 #4 You don't need the extra poles electrically but in the rotary wafer switch format, 3 positions are easier to find in 4 pole format than 2. You only need to wire up two of the poles and can leave the others disconnected. massacre massacre Gold Supporting Member Messages 5,148 Jul 4, 2017 #5

Rotary Switch Wiring Diagram, 3 Pole, 4 Way | justanoldguy41

Rotary Switch Wiring Diagram, 3 Pole, 4 Way | justanoldguy41

3 Position Selector Switch Wiring - Wiring World 3 position selector switch wiring. Every 90 mm / 3.54 in. 4 Position 3 speed Fan Selector rotary switch with Knob. Uxcell 3P3T 3 Pole 3 Position 1-Deck Band Channel Rotary Switch Selector with Knob. Click diagram image to open/view full size version. A seperate on/off switch would be wired in seried with the speed selector.

3-Position Rotary Switch | The Gear Page

3-Position Rotary Switch | The Gear Page

rotary switch wiring diagram guitar - IOT Wiring Diagram Rotary Switch Listrik Diagram Pengkabelan Gambar Png. Craig S Giutar Tech Resource Wiring Diagrams. Six way rotary switch for two 3x humbucker 6 kill wiring diagram electrical help with 3 position kit paul reed smith stewmac mod garage a prs style pickup selector 2 pole 4 telecaster guitar cartoon png 998 827 beavis audio research humbuckers ...

Rotary Switch 4-Position 3-Speed 13A-125V 10A-250V Fan Heater Speed  Selector, 2pcs (Type A)

Rotary Switch 4-Position 3-Speed 13A-125V 10A-250V Fan Heater Speed Selector, 2pcs (Type A)

Ammeter Switch, 3 Phase 4 Wire 3 Current Transformer Rotary ...

Ammeter Switch, 3 Phase 4 Wire 3 Current Transformer Rotary ...

VictorsHome Changeover Switch LW28-20 3 Positions 8 Terminals Universal  Rotary Cam Selector Latching Switches 550V 20A

VictorsHome Changeover Switch LW28-20 3 Positions 8 Terminals Universal Rotary Cam Selector Latching Switches 550V 20A

Untitled

Untitled

ElectroniCity) Wafer & Ceramic Rotary Switch Wiring Diagram ...

ElectroniCity) Wafer & Ceramic Rotary Switch Wiring Diagram ...

3 Position Rotary Switch - China Rotary Switch, Lgswitch ...

3 Position Rotary Switch - China Rotary Switch, Lgswitch ...

B3200 Rotary Switches,Blender Rotary Switches,4 Position ...

B3200 Rotary Switches,Blender Rotary Switches,4 Position ...

Euro Pound Sterling US Dollar agincoat Store 0 $0.00 Your ...

Euro Pound Sterling US Dollar agincoat Store 0 $0.00 Your ...

2 Position 63A Rotary Switch 3 Pole/4 Pole | ATO.com

2 Position 63A Rotary Switch 3 Pole/4 Pole | ATO.com

3 Position Rotary Switch Wiring Diagram | Prs guitar, Guitar ...

3 Position Rotary Switch Wiring Diagram | Prs guitar, Guitar ...

BLUE SEA SYSTEMS AC Source Selection Rotary Switch Panels ...

BLUE SEA SYSTEMS AC Source Selection Rotary Switch Panels ...

AC Source Selection Rotary Switch Panels

AC Source Selection Rotary Switch Panels

DPTT rotary switch schematic | HACK A WEEK

DPTT rotary switch schematic | HACK A WEEK

Buy HQRP Rotary Switch 4-Position 3-Speed 120V-250V, 10A Fan ...

Buy HQRP Rotary Switch 4-Position 3-Speed 120V-250V, 10A Fan ...

Tuowei 3410-42a Rotary Limit Switch Supplier 4a~120v 3(2)a ...

Tuowei 3410-42a Rotary Limit Switch Supplier 4a~120v 3(2)a ...

six way rotary switch for two singlecoils or one humbucker

six way rotary switch for two singlecoils or one humbucker

HELP!] wiring P/J with a 4 position 3 pole rotary switch ...

HELP!] wiring P/J with a 4 position 3 pole rotary switch ...

Tom's Way: Tom's Way - Rotary Switch Help

Tom's Way: Tom's Way - Rotary Switch Help

Wiring Diagram | Guitar chords and lyrics, Guitar education ...

Wiring Diagram | Guitar chords and lyrics, Guitar education ...

1 Humbucker/1 Volume/1 Tone/5-Way Rotary Switch

1 Humbucker/1 Volume/1 Tone/5-Way Rotary Switch

Rotary Switch 3 Poles 3 Position Evatco for all you Amp Parts ...

Rotary Switch 3 Poles 3 Position Evatco for all you Amp Parts ...

10pcs,1 Pole 10 Position Custom Wiring Rotary Switch 1p10t ...

10pcs,1 Pole 10 Position Custom Wiring Rotary Switch 1p10t ...

VictorsHome Changeover Switch SYW28-20 4 Positions 8 Terminals Universal  Rotary Cam Selector Latching Switches 550V 20A

VictorsHome Changeover Switch SYW28-20 4 Positions 8 Terminals Universal Rotary Cam Selector Latching Switches 550V 20A

Help with 3 position rotary switch | Squier-Talk Forum

Help with 3 position rotary switch | Squier-Talk Forum

3 Position Rotary Switch - China Rotary Switch, Lgswitch ...

3 Position Rotary Switch - China Rotary Switch, Lgswitch ...

2 Humbuckers with 5 Way Rotary Switch Wiring Diagram ...

2 Humbuckers with 5 Way Rotary Switch Wiring Diagram ...

Gibson EB3 4 position rotary switch wiring diagrams ...

Gibson EB3 4 position rotary switch wiring diagrams ...

3 Pole 4 Position Rotary Switch

3 Pole 4 Position Rotary Switch

3 Position Rotary Switch Wiring Diagram | Prs guitar, Guitar ...

3 Position Rotary Switch Wiring Diagram | Prs guitar, Guitar ...

0 Response to "39 3 position rotary switch wiring diagram"

Post a Comment

Iklan Atas Artikel

Iklan Tengah Artikel 1

Iklan Tengah Artikel 2

Iklan Bawah Artikel