Iklan 300x250

38 sabre lawn mower parts diagram

Sabre Parts at Jack's - Lawn Mower Parts Find all the Sabre Parts and Accessories you need, with fast shipping and low prices! Jacks works best with JavaScript enabled Learn More Please leave us a message! Close Loading ... JACKS SMALL ENGINES HAS JOINED THE NORTHERN TOOL FAMILY! Learn More » Order Status Get Support 1-877-737-2787 Hours of Operation M-F 9AM-6PM ET Sat 9AM-5PM ET John Deere Parts Lookup -SABRE: 1338G/1538H ... - Weingartz Estimated shipping time is 7 days, we apologize for the inconvenience. Lawn mowers in stock. Maximize your mowing experience with these world-class machines. I ...

Sabre Lawn Mower Belts - Jacks Small Engines Specs: Type: Covered Width: 1/2" Length: 96 1/2" Application: Deck Fits Model: CUB CADET : LT1040 and LT1042, 42" decks; for 18 and 19 HP engines JOHN DEERE : STX38 MTD : Deck assembly "G" 2005 with 42" decks SABRE : 1438, 1538, 1542, 1642, 1646, 1742 Replaces OEM: Cub Cadet : 95404060B Cub Cadet : 75404060B Cub Cadet : 75404060 Cub Cadet : 95404060 Cub Cadet : 75404060A Cub Cadet : 95404060A ...

Sabre lawn mower parts diagram

Sabre lawn mower parts diagram

Sabre Lawn Tractors -PC2713 - John Deere Parts Lookup During this time pricing and add to cart will not be available. Lawn mowers in stock. Maximize your mowing experience with these world-class machines I like the easiness of ordering from your site. It indicates what items are in stock and the parts diagrams have easy access. Shipments are always on time. - Chuck B. ARIMain - WEINGARTZ - lawn mower parts MOWER DECK 38" 97CM: MOWER DECK & LIFT LINKAGE. Sabre 1438 Lawn Tractor -PC2675. SABRE-LAWN-TRACTORS Parts Diagram sabre-lawn-tractors parts diagram. 14.542gs sabre lawn tractor; 1438gs and 1438hs sabre, 1438gs europro lawn tractor; 15.538gs, 15.538hs sabre and 1538hs europro lawn ...

Sabre lawn mower parts diagram. Sabre 2048HV front-engine lawn tractor parts | Sears PartsDirect Model #2048HV Sabre lawn tractor. Here are the diagrams and repair parts for Sabre 2048HV lawn tractor, as well as links to manuals and error code tables, if available. Continue reading. There are a couple of ways to find the part or diagram you need: Click a diagram to see the parts shown on that diagram. In the search box below, enter all or part of the part number or the part’s name. Sabre riding mowers tractors parts | Sears PartsDirect Sabre riding mowers & tractors parts Looking for replacement parts for your Sabre riding mowers & tractors? Find your model below or simply search for it at the top! Don't forget that we also have manuals and installations for most models to help you with your repair. Models (15) Showing 1 - 15 of 15 Sabre 15538G lawn tractor 552 parts Shop parts John Deere Parts Lookup -2046HV SABRE LAWN TRACTOR John Deere Parts Lookup -John Deere-2046HV SABRE LAWN TRACTOR. ... It indicates what items are in stock and the parts diagrams have easy access. SABRE John Deere :: AVS.Parts CV490S - SABRE CCE. EUROPRO - SABRE CCE. M10 - SABRE CCE. M21 - SABRE CCE. M23 - SABRE CCE. SABRE - SABRE CCE. parts diagram catalog sale online construction equipment excavator tractor.

John Deere Riding Mower Parts Lookup by Model See: Ariens exploded parts diagrams. We sell parts & accessories for your Briggs & Stratton equipment. ... Lawn Mowers » Leaf Blowers » ... Sabre 1546G. Sabre 1638H. Sabre 1642H. Sabre 1646H. Sabre 1742H. Sabre 1846H. Sabre 2046H. Sabre 2254H. Sabre 2354H. Sabre 2554H. SRX75. SRX95. Scotts Lawn & Garden Tractors Parts with Diagrams - PartsTree Parts lookup and repair parts diagrams for outdoor equipment like Toro mowers, Cub Cadet tractors, Husqvarna chainsaws, Echo trimmers, Briggs engines, etc. Amazon.com: sabre lawn tractor parts 1-16 of 21 results for "sabre lawn tractor parts" RESULTS Price and other details may vary based on product size and color. Podoy 496894 Air Filter for Compatible with Briggs Stratton 496894S 493909 Pre Filter 272403 272403S Craftsman Lawn Mower Air Filter Replacement 298 $9 48 Get it as soon as Wed, Mar 30 Basic Wiring Diagram for all Garden Tractors using a ... Here is a basic wiring diagram that applies to all Vintage and Antique Lawn and Garden Tractors using a Stator Charging System and a Battery Ignition System. We did our best to keep this as simple and as easy to understand as possible. This applies to all old Cub Cadet, Ford, Jacobsen, John Deere, Wheel Horse, Case, and Simplicity Garden Tractors.

Sabre 1538 front-engine lawn tractor parts | Sears PartsDirect Sabre 1538 front-engine lawn tractor parts - manufacturer-approved parts for a proper fit every time! We also have installation guides, diagrams and manuals to help you along the way! TractorData.com - Sabre lawn tractors sorted by model Sabre was a economy line of lawn equipment produced by Deere & Company from 1995 until 2002. Many of the same equipment was also sold under the Scotts brand name. The tractors were sold in large retailers including Home Depot and Sears. In 2003, the Sabre line was discontinued and replaced with the Deere-branded L100 series. John Deere Sabre 1646H Parts Diagrams John Deere Sabre 1646H Parts Diagrams. SWIPE SWIPE. Belts. Clutch, Transmission & PTO Components. JavaScript Disabled - Unable to show Cart. Parts Lookup - Enter a part number or partial description to search for parts within this model. There are (4) parts used by this model. Found on Diagram: Belts. Sabre Tractor Service/Repair Manuals - Tradebit John Deere Sabre 14.542GS, 1642HS, 17.542HS Mower Lawn Tractor Complete Workshop Service Repair Manual. John Deere Sabre 38 & 46 inch 1338 1538 15538 1546 1638 1646 Lawn Tractor TMGX10131 Service Repair Workshop Manual Download PDF. John Deere Sabre 1948GV-HV, 2148HV, 2354HV, 2554HV Yard & Garden Tractor TM1841 Service Repair Workshop Manual ...

John Deere Sabre 1742 Lawn Tractor -PC2804 SHIFTER: POWER ...

John Deere Sabre 1742 Lawn Tractor -PC2804 SHIFTER: POWER ...

Amazon.com: john deere sabre parts 1-16 of over 1,000 results for "john deere sabre parts" RESULTS Amazon's Choice boeray Lawn Mower Spindle Assembly for John Deer GY20050 GY20785 L100 L107 L108 L110 L120 L130 GX20250 with 1067mm 42 inch and 1912mm 48 inch Deck with 4 Tapped Bolts 159 $32 99 Get it as soon as Tue, Apr 19 FREE Shipping by Amazon

Countax K SERIES K1850 Lawn Tractor 2007 (2007) Parts Diagram ...

Countax K SERIES K1850 Lawn Tractor 2007 (2007) Parts Diagram ...

Sabre 1646 HYDRO GXSABRE front-engine lawn tractor parts ... Sabre 1646 HYDRO GXSABRE front-engine lawn tractor parts - manufacturer-approved parts for a proper fit every time! We also have installation guides, diagrams and manuals to help you along the way!

HOOD AND RADIATOR GRILLE SCREENS [B14] - TRACTOR, LAWN John ...

HOOD AND RADIATOR GRILLE SCREENS [B14] - TRACTOR, LAWN John ...

Sabre Belts - Jacks Small Engines Sabre Belts. We can supply quality replacement Sabre Belts for your Sabre outdoor equipment repair or maintenance project. You can shop for replacement Sabre belts 2 ways below, either search by Belt Size if you know the belt length and belt width you need, or search for the exact replacement Sabre Belt using your original Sabre belt part number.

Starter Trouble on JD Saber lawn tractor

Starter Trouble on JD Saber lawn tractor

SABRE | Lawn Tractor Parts : John Deere - Craftsman ... By Lawn Tractor Parts Posted in Sabre Posted on July 26, 2015 Stens 265-910 Belt Replaces John Deere M74747 Sabre M74747 105-Inch by-1/2-inch [wrp asin="B001OK8PIO"] Length 105-inch Width-1/2-inch Made to OEM specs Stens carries a wide variety of OEM / aftermarket replacement parts for small engine outdoor power equipment.

John Deere Steering Problems

John Deere Steering Problems

PDF John Deere Sabre Lawn Mower Repair Manual The John Deere Sabre line of lawn mowers very often causes confusion and consternation among both lawnmower enthusiasts and among John Deere fans who don't like the Sabre range of mowers manufactured and produced by JD. John Deere Sabre - Tractor Review Designed for comfort, convenience and performance, John Deere lawn tractors are the go-to ...

John Deere Sabre 1438GS Ride On Mower With 42 Deck

John Deere Sabre 1438GS Ride On Mower With 42 Deck

John Deere Parts Lookup -1642HS (2002) AND 1742HS ... John Deere - 1642HS (2002) AND 1742HS (2002) SABRE LAWN TRACTORS · ELECTRICAL · ENGINE (1642HS) GU20037 · ENGINE (1742HS) GU20229 · FUEL AND AIR · LABELS · MOWER DECK ...

X590 Owner Information | Parts & Service | John Deere US

X590 Owner Information | Parts & Service | John Deere US

1842GV, 1842HV, 1848GV and 1848HV Sabre Yard Tractors Lawn mowers in stock. Maximize your mowing experience with these world-class machines. I like the easiness of ordering from your site.

Pin on John Deere Sabre Riding Mower

Pin on John Deere Sabre Riding Mower

John Deere Sabre 2046H Parts Diagrams - Lawn Mower Parts John Deere Sabre 2046H Parts Diagrams. SWIPE SWIPE. Belts. JavaScript Disabled - Unable to show Cart. Parts Lookup - Enter a part number or partial description to search for parts within this model. There are (1) parts used by this model. Found on Diagram: Belts.

John Deere Sabre Lawn Tractor - The Repair Manual

John Deere Sabre Lawn Tractor - The Repair Manual

Scotts Lawn Tractor Parts Diagram | Tractor Parts Diagram ... john deere sabre parts diagram is among the most photos we found on the online from reliable resources. We decide to explore this john deere sabre parts diagram pic here just because according to data from Google engine, It is one of many best queries keyword on the internet. And that we also consider you arrived here

John Deere Sabre Parts 1646 46 Mowing Lawn Mower Deck 46 Inch ...

John Deere Sabre Parts 1646 46 Mowing Lawn Mower Deck 46 Inch ...

John Deere Parts Lookup -1742GS AND 1742HS (2000-2001 ... John Deere - 1742GS AND 1742HS (2000-2001) SABRE LAWN TRACTORS (1742PR) · ELECTRICAL · ENGINE GU10247, GU10295, GU10344 · FUEL AND AIR · LABELS · MOWER DECK AND LIFT ...

John deere sabre Gx 46

John deere sabre Gx 46" cut deck ( no shipping pick up lewisburg , ohio 45338) | eBay

2354HV - GreenPartStore Sabre; 2354HV; 2354HV. Products [72] Sort by: 1 2 Next Page View All. Quick View. 3-Way HitchPlate and Towing Ball - GV175 (1) $23.95. Usually available. Add to Cart. Quick View. Clean Machine Non-Stick Mower Protectant - GV130 (8) $8.95. Not for Sale. Quick View. Good Vibrations Grass Hawk Dual-Bladed Mower Scraper - GV160 ...

John Deere Sabre Lawn Tractor 14542GS, 1642HS and 17542HS Service Manual

John Deere Sabre Lawn Tractor 14542GS, 1642HS and 17542HS Service Manual

ARIMain - GREENPARTS John Deere Parts Diagrams, John Deere 1846HV AND 1846HMS SABRE LAWN TRACTOR. ELECTRICAL. ENGINE (18 HP - HMS) ENGINE (18 HP - HV) FUEL AND AIR (18 HP - HMS) FUEL AND AIR (18 HP - HV) MOWER DECK AND LIFT LINKAGE. POWER TRAIN (HYDRO) STEERING AND BRAKES.

John Deere sabre 2048hv 2254HV, 2554HV Parts diagram Service ...

John Deere sabre 2048hv 2254HV, 2554HV Parts diagram Service ...

Sabre - GreenPartStore John Deere Accessories and Other Parts; John Deere Attachments; John Deere Lawn and Garden Tractor Parts; John Deere Lawn Tractor Parts; John Deere Zero Turn Mower Parts

Sabre Lawn Mower Parts Online Store, UP TO 65% OFF ...

Sabre Lawn Mower Parts Online Store, UP TO 65% OFF ...

Sabre and Scotts Mower Parts - ShopGreenDealer John Deere Lawn Mower Parts; Sabre & Scotts Mower Parts; Sabre & Scotts Mower Parts. Products [49] Sort by: 1 2 3 Next Page View All. Quick View. John Deere Snow Blade Runners (4) $41.08. Add To Cart. Quick View. 54 Inch Deck Gator Mulcher G6 Blade Set (3 Blades) ...

John Deere Sabre Lawn Tractors 1338 1538 1546 1638 Service Manual

John Deere Sabre Lawn Tractors 1338 1538 1546 1638 Service Manual

Sabre Lawnmower Parts for sale - eBay SABRE Parts Catalog For 1742GS & 1742HS PC2804 $25.00 Free shipping Sabre 14.5/38 Gear by John Deere Lawn Tractor Stack Pulley Bolt 19H3837 $7.49 Free shipping SPONSORED John Deere Mower, LA110, SABRE 1438HS Governor Linkage P# M142820 $14.85 $9.95 shipping SPONSORED Seat support mount bracket Sabre 1438 by John Deere 38" lawn tractor S4D $19.95

TRANSMISSION, REAR WHEELS [B11] - TRACTOR, LAWN John Deere ...

TRANSMISSION, REAR WHEELS [B11] - TRACTOR, LAWN John Deere ...

John Deere Parts Diagrams, John Deere Sabre 1742 Lawn Tractor ... Buy Genuine OEM John Deere parts for your John Deere Sabre 1742 Lawn Tractor -PC2804 and ship today! Huge in-stock inventory of OEM John Deere parts. Order Today, Ships Today! ... John Deere Parts Diagrams, John Deere Sabre 1742 Lawn Tractor -PC2804 . BATTERY: ELECTRICAL. BELT DRIVE & IDLERS: POWER TRAIN GEAR GU10327.

Buy Partman Carburetor Fit for John Deere AM129925 LT166 ...

Buy Partman Carburetor Fit for John Deere AM129925 LT166 ...

17.542HS Sabre Lawn Tractor - John Deere Parts Lookup Lawn mowers in stock. Maximize your mowing experience with these world-class machines. I like the easiness of ordering from your site.

John Deere Sabre RIDING LAWN MOWER Tutorial HOW TO START and maintenance

John Deere Sabre RIDING LAWN MOWER Tutorial HOW TO START and maintenance

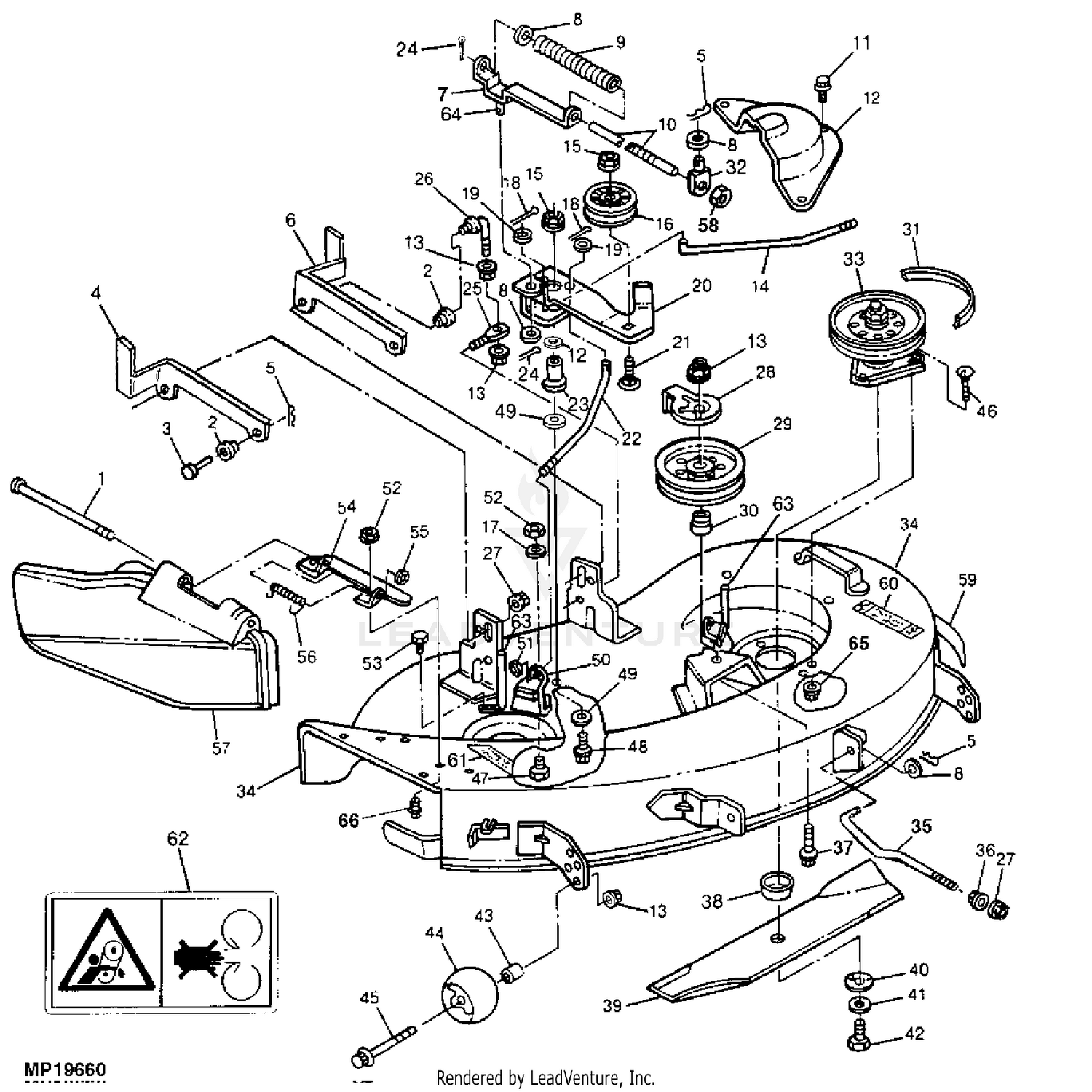
SABRE-LAWN-TRACTORS Parts Diagram sabre-lawn-tractors parts diagram. 14.542gs sabre lawn tractor; 1438gs and 1438hs sabre, 1438gs europro lawn tractor; 15.538gs, 15.538hs sabre and 1538hs europro lawn ...

X739 Owner Information | Parts & Service | John Deere US

X739 Owner Information | Parts & Service | John Deere US

ARIMain - WEINGARTZ - lawn mower parts MOWER DECK 38" 97CM: MOWER DECK & LIFT LINKAGE. Sabre 1438 Lawn Tractor -PC2675.

TMGX10238 - John Deere Sabre 1438, 1542, 15542, 1642, 1646 ...

TMGX10238 - John Deere Sabre 1438, 1542, 15542, 1642, 1646 ...

Sabre Lawn Tractors -PC2713 - John Deere Parts Lookup During this time pricing and add to cart will not be available. Lawn mowers in stock. Maximize your mowing experience with these world-class machines I like the easiness of ordering from your site. It indicates what items are in stock and the parts diagrams have easy access. Shipments are always on time. - Chuck B.

John Deere 1438 1538 1542 15.538 15 542 1642 1646 1742 1846 ...

John Deere 1438 1538 1542 15.538 15 542 1642 1646 1742 1846 ...

John Deere SABRE: 1338G/1538H/1546G/1638H/1648H EUROPRO ...

John Deere SABRE: 1338G/1538H/1546G/1638H/1648H EUROPRO ...

John Deere SABRE 1538 LAWN TRACTORS -PC2676 MOWER DECK 38 ...

John Deere SABRE 1538 LAWN TRACTORS -PC2676 MOWER DECK 38 ...

Countax C330 Lawn Tractor 2009 (2009) Parts Diagram, Front ...

Countax C330 Lawn Tractor 2009 (2009) Parts Diagram, Front ...

Pin on auto

Pin on auto

John Deere Sabre 13 Horsepower HP Briggs and Stratton 38

John Deere Sabre 13 Horsepower HP Briggs and Stratton 38" deck 5 speed

Sabre Lawnmower Parts for sale | eBay

Sabre Lawnmower Parts for sale | eBay

John Deere/Scotts belt configuration

John Deere/Scotts belt configuration

Amazon.com: john deere sabre parts

Amazon.com: john deere sabre parts

Second Hand John Deere Sabre 1742HS - Side Discharge / Mulcher

Second Hand John Deere Sabre 1742HS - Side Discharge / Mulcher

Installation, Repair and Replacement of John Deere Sabre 14.5 ...

Installation, Repair and Replacement of John Deere Sabre 14.5 ...

John Deere Sabre 1338, 1538, 15538, 1546, 1638, 1646 Lawn ...

John Deere Sabre 1338, 1538, 15538, 1546, 1638, 1646 Lawn ...

John Deere Riding Lawn Mower Parts Flash Sales, 59% OFF | www ...

John Deere Riding Lawn Mower Parts Flash Sales, 59% OFF | www ...

Craftsman Lawn Mower YT 3000 User Guide | ManualsOnline.com

Craftsman Lawn Mower YT 3000 User Guide | ManualsOnline.com

John Deere 1842GV 1842HV Sabre Yard Tractors TM1740 Technical Manual PDF

John Deere 1842GV 1842HV Sabre Yard Tractors TM1740 Technical Manual PDF

TractorData.com Sabre 17.542HS tractor information

TractorData.com Sabre 17.542HS tractor information

Pin on workshop-repair-service-manual-buy

Pin on workshop-repair-service-manual-buy

TractorData.com Sabre 2254HV tractor information

TractorData.com Sabre 2254HV tractor information

0 Response to "38 sabre lawn mower parts diagram"

Post a Comment

Iklan Atas Artikel

Iklan Tengah Artikel 1

Iklan Tengah Artikel 2

Iklan Bawah Artikel