Iklan 300x250

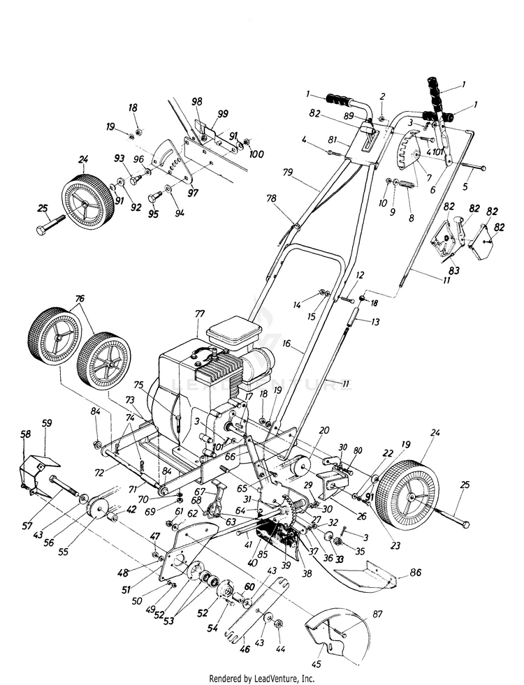
41 mtd edger parts diagram

MTD Edger: Model 25A-588A129/2000 Parts & Repair Help ... MTD Edger Model 25A-588A129/2000 Parts. MTD Edger Model 25A-588A129/2000 Parts are easily labeled on this page to help you find the correct component for your repair. Filter results by category, title and symptom. You can also view diagrams and manuals, review common problems that may help answer your questions, watch related videos, read insightful articles or use our repair help guide to get ... MTD parts illustration / wiring diagram info - OutdoorKing ... I have just been given a MTD Yardmachine 11.5 / 32 model 136C450D670 serial 2F12611-0062. It has some slight front body damage, and also needs some wiring repairs. Could someone help me with parts illustrations and also wiring diagrams. Any help will be appreciated thanks.

MTD Parts Diagram Indexes for Aircap Industries: Edgers MTD - Modern Tool and Die Lawn and Gardern Equipment Lawn Tractors, Garden Tractors, Electric Mowers, Walk-Behind Mowers, Self-Propelled Mowers and Snow Throwers Tillers, Snow Throwers, Log Splitters, Edgers and Trimmers Electric Blowers, Electric Chainsaws, Electric Trimmers, Gas Blowers, Gas Chainsaws, Gas Trimmers, Pole Saws and Shredders

Mtd edger parts diagram

Mtd edger parts diagram

MTD Edger Parts | Same Day Shipping | Millions of Parts If your MTD Edger is broken, PartSelect.com can help. We offer over 2 million repair parts, step by step instructions and installation videos to help you complete your MTD repair. Use your model number and get started ordering MTD Edger parts today! Amazon.com: mtd edger parts MTD Genuine Parts 490-501-M054 Edger Drive Belts. 3.9 out of 5 stars. 10. $15.99. $15. . 99. Get it as soon as Tue, Jul 27. FREE Shipping on orders over $25 shipped by Amazon. MTD Parts diagrams and MTD Parts for repair of MTD Lawn ... We carry the complete line of genuine MTD parts for all MTD machines including lawnmowers, snowblowers, trimmers, tractors and more. Finding your MTD parts is simple with our online parts diagrams: 1. Click your MTD model number from the list below to view a printable parts diagram. The parts diagram will open as a pdf file in a new window.

Mtd edger parts diagram. Mtd Edger Engine Manual - uploadvancouver Fix your MTD Edger today with parts, diagrams, accessories and repair advice from eReplacement Parts! Worldwide shipping, no hassle returns. Yard Machine Edger 3 5 Hp Manual LAWN EDGER Yard Machines by MTD 3.5 HP GAS ENGINE. TRIMMER BUMP HEAD KNOB · Yard Machines MTD Snow Blower Thrower Owners Manual. Garden product manuals and free pdf ... Columbia Parts | Lookup by Model or Part Number | MTD Parts CA Lookup Parts By Diagram. Use our parts diagram tool below to find the parts you need for your machine. Select the model and year, then browse the parts diagrams to find the right part. Add to cart when you're ready to purchase and we'll ship it to you as soon as possible! MTD Edgers Parts with Diagrams - PartsTree MTD Edgers parts with OEM MTD parts diagrams to find MTD Edgers repair parts quickly and easily. The Right Parts, Shipped Fast! Reviews ... MTD 250586 (1990) Parts Diagram for Edger MTD 250586 (1990) Edger Parts Diagram SWIPE SWIPE. Edger; 250586 (1990) Edger Move JavaScript Disabled - Unable to show Cart. 1. 07071 . GRIP BLACK. $8.05 Add to Cart. 2. 9120107 . NUT HEX CENTER. $3.01 Add to Cart. 3. 9140115 . Cotter Pin. $2.59 Add to Cart. 4. 7100106 ...

MTD Illustrated Parts Lists and Diagrams | Lawnmower Pros MTD Illustrated Parts Lists and Diagrams available online from an Authorized MTD Dealer. Free tech support. 365 day returns. Worldwide shipping. Buy MTD Lawn Mower & Outdoor Power Equipment Spare Parts ... For more than 50 years, MTD has been a worldwide leader in designing and building durable, easy-to-use outdoor power equipment. In Australia, our family of brands offers a wide range of products that are designed to meet lawn and garden needs for both residential and commercial products. MTD Parts | The leader in outdoor power equipment parts ... MTD Products LLC P.O. Box 368022. Cleveland, OH 44136 Cleveland, OH 44136 If you experience any problems accessing this website, please call us at 1-800-269-6215 for assistance. 250586 - MTD Edger (1990) Edger Parts Diagram - PartsTree Edger Parts Diagram 1 MTD Part# 07071 Black Grip Usually ships in 5 to 10 days $ 8.68 Add to Cart 0 2 MTD Part# 712-0107 Hex L-Nut 1/4-20 Thd. (Superseded to 912-0107) Usually ships in 1 day $ 3.26 Add to Cart 0 3 MTD Part# 714-0115 Cotter Pin 1/8" Dia. (Superseded to 914-0115) Usually ships in 1 day $ 2.79 Add to Cart 0 4 MTD Part# 710-0106

MTD 25B-551A000 lawn edger parts | Sears PartsDirect Here are the diagrams and repair parts for MTD 25B-551A000 edger, as well as links to manuals and error code tables, if available. There are a couple of ways to find the part or diagram you need: Click a diagram to see the parts shown on that diagram. In the search box below, enter all or part of the part number or the part's name. MTD 25B-52J1700 (2015) General Assembly Edger Parts Diagram MTD 25B-52J1700 (2015) General Assembly Edger Exploded View parts lookup by model. Complete exploded views of all the major manufacturers. It is EASY and FREE Manuals & Diagrams - MTD Parts Engine Service & Support - Technical, Parts, Manuals and Warranty. 40126 Views • Sep 22, 2017 • FAQ. OEM MTD Edger Parts [251586] | Repair Videos & Diagrams ... Shop for MTD Edger 251586 repair parts today! Find parts by name, location or by symptoms like engine is running but head will not turn & excess vibration.

MTD 245-596-190 2 HP Edger (1985) Parts Diagram for Edger ...

MTD 245-596-190 2 HP Edger (1985) Parts Diagram for Edger ...

MTD Edger: Model 25A-580A062/2002 Parts & Repair Help ... Find all the parts you need for your MTD Edger 25A-580A062/2002 at RepairClinic.com. We have manuals, guides and of course parts for common 25A-580A062/2002 problems.

MTD Petrol mower M 46 11A-704A678 (1999) Basic machine Spareparts

MTD Petrol mower M 46 11A-704A678 (1999) Basic machine Spareparts

Shop Troy-Bilt Parts | MTD Parts Find all the genuine replacement parts for Troy-Bilt on our Parts Diagram. We carry everything for your machine and the Parts Diagram helps visualize every component found in your equipment. Give it a try and if you can't find what you are looking for or need assistance installing the new part, call 1-800-269-6215 today.

Lawn Edger Belt - Original Equipment Genuine Part (OEM)

Lawn Edger Belt - Original Equipment Genuine Part (OEM)

MTD Edger Parts | Fast Shipping | eReplacementParts.com MTD Edger parts that fit, straight from the manufacturer. Use our interactive diagrams, accessories, and expert repair help to fix your MTD Edger . Please note shipping times may be longer than expected due to carrier delays. 877-346-4814. Departments Accessories ...

MTD Montgomery Ward Mdl TMO-33938A (130-652G088) Parts

MTD Montgomery Ward Mdl TMO-33938A (130-652G088) Parts

Edger, Trimmer and Leaf Blower Parts | MTD Parts Edger, Trimmer and Leaf Blower Parts. Replace damaged and worn parts on your edger, trimmer, or leaf blower with original factory components. Our leaf blower parts, trimmer parts and edger parts will fit your MTD power equipment, so you can get back to your yard work in no time. Our Part Finder makes it easy to find the parts you need. 99 Results.

GENUINE HUSQVARNA MODEL 272S LAWN EDGER PARTS LIST CATALOG MANUAL ORIGINAL  NICE | eBay

GENUINE HUSQVARNA MODEL 272S LAWN EDGER PARTS LIST CATALOG MANUAL ORIGINAL NICE | eBay

Lookup Parts by Diagram - MTD Parts Canada Lookup Parts by Diagram. Find the replacement parts you need to keep your lawn mower, snow blower and other outdoor power equipment performing strong and running like new. You can Browse our catalogs, or Search by Part Number or 11-digit factory Model Number to find your product's exploded Diagram Assemblies.

OEM MTD Edger Parts | Expert DIY Repair Help & Fast Shipping ...

OEM MTD Edger Parts | Expert DIY Repair Help & Fast Shipping ...

Lawn Mower Parts Catalog Request - ProPartsDirect Get your commercial landscaper parts catalog. The ProParts Direct catalog contains OEM replacement parts for commercial lawn care equipment like Exmark, Scag, Wright, Walker, Toro Dingo, Snapper Pro, Jrco and many more. Click or call 800-305-9255.

YARD MACHINES 588 OPERATOR'S MANUAL Pdf Download | ManualsLib

YARD MACHINES 588 OPERATOR'S MANUAL Pdf Download | ManualsLib

OEM MTD Edger Parts | Expert DIY Repair Help & Fast ... Popular MTD Edger Parts. $ 16.56. In Stock. Add to cart. Lawn Mower Ground Drive Belt. Fix Number FIX9172714. Manufacturer Part Number 954-04032B. This is a drive belt and it is used on various outdoor lawn equipment. This part is made of rubber and is sold individually.

Yard Machines 25B-52J1700 - Yard Machines Walk-Behind Edger ...

Yard Machines 25B-52J1700 - Yard Machines Walk-Behind Edger ...

255-588B013 / 1995 Mtd Edger Parts & Free Repair Help ... The best way to find parts for Mtd edger model 255-588B013 / 1995 is by clicking one of the diagrams below. You can also browse the most common parts for Mtd edger model 255-588B013 / 1995. Not sure what part you need? Narrow your search down by symptom and read the amazing step by step instructions and troubleshooting tips for Mtd model 255 ...

MTD MTD Lawnflite 246-596-087 Parts | Shanks Lawn

MTD MTD Lawnflite 246-596-087 Parts | Shanks Lawn

Replacement Parts & Service - MTD Products Search for parts using your model number, or the part number you are replacing. Use our parts diagram tool below to find the parts you need for your machine. Select the model and year, then browse the parts diagrams to find the right part. Add to cart when you're ready to purchase and we'll ship it to you as soon as possible!

C459-65408 Parts List for 1984 Craftsman Tractor – DR Mower Parts

C459-65408 Parts List for 1984 Craftsman Tractor – DR Mower Parts

Lookup Parts by Diagram - MTD Parts | The leader in ... Lookup Parts by Diagram Find the replacement parts you need to keep your lawn mower, snow blower and other outdoor power equipment performing strong and running like new. You can Browse our catalogs, or Search by Part Number or 11-digit factory Model Number to find your product's exploded Diagram Assemblies.

MTD Edger Parts | Same Day Shipping | Millions of Parts

MTD Edger Parts | Same Day Shipping | Millions of Parts

MTD 251-586-000 lawn edger parts | Sears PartsDirect Here are the diagrams and repair parts for MTD 251-586-000 edger, as well as links to manuals and error code tables, if available. There are a couple of ways to find the part or diagram you need: Click a diagram to see the parts shown on that diagram. In the search box below, enter all or part of the part number or the part's name.

Atom 102 Edger Engine Parts List

Atom 102 Edger Engine Parts List

MTD Parts Diagram Indexes MTD Parts Diagram Indexes. MTD Product Category: Parts Diagrams Available: (On-Line,On-Request) AAFES: Tillers (0,20) AAFES: Chore Performers (0,8) AAFES: Edgers (0,4) Ace Hardware: 600 Series Lawn Tractors (184,120) Ace Hardware: Garden Tractors (96,132)

Craftsman 536796532 lawn edger parts | Sears PartsDirect

Craftsman 536796532 lawn edger parts | Sears PartsDirect

MTD Edger 240-534-929 | PartSelect Parts and edger repair help for the MTD 240-534-929 with videos, installation instructions and more. Save when you repair your edger yourself. ... MTD Edger 240-534-929. Find Part By Location. There are 1 diagrams for 240-534-929. Click on the diagram where you think your part is located. Page A; Find Part By Name. Search the entire 240-534-929 ...

Poulan PO45TN21RA 2004 jan - Wolfswinkel Groentechniek Webshop

Poulan PO45TN21RA 2004 jan - Wolfswinkel Groentechniek Webshop

Operator's Manuals - MTD Parts Knowing your outdoor power equipment's model number and serial number will ensure that you find the correct operator's manual for your equipment

MTD 25B-550A729 Operator`s manual | Manualzz

MTD 25B-550A729 Operator`s manual | Manualzz

Parts For Lawnmowers | Small Engine Parts Diagrams ... Look up replacement mower parts, snow blower accessories, and small engine parts 24/7 with ProParts Direct. Our replacement mower parts catalog is published each year and all parts can be ordered directly through our secure site. Write to us or give us a call with orders, questions, or any customer support issues 800-305-9255

MTD CMXGTAMDSS25 WS2200 41ADSS25793 Engine Assembly | Shanks Lawn

MTD CMXGTAMDSS25 WS2200 41ADSS25793 Engine Assembly | Shanks Lawn

MTD Lawn Edger Blades | Lawnmower Pros Price: $11.99. Oregon 40-141 8 Inch Edger Blade With 1 Inch Center Hole for MTD. Our # 1 Selling Oregon Lawn Edger Blade. This product is 8 Inch x 1 Inch with a 1 Inch Center Hole. Manufactured by Oregon to exact tolerance for your equipment. Oregon 40-141 Edger Blade is made of steel. Available individually for your convenience.

Stihl FC 95 Edger (FC 95) Parts Diagram, Deflector FC 95

Stihl FC 95 Edger (FC 95) Parts Diagram, Deflector FC 95

MTD Parts diagrams and MTD Parts for repair of MTD Lawn ... We carry the complete line of genuine MTD parts for all MTD machines including lawnmowers, snowblowers, trimmers, tractors and more. Finding your MTD parts is simple with our online parts diagrams: 1. Click your MTD model number from the list below to view a printable parts diagram. The parts diagram will open as a pdf file in a new window.

MTD 31A-32AD706 (2014) .Quick Reference

MTD 31A-32AD706 (2014) .Quick Reference

Amazon.com: mtd edger parts MTD Genuine Parts 490-501-M054 Edger Drive Belts. 3.9 out of 5 stars. 10. $15.99. $15. . 99. Get it as soon as Tue, Jul 27. FREE Shipping on orders over $25 shipped by Amazon.

OEM MTD Edger Parts | Expert DIY Repair Help & Fast Shipping ...

OEM MTD Edger Parts | Expert DIY Repair Help & Fast Shipping ...

MTD Edger Parts | Same Day Shipping | Millions of Parts If your MTD Edger is broken, PartSelect.com can help. We offer over 2 million repair parts, step by step instructions and installation videos to help you complete your MTD repair. Use your model number and get started ordering MTD Edger parts today!

Troy-Bilt 12215 2 HP Tiller / Edger (S/N 122151100101 ...

Troy-Bilt 12215 2 HP Tiller / Edger (S/N 122151100101 ...

Stihl FC 110 Edger (FC 110) Parts Diagram, Deflector FC 110

Stihl FC 110 Edger (FC 110) Parts Diagram, Deflector FC 110

11A-549R529 Parts List for MTD Pro Lawn Mower (2009) – DR ...

11A-549R529 Parts List for MTD Pro Lawn Mower (2009) – DR ...

Yard Machines 25A-550A129 (2003) - PartsWarehouse

Yard Machines 25A-550A129 (2003) - PartsWarehouse

Stihl FC 110 Edger (FC 110) Parts Diagram, Muffler

Stihl FC 110 Edger (FC 110) Parts Diagram, Muffler

Edgers

Edgers

Amazon.com : Yard Machines 3.5 HP Edger 25B-521A000 : Power ...

Amazon.com : Yard Machines 3.5 HP Edger 25B-521A000 : Power ...

MTD 253-586-000 (1993) Edger | PartsWarehouse

MTD 253-586-000 (1993) Edger | PartsWarehouse

MTD Edger | 24604-9 | eReplacementParts.com

MTD Edger | 24604-9 | eReplacementParts.com

MTD MTD Snowflite 316-550-120 Parts

MTD MTD Snowflite 316-550-120 Parts

Troy-Bilt TB516EC 25A-516-966 Edger | PartsWarehouse

Troy-Bilt TB516EC 25A-516-966 Edger | PartsWarehouse

Eurosmart Keukenmengkraan | GROHE België nv

Eurosmart Keukenmengkraan | GROHE België nv

Atom 202-203 Edger Parts List

Atom 202-203 Edger Parts List

Terranova TC - Loopwielen diepteregeling in Landbouw ...

Terranova TC - Loopwielen diepteregeling in Landbouw ...

Amazon.com : Yard Machines 3.5 HP Edger 25B-521A000 : Power ...

Amazon.com : Yard Machines 3.5 HP Edger 25B-521A000 : Power ...

Parts & Owner's Manual Walk-Behind Edger/Trimmer

Parts & Owner's Manual Walk-Behind Edger/Trimmer

Stihl FC 110 Edger (FC 110) Parts Diagram, Gear head FC 110

Stihl FC 110 Edger (FC 110) Parts Diagram, Gear head FC 110

MTD Edger | 252-586-000 | eReplacementParts.com

MTD Edger | 252-586-000 | eReplacementParts.com

Replacement Parts & Service

Replacement Parts & Service

Atom 101, 103 & 104 Edger Frame Parts List

Atom 101, 103 & 104 Edger Frame Parts List

Bolens Edger | 25B-550A765 | eReplacementParts.com

Bolens Edger | 25B-550A765 | eReplacementParts.com

MTD 254-556A190 Edger (1994) Parts Diagram for Edger

MTD 254-556A190 Edger (1994) Parts Diagram for Edger

0 Response to "41 mtd edger parts diagram"

Post a Comment

Iklan Atas Artikel

Iklan Tengah Artikel 1

Iklan Tengah Artikel 2

Iklan Bawah Artikel