40 honda foreman 400 carburetor diagram
Honda Foreman 400 Carburetor Diagram - Free Diagram For Student Honda trx 400 carb diagram feb 27 2019 horbar. 2003 honda 350 foreman quad carburetor format how to replace the carburetor on a 2002 honda trx350te 2006 honda rancher trx 400 carburetor 1986 honda. Can anyone tell me where i could look at a diagram of a carb for 1998 foreman. Honda Foreman 400 Carburetor Diagram - Wiring Site Resource Here is a picture gallery about honda foreman 400 parts diagram complete with the description of the image please find the image you need.
Схема Работы Карбюраторов Кейхин 85-93г (На Основе...) | Vk Схема работы карбюраторов Кейхин 85-93г (на основе карбюраторов Honda Steed 400\600, VT400\600\1100, Bros, Goldwing 1200)).

Honda foreman 400 carburetor diagram
Does a 400 Honda foreman carburetor convert with a 350 Honda... No, a Honda Rancher 350 carburetor will not work on a Honda Rancher 400. The difference in the sizes of the 350 and 400 carburetors are not compatible with each other. the foreman has more power but i would think for you to get a rancher it has plenty of power for me. Honda Trx 400 Carburetor Diagram - Latest Cars Honda Foreman 400 Carburetor Diagram Wiring Site Resource. What S This 400ex Carb Atvconnection Atv Enthusiast Munity. Honda Atv 2004 Oem Parts Diagram For Carburetor Partzilla. SOLVED: Need to see the carburetor diagram for a 2000- won - Fixya Therefore, I need a complete engine/carb diagram---picture. There is not one in the manual. I could not locate a diagram of your machine's carburetor. I can tell you, for certain, that the carb does have a rubber drain tube that goes from the bottom of the float bowl and vents to atmosphere beneath the...
Honda foreman 400 carburetor diagram. Carbhub Carburetor for Honda Fourtrax 300 350 Foreman 400 450... 7/8" Brake Master Cylinder for Honda TRX 250 300 350 400 450 Foreman Rancher Recon Ricon Yamaha Kawasaki Suzuki. Package list: 1x Carburetor kit as the picture shows. Note: 1. This is an Aftermarket replacement part Not OEM 2. Please kindly check the models and pictures provided to... Для 1995-2003 Honda TRX400FW Foreman 400 карбюратора... | eBay 1x Carburetor Intake Manifold Boot For Honda TRX400FW Foreman 400 1995~2003. Carburetor Rebuild Kit for Honda Recon Sportrax 250 TRX250 1997-2005 Carb Repair. 905,77 RUB. Бесплатная доставка. 26 Honda Foreman 500 Carburetor Diagram - Wiring Database 2020 Foreman 500 foreman 450 off topic rubicon 500 honda rancher 350 400. A little bit of dirt or sand somehow got in the tank and kept getting in the carb and making the needle. Use our comprehensive oem schematic diagrams to find the exact parts you need to get the job done and get riding. sherryberg Carb Carburetor for 1995 2000 2001 2003... - AliExpress For ATV Brand/Model: Honda. Special Features: carburetor. Model Name: PD34J. Brand new Complete Engine Set New not remanufactured. Direct Fit Correct Connector No cutting or splicing. Compatibility. 1995 - 2005 trx 400FW foreman. 1x Carburetor. 1x Black Throttle Base Cover.
carburetor kits honda foreman 400 | eBay 95 results for carburetor kits honda foreman 400. Carburetor Carb Float Pin Needle Kit For Honda Foreman TRX400FW TRX450ES TRX450S (Fits: Honda). Carburetor Replace for Honda Fourtrax 300 350 Foreman 400 450 Ra 350,Carburetor,Honda,450,Fourtrax,skyed.ru,Replace 400,Ra,Foreman,Automotive , Motorcycle Powersports , Parts , Fuel System , Carburetors carburetor for a 2001 honda rancher 350 ,2004 honda trx350 carb ,2006 rancher 350 carburetor ,oem 2003 honda rancher 350 carburetor... Honda Foreman 400 Specs and Review - Off-Roading Pro The Honda Foreman 400 was Honda's entry into the 4x4 utility class. It featured a speedometer, triple drum brakes, and a lighter overall. The Honda Foreman 400 also featured a new overhead-valve design that shortened its height and allowed more ground clearance. 1997 Foreman 400 4x4 service manual | Honda Foreman Forums Honda Foreman Forums: Discuss the latest Honda Foreman in our free Honda Foreman forums. Also talk about Honda's other ATV and UTV's including the Honda Rubicon, Honda Rincon, Honda Rancher and Honda Recon.
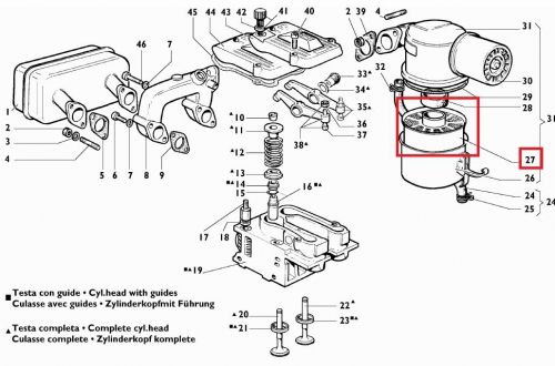
1998 Honda Foreman 450 Carburetor Diagram Diagram 1995 Honda 400 Foreman 4x4 Wiring Diagram Full Version Hd Quality Wiring Diagram Fordwirediagram Museotresnuraghes It. Save Image. 1998 Honda Carburetor Fourtrax Foreman 450 S Trx450 Parts Diagram. 33 Honda Foreman 400 Carburetor Diagram - Wiring Diagram... View and download honda trx400fw foreman 400 owners manual online. 1998 honda foreman 400 parts diagram honda foreman 400 parts diagram 2002 Honda Foreman 450 Wiring Diagram Wiring Schematic Diagram. Carburetor Rebuild Kit With Primer Pump For Honda Fourtrax 300... Запчасти для квадроциклов Honda TRX 400 TRX 400 Все Foreman 400 FourTrax 400 AT Sportrax 400 EX Sportrax 400 X Sportrax TRX 400 EX Sportrax TRX 400 X. TRX400FW Foreman 400. Код модели. Honda Foreman Trx400Fw 400 Carburetor Rebuild - How To Clean... Honda Foreman Trx400Fw Trx 400 - Engine Disassembly Motor Tear Down Crankcase Split. Honda Foreman 450 Carburetor Rebuild - How To Clean Carb - Bad Old Fuel Gas.
400Ex honda carburator diagram honda 400ex carburetor diagram might be safely held in your pc for future repairs. This is really going to save you time and your money in something should think about. Search tags for this page : 1996 honda foreman 400 carburetor diagram, 2000 honda 400ex carburetor diagram
Carburetor Fits Honda 400 TRX400FW FOURTRAX FOREMAN Carb... 208 results for honda foreman carburetor. Carburetor Carb For Honda ATC250SX TRX300FW TRX350FE TRX400FW TRX450FE Foreman.
1997 Honda FourTrax Foreman 400 4X4 TRX400FW Parts - Best... Just scan the appropriate 1997 Honda FourTrax Foreman 400 4X4 TRX400FW OEM Diagram. This schematic gives you a detailed picture of every OEM diagrams are available for all the OEM parts we have in stock. So no matter what 1997 Honda FourTrax Foreman 400 4X4 TRX400FW Parts you're...
HONDA TRX400FW FOREMAN 400... | ManualsLib View and Download Honda TRX400FW Foreman 400 owner's manual online. TRX400FW Foreman 400 offroad vehicle pdf manual download.
Honda Foreman Carburetor Repair - YouTube I'm repairing a friend of mine's Honda Foreman carburetor. Lets see how it works out. Due to factors beyond the control of Yellowdog02, it cannot guarantee...
Honda Foreman 400 Carburetor Diagram - Wiring Diagram Database 1999 honda fourtrax foreman 400 4x4 trx400fw carburetor parts throughout honda foreman 400 parts diagram image size 792 x 467 px and to view image details please click the image. We obtain this best image from internet and select one of the best for you.
SOLVED: Need to see the carburetor diagram for a 2000- won - Fixya Therefore, I need a complete engine/carb diagram---picture. There is not one in the manual. I could not locate a diagram of your machine's carburetor. I can tell you, for certain, that the carb does have a rubber drain tube that goes from the bottom of the float bowl and vents to atmosphere beneath the...
Honda Trx 400 Carburetor Diagram - Latest Cars Honda Foreman 400 Carburetor Diagram Wiring Site Resource. What S This 400ex Carb Atvconnection Atv Enthusiast Munity. Honda Atv 2004 Oem Parts Diagram For Carburetor Partzilla.
Does a 400 Honda foreman carburetor convert with a 350 Honda... No, a Honda Rancher 350 carburetor will not work on a Honda Rancher 400. The difference in the sizes of the 350 and 400 carburetors are not compatible with each other. the foreman has more power but i would think for you to get a rancher it has plenty of power for me.

Carburetor & Throttle Cable Replace for Honda Foreman 450 TRX 450 TRX450ES TRX450FE TRX450FM TRX450S TRX 400 TRX 400FW ATV Carburetor Rancher TRX350 ...
0 Response to "40 honda foreman 400 carburetor diagram"
Post a Comment