Iklan 300x250

40 2004 honda accord parts diagram

2004 Honda Accord Seat Heaters Wiring Diagram | Drive ... 2004 Honda Accord Seat Heaters Wiring Diagram. Jump to Latest Follow ... Drive Accord forum, a community where Honda Accord owners can discuss reviews, service, parts, and share mods. Full Forum Listing. Explore Our Forums. The 8th Generation The 7th Generation The 9th Generation Audio, ... Owner's Manual | 2004 Honda Accord Sedan | Honda Owners Site 2004 Accord Coupe Owner's Manual 2004 Accord Navigation Manual 2004 Accord Sedan Owner's Manual. To purchase printed manuals, you can order online or contact: Helm Incorporated. (800) 782-4356. M-F 8AM - 6PM EST. Delivery time is approximately five weeks. To save paper and time, you can download the latest manuals now.

2004 Honda Accord Parts Diagram 2004 Honda Accord Parts Diagram 3/22 [DOC] Honda Odyssey 1999 thru 2010-Max Haynes 2011-10-15 Haynes manuals are written specifically for the do-it-yourselfer, yet are complete enough to be used by professional mechanics. Since 1960 Haynes has produced manuals written from hands-on experience based on a

2004 honda accord parts diagram

2004 honda accord parts diagram

2004 Honda Accord Power Window Wiring Diagram Pictures ... 2004 Honda Accord Power Window Wiring Diagram from . Print the wiring diagram off plus use highlighters to trace the signal. When you make use of your finger or perhaps the actual circuit with your eyes, it is easy to mistrace the circuit. 1 trick that We 2 to printing a similar wiring plan off twice. Console for 2004 Honda Accord - Honda Parts Online console, center *nh361l* (gray) console, center *nh167l* (graphite black) 10. $423.64 2004 Honda Accord Installation Parts, harness, wires, kits ... Car Stereo Installation Parts for 2004 HONDA ACCORD: Harnesses; Hands Free; Antennas and Adapters; Iphone / Android; RCA Aux; Satellite and HD Radio; Video; Other Parts; More Stuff; 2004 HONDA ACCORD Radio Mounting Kits and Phone Mounts Make your car stereo look like factory installed with a dash kit . Photo: Description: HONDA $21.95: Part ...

2004 honda accord parts diagram. Shop Genuine Honda Accord Parts and Accessories | Honda ... At Honda Factory Parts, our Honda parts professionals offer superior customer service and can assist you with a free parts look-ups by phone or e-mail. We do not offer cheap aftermarket copies of OEM Honda parts—all of our parts and accessories are genuine with a minimum manufacturer warranty of 12 months. Honda online store : You are shopping for 2004 ACCORD ... 2004 HONDA ACCORD PARTS | 2004 ACCORD PARTS AIR & OIL FILTERS filter, oil air cleaner FUEL FILTER canister A/C FILTER element BELTS belt, compressor belt, timing belt, power steering pump belt, alternator BULBS bulb, headlight bulb CAPS cap assy., oil filler cap, fuel filler cap radiator BRAKE PADS, DISK & CALIPER pad set Honda ACCORD 2004 (4) 4DR LX V6 (KA,KL) parts lists and ... The Honda ACCORD 2004 (4) 4DR LX V6 (KA,KL) parts-list contains three thousand seven hundred thirty-six parts. To discover exactly which parts you require use the on-line schematic exploded diagram - it will even give you some idea of where and how to fit those new parts. 2004 Honda Accord Parts Diagram | Automotive Parts Diagram ... Description: Honda Pilot Radiator Replacement - Wiring Diagram For Car Engine with regard to 2004 Honda Accord Parts Diagram, image size 600 X 424 px, and to view image details please click the image.. Here is a picture gallery about 2004 honda accord parts diagram complete with the description of the image, please find the image you need.

2004 Honda Accord Rear suspension diagram - get top ... Description: Honda Accord 2 Door Lx Ka 5At Front Seat (Driver Side) with regard to 2004 Honda Accord Parts Diagram, image size 1108 X 553 px, and to view image details please click the image.. Actually, we also have been realized that 2004 honda accord parts diagram is being just about the most popular topic at this time. Honda online store : 2004 accord console parts Honda online store : 2004 accord console parts. ... Honda; Parts; 2004; accord EX 4 DOOR 5AT; Right menu Find a dealer. Yes No . CONSOLE. View large diagram Hide diagram View diagram View printable catalog Translate. 1. cap assy. 1. cap assy. 1. cap assy. ... View large diagram Hide diagram View diagram View printable catalog Translate. 1. cap ... 2004 Honda Accord Parts | Replacement, Maintenance, Repair ... 1. # 65595058. $43.78 - $74.95. To make sure your vehicle stays in top shape, check its parts for wear and damage at regular intervals and replace them in time. When you are in need of a reliable replacement part for your 2004 Honda Accord to restore it to 'factory like' performance, turn to CARiD's vast selection of premium quality products ... 2004 Honda Accord Wiring Diagram Pdf - U Wiring 1998 Honda Accord Wiring Diagram Pdf. Honda Accord Engine Diagram Diagrams Parts Layouts. 16 Honda Gx270 Electric Start Wiring Diagram Wiring Diagram Wiringg Net Diagram Electrical Diagram Honda If you run into an electrical problem with your Honda you may want to take a moment and check a few things out for yourself. 2004 honda […]

HONDA ACCORD 2004 Repair Service Manual | Honda Service ... * Manual Transmission * Transfer Propeller Shaft * Drive Shaft * Differential * Axle Suspension * Tire & Wheel * Brake Control * Brake * Parking Brake * Steering Column * Power Steering * Air Condition * Suppl Restraint System * Seat Belt * Engine Immobilizer * Cruise Control * Wiper & Washer * Door Lock * Meter Audio/Visual * Horn Vehicle Specifications | 2004 Honda Accord Sedan | Honda ... 2004 Honda Accord Sedan Change Vehicle. Vehicle Specifications. Specs for trim: ... Available on select LX and EX 4-cylinder models with AT in CA and parts of the Northeast. **Based on 2004 EPA mileage estimates. Use for comparison purposes only. Actual mileage may vary. Navigation System for 2004 Honda Accord | Honda Parts Online Navigation System for 2004 Honda Accord. Vehicle. 2004 Honda Accord. Change Vehicle. Categories. All; Parts; Accessories; Accessory Components . All Season Floor Mats ; All Season Mat (FR.) All Season Mat (RR.) Alloy Wheel (16") (SS6-Tri) ... Honda Parts Online. 900 North Sugar Road. Pharr, TX 78577. 2004 Honda Accord OEM Exhaust Parts | Systems, Tips ... These parts are made for your specific year, make, and model, which means there's no guesswork.... Genuine Honda OEM part that fits your specific vehicle perfectly Made to factory specifications to ensure an original look and function. $7.02 - $2,125.13. Honda OE Exhaust System - Exhaust Components (Coupe 2.4L) 0. # 2749095742.

No Hot Air Blowing- 2007 Honda Accord - Honda-Tech - Honda ...

No Hot Air Blowing- 2007 Honda Accord - Honda-Tech - Honda ...

2004 Honda Accord Ignition Wiring Diagram - U Wiring Wiring Diagram For 2004 Accord V6 Coupe Automatic I Need. Listed below is the vehicle specific wiring diagram for your car alarm remote starter or keyless entry installation into your 2004- Honda Accord. The LF door is green in a lt. What does the B1 warning light on Honda Accord.

2003-2004 Honda Accord Wire, Control 54315-SDA-A83 | Majestic ...

2003-2004 Honda Accord Wire, Control 54315-SDA-A83 | Majestic ...

2004 Honda Accord | Auto Parts | NAPA Auto Parts 2004 Honda Accord | Auto Parts | NAPA Auto Parts. No Thanks! By texting NAPA to 24002, you authorize NAPA to send promotional text messages to the phone number provided. Message frequency varies, msg & data rates may apply, text STOP to 24002 to opt-out, text HELP to 24002 for help. Consent not required and is not a condition of purchase.

Diagrams: Engine parts layouts - CB7Tuner Forums | Honda ...

Diagrams: Engine parts layouts - CB7Tuner Forums | Honda ...

2005 Honda Accord Parts Diagram - Automotive Parts Diagram ... Description: 100+ Ideas Honda Accord Parts Diagram On Grifonisw in 2005 Honda Accord Parts Diagram, image size 972 X 485 px, and to view image details please click the image.. Honestly, we also have been noticed that 2005 honda accord parts diagram is being one of the most popular issue right now. So we attempted to locate some great 2005 honda accord parts diagram graphic for your needs.

HONDA OEM 16-17 Accord Exterior-Rocker Molding Clip ...

HONDA OEM 16-17 Accord Exterior-Rocker Molding Clip ...

2004 Honda Accord Auto Parts - AutoZone.com 2004 Honda Accord Collision, Body Parts and Hardware. 2004 Honda Accord Cooling, Heating and Climate Control. 2004 Honda Accord Drivetrain. 2004 Honda Accord Electrical and Lighting. 2004 Honda Accord Emission Control and Exhaust. 2004 Honda Accord Engine Management. 2004 Honda Accord External Engine. 2004 Honda Accord Filters and PCV.

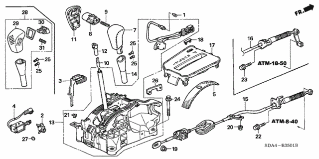
Honda online store : 2002 accord select lever parts

Honda online store : 2002 accord select lever parts

2004 Honda Accord Transmission Parts Diagram - Reviewmotors.co Honda Accord Engine Diagram Diagrams Parts Layouts. Km 9878 Honda Accord Automatic Transmission Wiring Diagram Get. 2003 2007 Honda Accord V6 Automatic Transmission Jdm J30a. 2003 2007 Honda Cable Assembly Transmission Ground 32601 Sdb A11. 2003 2004 Honda Accord Coupe Arm Shift 24411 Pyz 000.

2004-2006 Honda Accord Bolt, Bumper 90149-SDA-003 | hondapartswd

2004-2006 Honda Accord Bolt, Bumper 90149-SDA-003 | hondapartswd

Vacuum hose diagram 2004 accord - 2004 Honda Accord - Fixya Need the diagram for vacuum hose that runs from fuel rail pressure sensor the back of the engine the Rotherham hose that is connected to it like a y connection comes and connect to a connection on the passenger side mine has broken off I'm losing power bad acceleration and getting the P0171 code along with real pressure codes on my 2004 Ford F150 5.4 Triton engine lariat model rear wheel drive ...

72137-SDA-A00ZA, Genuine Honda Parts, Knob, Inside Door Lock ...

72137-SDA-A00ZA, Genuine Honda Parts, Knob, Inside Door Lock ...

2004 Honda Accord Axle Assemblies from $52 | CarParts.com 2004 Honda Accord LX 4 Cyl 2.4L Automatic Transaxle. 2004 Honda Accord EX 4 Cyl 2.4L Automatic Transaxle. Product Details. Location : Front, Driver Side Notes : 26 in. Compressed Length; M22 x 1.5 Spindle Nut Thread Size; 32mm Spindle Nut Hex Head Size; 27 Input Shaft Spline; (26) Output Shaft Splines; Stake Axle Nut Locking Type Condition : New.

Tested: 2004 Honda Accord Coupe EX V-6

Tested: 2004 Honda Accord Coupe EX V-6

Need engine diagram for 2004 honda accord v6,3.0 - Fixya "2004 honda accord service manual" search that in google or your favorite engine. you will have to do a little looking to find the one you want as there are fakes from 2/4shared.com and others, but it shouldn't take long. this is the link to my search of google to make sure it was out there. good luck.

Honda ACCORD 2004 (4) 4DR LX V6 (KA,KL) parts lists and ...

Honda ACCORD 2004 (4) 4DR LX V6 (KA,KL) parts lists and ...

2004 Honda Accord Bumper Covers from $79 | CarParts.com Vehicle Fitment. 2004 Honda Accord All Submodels All Engines For Sedan Models. Product Details. Location : Front Fog Light Holes : Without Fog Light Holes Warranty : 1-year Replacement unlimited-mileage warranty. See All Products Details. Replacement. Bumper Cover and Fender Liner Kit. Part Number: KIT1-110817-77-A.

Honda 38200-SDN-A22

Honda 38200-SDN-A22

Genuine Honda Accord Parts and Accessories at HondaPartsNow For years, HondaPartsNow has been your best source for genuine Accord Parts. The Accord is the best family-friendly sedan on the road and deserves only genuine parts. Buying genuine parts for Accord from us is risk-free as all parts are expedited directly from Honda dealers and covered by the manufacturer's warranty.

2003-2007 Honda Accord Engine Anatomy

2003-2007 Honda Accord Engine Anatomy

2004 HONDA ACCORD 2.4L L4 Parts | RockAuto RockAuto ships auto parts and body parts from over 300 manufacturers to customers' doors worldwide, all at warehouse prices. Easy to use parts catalog. 2004 HONDA ACCORD 2.4L L4 Parts | RockAuto

Honda online store : 2004 accord exhaust pipe (v6) parts

Honda online store : 2004 accord exhaust pipe (v6) parts

2004 Honda Accord Installation Parts, harness, wires, kits ... Car Stereo Installation Parts for 2004 HONDA ACCORD: Harnesses; Hands Free; Antennas and Adapters; Iphone / Android; RCA Aux; Satellite and HD Radio; Video; Other Parts; More Stuff; 2004 HONDA ACCORD Radio Mounting Kits and Phone Mounts Make your car stereo look like factory installed with a dash kit . Photo: Description: HONDA $21.95: Part ...

Bolt, Flange (12X71)

Bolt, Flange (12X71)

Console for 2004 Honda Accord - Honda Parts Online console, center *nh361l* (gray) console, center *nh167l* (graphite black) 10. $423.64

2004 Honda Accord Garnish Assembly, L Front Pillar *NH220L ...

2004 Honda Accord Garnish Assembly, L Front Pillar *NH220L ...

2004 Honda Accord Power Window Wiring Diagram Pictures ... 2004 Honda Accord Power Window Wiring Diagram from . Print the wiring diagram off plus use highlighters to trace the signal. When you make use of your finger or perhaps the actual circuit with your eyes, it is easy to mistrace the circuit. 1 trick that We 2 to printing a similar wiring plan off twice.

Base, Front License Plate

Base, Front License Plate

2003-2004 Honda Accord Bracket, Footrest 46991-SDA-A02 ...

2003-2004 Honda Accord Bracket, Footrest 46991-SDA-A02 ...

Base, Front License Plate

Base, Front License Plate

2004 HONDA ACCORD Service Repair Manual

2004 HONDA ACCORD Service Repair Manual

Honda online store : 2004 accord clutch master cylinder parts

Honda online store : 2004 accord clutch master cylinder parts

Wire Harness, Engine

Wire Harness, Engine

Honda ACCORD 2004 (4) 4DR LX V6 (KA,KL) parts lists and ...

Honda ACCORD 2004 (4) 4DR LX V6 (KA,KL) parts lists and ...

90341-SDA-000, Genuine Honda Parts, Nut, Flange (6MM)

90341-SDA-000, Genuine Honda Parts, Nut, Flange (6MM)

Wire Harness, Engine

Wire Harness, Engine

Cart Contents Honda Parts at HondaPartsDeals.com: Honda ...

Cart Contents Honda Parts at HondaPartsDeals.com: Honda ...

2003-2004 Honda Accord Coupe Factory Parts Catalog Manual DX LX EX 2.4L  3.0L V6 | eBay

2003-2004 Honda Accord Coupe Factory Parts Catalog Manual DX LX EX 2.4L 3.0L V6 | eBay

Honda online store : 2004 accord heater unit parts

Honda online store : 2004 accord heater unit parts

Honda ACCORD 2004 (4) 4DR LX V6 (KA,KL) parts lists and ...

Honda ACCORD 2004 (4) 4DR LX V6 (KA,KL) parts lists and ...

Go-Parts - for 2003 - 2004 Honda Accord Rear Tail Light Lamp Assembly /  Lens / Cover - Left (Driver) Side - (4 Door; Sedan) 33551-SDA-A01 HO2800148  ...

Go-Parts - for 2003 - 2004 Honda Accord Rear Tail Light Lamp Assembly / Lens / Cover - Left (Driver) Side - (4 Door; Sedan) 33551-SDA-A01 HO2800148 ...

2003-2007 Honda Accord Holder 81234-SDN-A01 | OEMAcuraPart

2003-2007 Honda Accord Holder 81234-SDN-A01 | OEMAcuraPart

2003-2004 Honda Accord Clip, Wire Harness 36535-RAA-A01 ...

2003-2004 Honda Accord Clip, Wire Harness 36535-RAA-A01 ...

ENGINE | Honda ACCORD USA 2004 Parts Catalogs | PartSouq

ENGINE | Honda ACCORD USA 2004 Parts Catalogs | PartSouq

Honda online store : 2004 accord interior light parts

Honda online store : 2004 accord interior light parts

2004-2005 Honda Accord Lining Assembly, R Front Door *NH167L ...

2004-2005 Honda Accord Lining Assembly, R Front Door *NH167L ...

2004-2006 Honda Accord Bolt, Bumper 90149-SDA-003 | Honda ...

2004-2006 Honda Accord Bolt, Bumper 90149-SDA-003 | Honda ...

2005 ACCORD Coupe EXL 5-Spd Auto - California Emissions (KL ...

2005 ACCORD Coupe EXL 5-Spd Auto - California Emissions (KL ...

Honda 78120-SDA-A12

Honda 78120-SDA-A12

2004 HONDA ACCORD Service Repair Manual

2004 HONDA ACCORD Service Repair Manual

Spring, L Lumber

Spring, L Lumber

2004 Honda Accord Frame, Front Seat Cushion 81139-SDA-L01 ...

2004 Honda Accord Frame, Front Seat Cushion 81139-SDA-L01 ...

Bracket, Radio Fixing

Bracket, Radio Fixing

0 Response to "40 2004 honda accord parts diagram"

Post a Comment

Iklan Atas Artikel

Iklan Tengah Artikel 1

Iklan Tengah Artikel 2

Iklan Bawah Artikel