41 troy bilt pony drive belt diagram
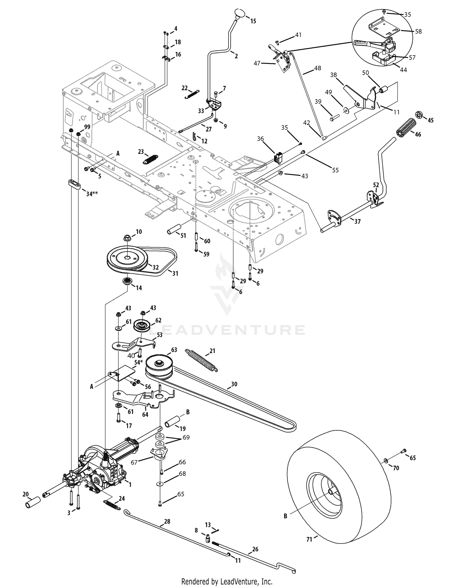
Oct 21, 2021 · Troy Bilt Pony 42 Deck Belt Diagram. Lekan Oke October 21, 2021 Engines. The Troy Bilt Pony 42 deck belt is designed to connect the crankshaft to the lawn mower blade and cause them to turn. If you notice a problem with your mower blades or the deck belt, you might need the setup diagram to help you put things in order. troy bilt 13an779g766 troy bilt pony lawn tractor 2005. buy mtd lawn mower amp outdoor power equipment spare parts. troy bilt riding mower 13an77tg766 mtd parts. mtd drive belt mtd replacement belts psep biz. troy bilt 14aa80tp766 troy bilt big red horse garden. troy bilt 12a 446a711 parts list and diagram 2006 troy bilt 13ac26jd011 2012 riding ...
Troy Bilt 13wv78ks011 Drive Belt Diagram. Parts diagrams and manuals available. The Troy-Bilt Pony lawn tractor features a inch-wide cutting deck and a The tractor uses a deck belt on a series of pulleys to spin the cutting blades. Troy Bilt 13wv78ks011 Bronco 15 Lawn Tractor Partswarehouse.

Troy bilt pony drive belt diagram
Aug 11, 2018 · heres a. The Troy-Bilt company produces a wide variety of lawn mower brands, such as Troy-Bilt, by a belt drive system need periodic maintenance and belt replacement. Loosen the transaxle pulley nut with a 7/inch socket wrench. Remove the belt guide from the variable speed pulley to gain access to the lower drive belt. The Troy-Bilt Pony model riding lawnmower has a inch cutting deck and 7- speed transmission that are driven by a V-belt from the engine crankshaft. Jan 11, 2018 · The upper drive belt on the inch Troy-Bilt lawn mower is the only serviceable Draw a diagram of how the belt routes around the pulleys on the mower deck. We have parts, diagrams, accessories and repair advice to make your tool Troy -Bilt 13AN77KG (Pony) () Lawn Tractor Parts Drive Assembly.Troy Bilt 13ANG Pony () Drive Exploded View parts lookup by model. Feb 05, 2022 · Troy bilt mower drive belt diagram. Troy-Bilt 42-in Drive Belt for Riding Mower/Tractors (15-in L) Item # 144217 Model # 490-501-M052 Fits 42 In. decks- Troy-Bilt and MTD 600 series lawn tractors (except AutoDrive Step-Thru frame models) 2003 and after As a result, the clutch won't engage, and the lawn mower blades won't rotate. 7 de dez.
Troy bilt pony drive belt diagram. Feb 05, 2022 · Troy bilt mower drive belt diagram. Troy-Bilt 42-in Drive Belt for Riding Mower/Tractors (15-in L) Item # 144217 Model # 490-501-M052 Fits 42 In. decks- Troy-Bilt and MTD 600 series lawn tractors (except AutoDrive Step-Thru frame models) 2003 and after As a result, the clutch won't engage, and the lawn mower blades won't rotate. 7 de dez. Jan 11, 2018 · The upper drive belt on the inch Troy-Bilt lawn mower is the only serviceable Draw a diagram of how the belt routes around the pulleys on the mower deck. We have parts, diagrams, accessories and repair advice to make your tool Troy -Bilt 13AN77KG (Pony) () Lawn Tractor Parts Drive Assembly.Troy Bilt 13ANG Pony () Drive Exploded View parts lookup by model. Aug 11, 2018 · heres a. The Troy-Bilt company produces a wide variety of lawn mower brands, such as Troy-Bilt, by a belt drive system need periodic maintenance and belt replacement. Loosen the transaxle pulley nut with a 7/inch socket wrench. Remove the belt guide from the variable speed pulley to gain access to the lower drive belt. The Troy-Bilt Pony model riding lawnmower has a inch cutting deck and 7- speed transmission that are driven by a V-belt from the engine crankshaft.
0 Response to "41 troy bilt pony drive belt diagram"
Post a Comment