Iklan 300x250

40 Poulan Pp4218avx Fuel Line Diagram

Poulan PP4218AVX Fuel Filter and Fuel Line - Lil' Red Barn The Poulan PP4218AVX fuel filter is designed to filter all fuel fed into the carburetor. The fuel filter is connected to the fuel line with a barb fitting on the nipple of the filter. Poulan PP4218AVX Gas Saw, 4218AVX - Poulan Pro Parts ... Poulan PP4218AVX Gas Saw, 4218AVX - Poulan Pro Parts Diagram for Engine. Order Status. Get Support. 1-877-737-2787. Hours of Operation. M-F 9a-6p ET. Sat 9a-5p ET. Sun (Closed)

USPEEDA Carburetor for Poulan PP4218 PP4218AV PP4218AVX ... Hipa C1M-W26 Carburetor with 530057925 Air Filter Fuel Line Filter Tune-up Kit for Poulan P3314 P3416 P3816 P4018 PP3416 PP3516 PP3816 PP4018 PPB3416 PPB4018 PPB4218 S1970 Power Gas Chainsaw. $23.98. In Stock. Sold by HIPA and ships from Amazon Fulfillment. FREE Shipping on orders over $25.00.

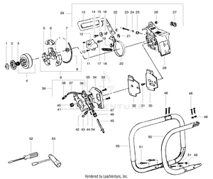
Poulan pp4218avx fuel line diagram

Poulan pp4218avx fuel line diagram

› b › Poulan-Chainsaw-PartsPoulan Chainsaw Parts for Sale - eBay Check your owner's manual for a diagram or parts list. A Poulan chainsaw parts list can help you pinpoint the exact part you need and may even provide part numbers. If you are shopping for a specific model of chainsaw, look for parts designed for it. For example, Poulan 2250 chainsaw parts may not work on a Poulan Pro 295 machine. Poulan Gas Chainsaw | PP4218AVX | eReplacementParts.com Remember this has the small OD fuel line and it has to slip over tightly without over stretching the tube. Hello countrylawyer, The part number 530095646 Fuel Pick-up Assembly is the correct filter for the Poulan PP4218AVX Chainsaw. Poulan Pro Chainsaw Fuel Line Diagram - Diagram Niche Ideas Poulan pro chainsaw fuel line diagram.The fuel lines on my poulan pro 260 have been replaced along with the spark plug. Damaged fuel lines restrict fuel flow and prevent follow the steps in this repair guide to replace fuel lines in common craftsman, husqvarna, mcculloch, mtd, poulan and troybilt chainsaws.

Poulan pp4218avx fuel line diagram. PP4218AVX Poulan Chainsaw Parts & Repair Help | PartSelect Get Parts, Repair Help, Manuals and Care Guides for PP4218AVX Poulan Chainsaw - Gas Chainsaw. View parts like Fuel Line and Engine Fuel Filter. Poulan Chainsaw Fuel Line Diagram | ... installed a new ... Poulan Chainsaw Fuel Line Diagram | ... installed a new carburaetor on a Poulan # 2175 and it - JustAnswer Find this Pin and more on Tools by M Crosby. Poulan Chainsaw Chainsaw Repair Toro Lawn Mower Bandsaw Mill Lawn Mower Repair Line Diagram Lawn Equipment Engine Repair Small Engine More information ... More information Poulan Pp4218avx Fuel Line Diagram - wiringall.com Poulan PP avx; tube (line) inside gas tank connecting filter has rotted and need to replace. Is there a tool used to push line onto "nipple" inside tank. Need a diagram of fuel gas lines on a poulan. Lots of research has shown a lack of diagrams on fuel line . Poulan PPAVX Gas Saw, AVX - Poulan Pro Exploded View parts lookup by model. Poulan Wild Thing Fuel Line Routing - schematron.org on Poulan Wild Thing Fuel Line Routing. November 1, Fixing things makes sense. This article will help you make sense of replacing the fuel return line on a Poulan chainsaw. replacing the fuel. I can't give you an actual diagram but a I can try to explain how it should go. There is a line with the filter in the tank that goes to the bottom of.

45 poulan chainsaw fuel line routing diagram - Modern ... Poulan pro chainsaw fuel line diagram.The fuel lines on my poulan pro 260 have been replaced along with the spark plug. Damaged fuel lines restrict fuel flow and prevent follow the steps in this repair guide to replace fuel lines in common craftsman, husqvarna, mcculloch, mtd, poulan and troybilt chainsaws. Pp4218avx 42cc, Poulan pro ... Poulan Chainsaw Carburetor Fuel Line Diagram Run a new line from the lower carburetor port to the active. the fuel lines that supply gasoline to the engine of your Poulan chainsaw and the outer housing of the chainsaw in place so you can access the carburetor.diagramweb.net: poulan chainsaw fuel line. I need the fuel line diagram for a poulan 2055 chainsaw From The Community. Poulan PP4218AVHD TYPE 1 gas chainsaw manual Are you looking for information on using the Poulan PP4218AVHD TYPE 1 gas chainsaw? This user manual contains important warranty, safety, and product feature information. View the user manual below for more details. Want a copy for yourself? Download or print a free copy of the user manual below. Poulan pro - fuel line configuration - YouTube Pp4218avx 42cc, Poulan pro

Poulan Chainsaw Model PP4218AVX/TYPE 1 Parts - Repair Clinic Fuel line (Large). The fuel line allows fuel to travel from the fuel tank to the carburetor and from the primer bulb to the fuel system. Poulan Chainsaw Spark Plug Genuine OEM Part # 859| RC Item #1863323 Watch Video $4.20 ADD TO CART Champion Spark Plug (RCJ7Y). 10 Best Poulan Pro Link Pp335 Fuel Line Diagram of 2022 Potential sources can include buying guides for Poulan Pro Link Pp335 Fuel Line Diagram, rating websites, word-of-mouth testimonials, online forums, and product reviews. Thorough and mindful research is crucial to making sure you get your hands on the best-possible Poulan Pro Link Pp335 Fuel Line Diagram. PP 4218 AVX - Poulan Pro Chainsaw Housing Parts Diagram PP 4218 AVX - Poulan Pro Chainsaw Housing Parts Diagram Chainsaw Housing Parts Diagram 1 Poulan Part# 530071927 Kit-Trigger/Lockout Usually ships in 1 day $ 7.82 Add to Cart 0 2 Poulan Part# 545011903 Cover-Handle Usually ships in 1 day $ 6.70 Add to Cart 0 3 Poulan Part# 530016433 Screw Usually ships in 1 day $ 3.34 Add to Cart 0 4 Poulan P3314 2-Cycle Chainsaw: Replace Primer Bulb, Fuel ... 30 steps · 45 mins · Materials: Poulan P3314 Primer Bulb, Poulan P3314 Fuel Filter ...1.Start by unscrewing the (3) T25 screws on the top cover2.With the top cover off, disconnect the sparkplug3.Remove the (4) T25 screws securing the starter assembly to the (side) of the chainsaw

How to replace chainsaw fuel lines | Repair guide

How to replace chainsaw fuel lines | Repair guide

PP 4218 AVX - Poulan Pro Chainsaw Parts & Diagrams Parts ... Poulan Pro repair parts and parts diagrams for Poulan Pro PP 4218 AVX - Poulan Pro Chainsaw

Carburetor Air Filter For Poulan Pro PP4218A 18

Carburetor Air Filter For Poulan Pro PP4218A 18" 42CC Chainsaw | eBay

PP4218AVX Poulan Chainsaw Parts & Free Repair Help ... Narrow your search down by symptom and read the amazing step by step instructions and troubleshooting tips for Poulan model PP4218AVX from do-it-yourselfers just like you. We have use and care manuals for Poulan model PP4218AVX and our expert installation videos for Poulan model PP4218AVX below will help make your repair very easy.

Where do the fuel and primer lines go in a Craftsman or Poulan Chainsaw?

Where do the fuel and primer lines go in a Craftsman or Poulan Chainsaw?

Poulan Chainsaw Model PP4218AVX/TYPE 3 Parts - Repair Clinic Poulan Chainsaw Model PP4218AVX/TYPE 3 Parts. Poulan Chainsaw Model PP4218AVX/TYPE 3 Parts are easily labeled on this page to help you find the correct component for your repair. Filter results by category, title and symptom. You can also view diagrams and manuals, review common problems that may help answer your questions, watch related videos, read insightful articles or use our repair help ...

Poulan PP4218 Gas Saw Type 2 Parts Diagram for Starter Type 1-2

Poulan PP4218 Gas Saw Type 2 Parts Diagram for Starter Type 1-2

PP4218AVX TYPE 1 Poulan Chainsaw Parts & Free Repair Help ... The best way to find parts for Poulan chainsaw model PP4218AVX TYPE 1 is by clicking one of the diagrams below. You can also browse the most common parts for Poulan chainsaw model PP4218AVX TYPE 1.

Poulan Pro Dealers Locator - 02/2022

Poulan Pro Dealers Locator - 02/2022

Poulan Pro Fuel Line Diagram - Diagram Niche Ideas Poulan Pro Fuel Line Diagram Allow the engine to warm up small amount (5 to 10%) of #1 diesel fuel or before squeezing the throttle trigger. We have the following poulan poulan pro pr4218 manuals available for free pdf download. Fuel tank to primer bulb to carburetor?

Poulan & Craftsman Chainsaw fuel lines

Poulan & Craftsman Chainsaw fuel lines

42 poulan chainsaw gas line diagram - Wiring Diagram Source Found on Diagram: Engine Fuel Line (25" Long). Step 13. If the primer suction line was damaged, slide the carburetor back onto the mounting bolts. Attach one end of the new fuel line to the incoming fuel port on the carburetor. Move the fuel line through the primer bulb housing and hold the primer bulb up to the fuel line.

POULAN PRO BLOWER Model 432 Parts List 530067599 (1990) £7.35 ...

POULAN PRO BLOWER Model 432 Parts List 530067599 (1990) £7.35 ...

Poulan Chainsaw Repair Manual Pdf > , ebezpieczni.org Poulan pp4218avx fuel line diagram Operator's Manual: Poulan Pro P3816 Chain Saw 966557801 (115327926-2010) Watch later Watch on Going to get a line on that Judas. Before long he was powerful enough to declare publicly and in mockery of the duchy that he held the keys to its succession. In fact, and offered her lips for a kiss!

Poulan Pro Chainsaw Tune Up Kit, Fits Poulan Pro Chainsaw Models PR4016,  PR4218, PR5020, 594935401 at Tractor Supply Co.

Poulan Pro Chainsaw Tune Up Kit, Fits Poulan Pro Chainsaw Models PR4016, PR4218, PR5020, 594935401 at Tractor Supply Co.

Poulan PP4218AVX gas chainsaw parts | Sears PartsDirect Poulan PP4218AVX gas chainsaw parts - manufacturer-approved parts for a proper fit every time! ... Click a diagram to see the parts shown on that diagram. In the search box below, enter all or part of the part number or the part's name. ... Main causes: cracked fuel lines, leaky carburetor seals, damaged fuel tank cap, cracked fuel tank. Read ...

How to Replace Fuel Lines on Two Cycle/Two Stroke Engines

How to Replace Fuel Lines on Two Cycle/Two Stroke Engines

Poulan PP4218AVX Gas Saw, 4218AVX - Poulan Pro Parts Diagrams There are (109) parts used by this model. Found on Diagram: Engine 530016153 Screw Options 573992801 Ignition Module (No Longer Available) Options 530016432 Screw Options 530058661 Ground Strap Options 530057943 Wire Harness Assembly Options 530055698 REFLECTOR HEAT Options 530057872 HOUSING CYLINDER SHIE (Incl.1,6) Options 530016080 Screw Options

Details about Carburetor for Poulan P3314 P3416 P4018 PP3816 Zama C1M-W26C  545070601 Chainsaw

Details about Carburetor for Poulan P3314 P3416 P4018 PP3816 Zama C1M-W26C 545070601 Chainsaw

Poulan Pp4218avx Fuel Line Diagram - schematron.org We Sell Only Genuine Poulan ® Parts. Poulan PPAVX Gas Chainsaw Parts Remember this has the small OD fuel line and it has to slip over tightly. Poulan PPAVX Gas Saw, AVX - Poulan Pro Exploded View parts lookup by model. Found on Diagram: Engine Fuel Line (25" Long). I need fuel line diagram for poulan schematron.org does crankcase hose.

C1M W26C Carburetor+Air Filter Spark Plug Carb Adjustment ...

C1M W26C Carburetor+Air Filter Spark Plug Carb Adjustment ...

OEM Poulan Chainsaw Parts [PP4218AVX] | Repair Videos ... Poulan Chainsaw PP4218AVX Find Part By Location Engine Housing Find Part By Name Search the entire PP4218AVX for your part by name. Keep searches simple, e.g. "belt" or "pump". Need help? Find Answers Questions & Answers Find Part By Symptom Choose a symptom to view a list of parts that fix that symptom. Questions and Answers

www.mymowerparts.com

www.mymowerparts.com

poulan pro pp4218a 42cc chainsaw carburetor fuel line ... carb kithttps://amzn.to/3AqoDMzif this video helped you donate a buck or two to my GoFundMe accounthttps:// ...

Poulan 4000 Fuel Filter and Fuel Line

Poulan 4000 Fuel Filter and Fuel Line

How to Replace the Fuel Return Line on a Poulan Chainsaw ... This article provides step-by-step instructions for replacing the fuel return line on a Poulan chainsaw. Let's get started. REMOVING THE FUEL RETURN LINE [top] 1. Drain the fuel. Drain any excess fuel from the tank. 2. Remove the top cover. Remove the (3) screws securing the top cover to the saw. Lift the top cover away from the saw. 3.

Poulan P3314 2-Cycle Chainsaw: Replace Primer Bulb, Fuel ...

Poulan P3314 2-Cycle Chainsaw: Replace Primer Bulb, Fuel ...

Poulan Pro Chainsaw Fuel Line Diagram - Diagram Niche Ideas Poulan pro chainsaw fuel line diagram.The fuel lines on my poulan pro 260 have been replaced along with the spark plug. Damaged fuel lines restrict fuel flow and prevent follow the steps in this repair guide to replace fuel lines in common craftsman, husqvarna, mcculloch, mtd, poulan and troybilt chainsaws.

Poulan Pro PP455 Gas Chain Saw

Poulan Pro PP455 Gas Chain Saw

Poulan Gas Chainsaw | PP4218AVX | eReplacementParts.com Remember this has the small OD fuel line and it has to slip over tightly without over stretching the tube. Hello countrylawyer, The part number 530095646 Fuel Pick-up Assembly is the correct filter for the Poulan PP4218AVX Chainsaw.

SOLVED: Fuel line diagram for a poulan 4218avx - Fixya

SOLVED: Fuel line diagram for a poulan 4218avx - Fixya

› b › Poulan-Chainsaw-PartsPoulan Chainsaw Parts for Sale - eBay Check your owner's manual for a diagram or parts list. A Poulan chainsaw parts list can help you pinpoint the exact part you need and may even provide part numbers. If you are shopping for a specific model of chainsaw, look for parts designed for it. For example, Poulan 2250 chainsaw parts may not work on a Poulan Pro 295 machine.

Poulan Chainsaw Fuel Line Repair, How to Replace the Fuel ...

Poulan Chainsaw Fuel Line Repair, How to Replace the Fuel ...

Hayskill: Top 19 Products from Chain Saw Accessories Brand ...

Hayskill: Top 19 Products from Chain Saw Accessories Brand ...

530047192 Poulan 2025 2550 2350 Pro 260 Fuel Gas Tank Cap OEM ...

530047192 Poulan 2025 2550 2350 Pro 260 Fuel Gas Tank Cap OEM ...

Poulan P3314 2-Cycle Chainsaw: Replace Primer Bulb, Fuel ...

Poulan P3314 2-Cycle Chainsaw: Replace Primer Bulb, Fuel ...

SOLVED: Fuel line diagram for a poulan 4218avx - Fixya

SOLVED: Fuel line diagram for a poulan 4218avx - Fixya

Poulan Pro Pp4218Avx Users Manual OM, PP4218AVX, 2008 07 ...

Poulan Pro Pp4218Avx Users Manual OM, PP4218AVX, 2008 07 ...

Chainsaw Repair - Replacing the Carburetor (Poulan Part # 545070601)

Chainsaw Repair - Replacing the Carburetor (Poulan Part # 545070601)

Chainsaw fuel line replacement in a Poulan

Chainsaw fuel line replacement in a Poulan

Poulan | DIY Forums

Poulan | DIY Forums

How do I route /replace the fuel line on a Poulan PP4620AVHD ...

How do I route /replace the fuel line on a Poulan PP4620AVHD ...

Poulan P3314 2-Cycle Chainsaw: Replace Primer Bulb, Fuel ...

Poulan P3314 2-Cycle Chainsaw: Replace Primer Bulb, Fuel ...

Details about Carburetor Tune Up Kit for Poulan Pro PP4218A PP4218AVX 18

Details about Carburetor Tune Up Kit for Poulan Pro PP4218A PP4218AVX 18" Bar 42cc Chain Saw

Fuel Line

Fuel Line

Carburetor W/ Primer Bulb For Poulan Craftsman Zama C1M-W26C P3314 P3314WS  PP3516 PP3816 545040701

Carburetor W/ Primer Bulb For Poulan Craftsman Zama C1M-W26C P3314 P3314WS PP3516 PP3816 545040701

Carburetor Carb for Poulan PP4018 PP4218 PP4218AV PP4218AVX CS2138C  Chainsaw | eBay

Carburetor Carb for Poulan PP4018 PP4218 PP4218AV PP4218AVX CS2138C Chainsaw | eBay

HOMELITE SUPER XL, XL12 FUEL LINE & FUEL FILTER, REPLACES HOMELITE PART #  7031037 & 59253-1A

HOMELITE SUPER XL, XL12 FUEL LINE & FUEL FILTER, REPLACES HOMELITE PART # 7031037 & 59253-1A

Poulan Pro Carburetor

Poulan Pro Carburetor

Poulan PP4620AVHD Gas Saw Parts Diagram for Engine Assembly

Poulan PP4620AVHD Gas Saw Parts Diagram for Engine Assembly

Poulan pro - fuel line configuration - YouTube

Poulan pro - fuel line configuration - YouTube

Poulan Chainsaw Fuel Line Repair, How to Replace the Fuel ...

Poulan Chainsaw Fuel Line Repair, How to Replace the Fuel ...

Podoy P3816 Carburetor for Poulan Chainsaw Parts with Air ...

Podoy P3816 Carburetor for Poulan Chainsaw Parts with Air ...

How to Replace the Fuel Return Line on a Poulan Chainsaw ...

How to Replace the Fuel Return Line on a Poulan Chainsaw ...

Chainsaw Carburetor 545070601 Chainsaws | Chainsawsi.com

Chainsaw Carburetor 545070601 Chainsaws | Chainsawsi.com

Parts for Poulan PP4218AVX: Chassis / Bar / Handle Parts ...

Parts for Poulan PP4218AVX: Chassis / Bar / Handle Parts ...

0 Response to "40 Poulan Pp4218avx Fuel Line Diagram"

Post a Comment

Iklan Atas Artikel

Iklan Tengah Artikel 1

Iklan Tengah Artikel 2

Iklan Bawah Artikel