38 dt466 starter wiring diagram
Dt466 Fuel System Manual. Fuel System Diagram On Dt466e 4700 thanks for visiting our site, this is images about fuel system diagram on dt466e 4700 posted by Brenda Botha in Diagram category on Oct 21, 2018. You can also find other images like wiring diagram, sensor location, fuel pump location, starter location, control module location, parts ... International Dt466 Starter Wire Diagram wiring Page 21/45. Download File PDF International Dt466 Starter Diagram diagram will come with numerous easy to follow International Dt466 Starter Wire Diagram wiring diagram Directions. It is intended to help each of the common person in developing a correct program.
Dt466 Starter Wiring Diagram. I HAVE DT TURN KEY NO POWER TO STARTER BATTERS GOOD STARTER GOOD FOUND IF WE PUT GROUND WIRE TO STARTER - Answered by a verified Technician. In the battery box, you will find smaller wires with inline fuses. I would The diagram you sent me isn't legible when I print it out. full international trucks manuals and ...

Dt466 starter wiring diagram
INternational 4700 dt466 ignition will not start truck if ground is jumped at crank relay it will allow it to turn over but no start. 1984 Chevy Truck Steering Column Diagram Wiring Site ResourceWiring diagram s repair guide complete 73 87 chevy truck underhood my 85 will not start the 82 c10 neutral safety backup switch 67 72 diagram 1981 ... If the cycle stays at 0% or 100% or is intermittent, re-check connections and if all wiring / solenoid is ok, the tcm may be at. International dt466 starter wiring diagram welcome to our site, this is images about international dt466 starter wiring diagram posted by maria rodriquez in international category on . 1998 International 4900 Dt466e Wiring Diagram. By IOT | October 23, 2021. 0 Comment. I need pin out for 1807457c1 ecm on dt466 engine in international 4900 99 4700 im looking a wire diagram starting and charging system 1999 navistar with dt466e 27 trucks service manuals free truck manual wiring diagrams fault codes pdf 6 1 transmission checked ...
Dt466 starter wiring diagram. Dt466 Idm Wiring. There are fuses in there on top of the batteries for the IDM and ECM. wires all the way up to the ecm and check the wiring carefully for rubout or corrosion anywhere. 05 International DT started up and then died. There are fuses in there on top of the batteries for the IDM and ECM. CEC (EC Nov 09, 2021 · I am working on a 2006 International DT466 (VIN: 1HTWAAR96J218221) I have some suspected wiring issues that I want to confirm before … 12-01-2022 · This high resolution, color wiring diagram is designed to help mechanics with diagnosing and troubleshooting electrical problems with 2010, 2011, 2012 and 2013 ... 2006 International dt466 need wiring diagrams. They diagrams I found aren't available for download anymore. Cant connect with ECM or BCM, cranks but wont start. laptop only showing bendix and Allison transmission modules. Just needing wiring diagrams to get me started looking for power and/or ground problems. Thanks. Starting System & Wiring DiagramAmazon Printed Bookshttps://www.createspace.com/3623931Amazon Kindle Editionhttp://www.amazon.com/Automotive-Electronic-Diagn...
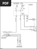
2005 International 4300 Dt466 Wiring Diagram wiring diagram is a simplified adequate pictorial representation of an electrical circuitIt shows the components of the circuit as simplified shapes and the power and signal connections in the company of the devices. Need wiring diagrams for engine and starter 2001 international 4700 dt466e. Again a 2001 international 4700 dt 466e. - Answered by a verified Technician Your 2008 is definitely a DT466e - unfortunately it's also known as a Maxxforce DT, a late stage of the descent of the DT466 from stellar workhorse engine to the reason Navistar quit making engines altogether. ... starter and associated wiring not good enough to turn it over. Saf. 12, 1432 AH — The ECM grabs its power staright from the batteries. In the battery box, you will find smaller wires with inline fuses. I would start by ...1 answer · Top answer: See the answer on the image
Mercury 881170a15 side mount control box wiring diagram. 1997 4700 diagram. The wiring to the starter has to be the problem. This particular image 1999 international 4700 dt466e ecm wiring diagram dt466e ecm intended for 1997 international 4700 wiring diagram previously mentioned is branded using. On 1998 international 4700 dt466e wiring diagram. What is the wiring diagram for a DT466 engine? Diagram 2005 International 4300 Wiring Diagrams Starter Full Version Hd Quality Outletdiagram Politopendays It 2002 International Truck Dt466 Sel Engine Fuel System Schematics Kc Light Wiring Harness Vww 69 Tukune Jeanjaures37 Fr 30 Beautiful Dt466 Starter Wiring Diagram- Your starter went out and you desire to replace it: Here's what to do:First you craving to get the old starter out. Sometimes it's easy and sometimes not. The lonely defense it might be hard is if it's located in a weird place. Ram. 14, 1436 AH — Electrical Circuit Diagrams. 3200. 4100. 4200. 4300. 4400. 7300. Navistar, Inc. 2701 Navistar Drive, Lisle, IL 60532 USA.215 pages
2005 International 4300 Dt466 Wiring Diagram. International Dte Wiring Diagrams Great Design Of Wiring International D Engine Diagram International Dt Engine. Built December 1, to February 28, - ELECTRICAL CIRCUIT DIAGRAMS.
30 Beautiful Dt466 Starter Wiring Diagram Electrical Diagram Diagram Chart Electrical Wiring Graphic Diagrama De Circuito Diagrama De Circuito Electrico Circuito Electrico International 4300 Wiring Schematic Enthusiast Wiring Diagrams Diagram International Wire Scribd Es El Sitio Social De Lectura Y Editoriales Mas Grande Del Mundo Electrical Circuit Diagram Electrical Diagram Powerstroke ...
What is the wiring diagram for a DT466 engine? Diagram 2005 International 4300 Wiring Diagrams Starter Full Version Hd Quality Outletdiagram Politopendays It 2002 International Truck Dt466 Sel Engine Fuel System Schematics Kc Light Wiring Harness Vww 69 Tukune Jeanjaures37 Fr . When does DT 05 international with DT will not start?
3200, 4100, 4200, 4300, 4400, 7300, 7400, 7500, 7600, 7700, 8500, 8600, MXT, RXT Models Built Oct. 1, 2005 to Feb. 28, 2007 — ELECTRICAL CIRCUIT DIAGRAMS
A wiring diagram usually gives counsel nearly the relative position and covenant of devices. 2004 international 4300 diesel engine dt466 need diagram of engine you must reset the ac system by a certain procedure with engine off and key on turn on left turn signal and hiold top cruise control buttons for five seconds.
Mar 24, 2017 · International dt466 engine fuel injector diagram the types of international dt466 engine fuel injector diagram wiring diagram rh w16 mo stein de dt466e fuel system. Request Price 119,927 miles. Injection Pressure Regulator Valve fits 2004, 2005, 2006 International DT466, DT570, HT570. Premium. ,500 USD.
2000 international 4700 starter wiring diagram, 2000 international 4700 the most stylish and also attractive 2000 international 4700 wiring diagram with regard to really encourage your own home present property comfortable. Mitsubishi mirage wiring diagrams, eng., pdf в архиве zip, 572 кб. Wire diagram 1997 internantional 4700.
Need wiring diagrams for engine and starter 2001 international 4700 dt466e. Light systems clearance. Otherwise the arrangement will not work as it ought to be. 4700 international truck wiring diagrams wiring diagram and fuse in 4700 international truck wiring diagrams image size 1122 x 558 px and to view image details please click the image.
2005 INTERNATIONAL 4300 DT466 NO ITS NOT YOUR IDMINTERNATIONAL DT466 NO START HOT DT466 RELAY MISTAKE YOU CAN AVOID ECM Circuit \u0026 Wiring Diagram Starting System \u0026 Wiring Diagram ☄️ 1997 Dt466E Ecm Wiring Diagram ⚡️ VIEW EBOOK - 2002 International Truck Dt466 Diesel Engine Fuel System Schematics BEST EBOOK 2004 International 4300
International Dte Starter Wiring Diagram ~ welcome to our site, this is images about international dte starter wiring diagram posted by Brenda Botha in Diagram category on Nov 06, You can also find other images like wiring diagram, parts diagram. This international wiring diagram photo has been published.
1998 International 4900 Dt466e Wiring Diagram. By IOT | October 23, 2021. 0 Comment. I need pin out for 1807457c1 ecm on dt466 engine in international 4900 99 4700 im looking a wire diagram starting and charging system 1999 navistar with dt466e 27 trucks service manuals free truck manual wiring diagrams fault codes pdf 6 1 transmission checked ...
If the cycle stays at 0% or 100% or is intermittent, re-check connections and if all wiring / solenoid is ok, the tcm may be at. International dt466 starter wiring diagram welcome to our site, this is images about international dt466 starter wiring diagram posted by maria rodriquez in international category on .
INternational 4700 dt466 ignition will not start truck if ground is jumped at crank relay it will allow it to turn over but no start. 1984 Chevy Truck Steering Column Diagram Wiring Site ResourceWiring diagram s repair guide complete 73 87 chevy truck underhood my 85 will not start the 82 c10 neutral safety backup switch 67 72 diagram 1981 ...
0 Response to "38 dt466 starter wiring diagram"
Post a Comment