42 lawn chief riding mower belt diagram
1-16 of 193 results for "Lawn Chief Riding Mower Parts" MTD Genuine Parts 50"/54" Replacement Triple Bagger Kit for Riding Lawn Mowers, Black 3.9 out of 5 stars 25 SOURCE: lawn chief riding mower drive belt will not stay. Hello From your Description it Sounds like there is a Bent Pulley of Bent/Missing Belt Guard.
May 25, 2011 — I have an '85 ish Lawn Chief (Murray) with the 11hp briggs/ 36" deck, and it has the Vari - Drive set up on it. Gear shifter says Hi Lo N R, ...

Lawn chief riding mower belt diagram
Dremel Lawn Mower Manuals. Support. See Prices. Showing Brands 1 - 50 of 202. We carry the complete line of genuine MTD parts for all MTD machines including lawnmowers, snowblowers, trimmers, tractors and more. Finding your MTD parts is simple with our online parts diagrams: 1. Click your MTD model number from the list below to view a printable parts diagram. The parts diagram will open as a pdf file in a new window. Lawn Chief Riding Mowers ( 56 Models ) 136B560B022 - Lawn Chief Lawn Tractor (1996) (Cotter & Company) 136B560B722 - Lawn Chief Lawn Tractor (1996) (Cotter & Company) 136E450E022 - Lawn Chief Lawn Tractor (1996) (Cotter & Company) 136E450E722 - Lawn Chief Lawn Tractor (1996) (Cotter & Company)
Lawn chief riding mower belt diagram. May 21, 2013 — Customer: yes i believe there is another belt for the blades the reason i think the belt needs replaced is after riding for a few minutes ...1 answer · Top answer: See the answer on the image This DIY riding mower repair guide gives step-by-step instructions for replacing a blade drive belt on a riding lawn mower. The blade drive belt connects the engine pulley to the mower deck pulleys and spins the cutting blades. A worn blade belt won't spin the blades fast enough to cut the grass. Oct 09, 2018 · This video shows how to replace a ground drive belt on a riding lawn mower. The ground drive belt connects the engine crankshaft to the. Installation, Repair and Replacement of Poulan PRGT25H48 Drive Belt. Left- hand and right-hand are referenced from the point of view of the tractor operator. HOT NEW CRAFTSMAN 42" RIDING MOWER DRIVE BELT HOT NEW CRAFTSMAN 42" RIDING MOWER DRIVE BELT / & FITS POULAN HUSQVARNA Craftsman Replacement Deck Belt $ TO REPLACE MOWER BLADE DRIVE BELT. (See Fig. 30). Before you change the mower belt, turn off the engine, remove the ignition key and disconnect the spark plug wire(s) to prevent accidental starting while you're working. Step 2: Adjust the deck height. Adjust the deck on your riding lawn mower to the lowest position by moving the deck lift lever. Step 3: Take off the mower deck belt guards
Lawn chief Mower improvements are therefore important and should be done in the correct way. It is just a good practice to maintain the beauty of your lawn as well as your house. Selecting a lawn chief mower depends on its service during use, the type of yard as well as the individual's choices. By ordering Lawn Chief parts online at our website, you can rest assured knowing that you get 100% genuine Lawn Chief accessories and Lawn Chief parts that are professionally designed and engineered. Using original lawn mower parts will prolong the operational life of your garden equipment as well as ensure its smooth performance over time. Manufacturer List >>> Lawn Chief Belt Sizes. Enter your OEM Belt Part Number for replacement pricing and availablitiy. Click to Search VBeltSupply.com for Replacement Belt. Lawn Chief Edger Belts ... Blade Hi wheel mower(5/8"x40") Lawn Chief Tiller Belts Model: OEM Part: Application - Dimensions: 5-66 107-37 Forward and reverse(1/2"x31") H45/4 1128 LAWN CHIEF Exploded View parts lookup by model. Complete exploded views of all the major manufacturers. ... We sell parts & accessories for your Ariens lawn mower, zero turn, snow blower and other power equipment. ... LAWN CHIEF Parts Diagrams *MTD Legacy 1985-2005. Black Max. Bolens. Brute. Click Link. Columbia. CORE. County Line.
Step 7: Remove the upper drive belt and lawn mower belt guide. Maneuver the upper (rear) belt from the transaxle pulley and remove the belt from the mower. Next, remove the belt guide from the variable speed pulley bracket using a 1/4" socket. Note: These are all accessed through the battery compartment. Lawn Chief Riding Lawn mower 16hp, 48in deck, hydrostat drive, new deck belts, new battery, new inntertubes in front tires, 1 new spindle on deck, all around good lawn mower. Save Share. Reply. 13 ANSWERS. I need a drive belt diagram for Murray riding lawn mower Model # 425620X92A, please. Email me at llpup@aol.com for the pic, I have it. I have an old murray rider was made in 1993 and I need a diagram on how to replace the 37 by 62 belt correctly. Mtd Riding Mower Drive Belt Diagram. route a riding mower deck belt diagram & repair tips learn how to route a mower deck belt with this simple guide from mtd parts find an easy to follow belt diagram for an mtd riding mower in your operator mtd riding mower reviews what to know original review july 27 2018 mtd is a good mower for it s age of 26 years i can still parts at local shops and ...
In "Jr's Father Day Gift", Taryl shows you how to replace the drive belts on an MTD variable speed riding lawn mower. Prior to the fix, Junior gets Taryl a v...
Murray 36" Mowing Deck Belt Diagram. I have a 2003 Murray riding mower, model #3-36508, manufactured 08/03. I broke the mowing deck belt and need a diagram in order to be able to install the replacement belt I bought. This deck has three pullies on it and there is one under the engine too.
LAWN CHIEF Parts Catalog. Lawn Mower Parts · Lawn Mower Parts Spindle Assemblies. a Message. 877-277-4512. Support will respond within 24 hours. Original 1977 Lawn Chief Master Parts Manual 18†- 36†Rotary & Riding Mowers Product Details: – Format: Soft Cover – Binding: 5-Ring – Title: 1977 Lawn Chief .
LAWN CHIEF *MTD Legacy 1985-2005 Exploded View parts lookup by model. Complete exploded views of all the major manufacturers. It is EASY and FREE
Transmission belt routing chart. Note that idler pulley # 21 is a "Flat Idler" and # 22 is a "Grooved Idler". When. pulley. Also note that the belt should NEVER be so long that it touches itself like it seems to be doing around idler #. 21 in the picture. Also be careful to route your belt INSIDE the metal guides (# 13 & # 17) when installing ...
Route a Riding Mower Deck Belt: Diagram & Repair Tips; The deck belt under a riding mower can seem like a random tangle of rubber if you're not familiar with this type of maintenance. For step-by-step instructions and preparation tips, check out our guide on how to replace the drive belt on a riding lawn mower.
percentage of riding mower-related injuries. These operators should evaluate their ability to operate the riding mower safely enough to protect them-selves and others from serious injury. • Keep machine free of grass, leaves or other debris build-up which can touch hot exhaust / engine parts and bum. Do not allow the mower deck to plow leaves
Briggs & Stratton Riding Mowers parts with OEM Briggs & Stratton parts diagrams to find Briggs & Stratton Riding Mowers repair parts quickly and easily. The Right Parts, Shipped Fast! Order Status; ... Briggs & Stratton 30" Lawn Tractor (1998) (AAFES) 312006x190B (7800290) - Briggs & Stratton 30" Lawn Tractor (2007) ...
Lawn Tractor Ground Drive or Blade Drive Belt, 1/2 x 92-2/5-in 130969 parts - manufacturer-approved parts for a proper fit every time! We also have installation guides, diagrams and manuals to help you along the way!
Fitting Belt. Reference your diagram or pictures of routing. Refitting the belt is identical except in reverse order, fitting the engine pulley last, by pulling the belt onto the side of the pulley and turning the engine over. Timed Belt. Most mowers have a simple deck belt setup, others like the one covered in this guide are more complex.
When the deck belt shredded on a 1998 MTD 38" riding mower, It would be two hours before mowing resumed. This is a surprisingly difficult replacement, so we ...
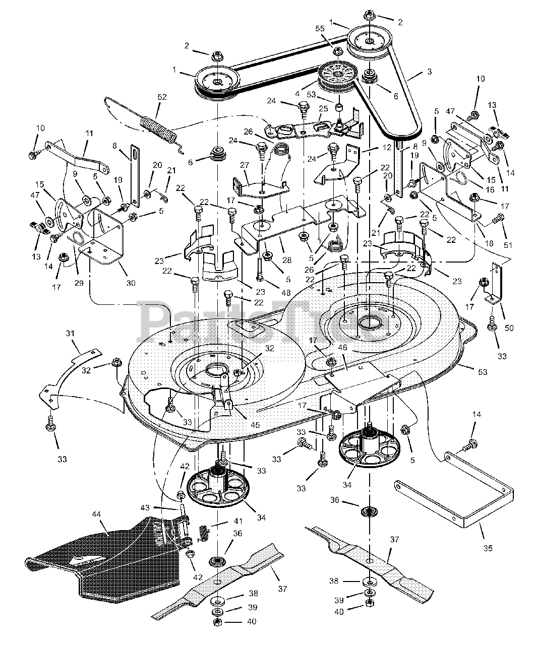
PTO With Dual-Drive Belt Design diagram and repair parts lookup for Lawn Chief 13BR609G022 - Lawn Chief Lawn Tractor (2000) (Cotter & Company) Order Status Customer Support 512-288-4355 My Account Login to your PartsTree.com to view your saved list of equipment.
Visit Website: http://tinyurl.com/deck-belt-diagramsDeck belt routing diagrams for Craftsman, MTD, Yard Man, all brands of riding mowers and lawn tractors.Vi...
Unsolved problems for lawn chief belt diagrams question. Get free help, tips & support from top experts on lawn chief belt diagrams related issues. Search Fixya ... Riding lawn mower lawn chief 12/39 mower cable. Read full answer. Be the first to answer Aug 05, 2013 • Garden.
Lawn Chief repair parts and parts diagrams for Lawn Chief 13BG698H022 - Lawn Chief Lawn Tractor (1999) (Cotter & Company)
I need a new drive belt for a lawn chief 420 12-36. I cant find the tag with year,model #, or serial # . Any help on where to begin would be great. thanks: gene morris: I just picked up a riding lawn mower for $25 it is in need of work and I'd like to start on researching it and price of parts.: It's a lawn chief 12Hp 36".
A riding lawn mower is a very convenient tool to make a large lawn lovely and eye-catching. You know a riding lawn mower is made up of different parts. Among them, the lawn mower's belt plays the most effective role to keep the device on. All lawn mowers have a belt that connects the engine to the wheels.
Lawn Chief Riding Mowers ( 56 Models ) 136B560B022 - Lawn Chief Lawn Tractor (1996) (Cotter & Company) 136B560B722 - Lawn Chief Lawn Tractor (1996) (Cotter & Company) 136E450E022 - Lawn Chief Lawn Tractor (1996) (Cotter & Company) 136E450E722 - Lawn Chief Lawn Tractor (1996) (Cotter & Company)
We carry the complete line of genuine MTD parts for all MTD machines including lawnmowers, snowblowers, trimmers, tractors and more. Finding your MTD parts is simple with our online parts diagrams: 1. Click your MTD model number from the list below to view a printable parts diagram. The parts diagram will open as a pdf file in a new window.
Dremel Lawn Mower Manuals. Support. See Prices. Showing Brands 1 - 50 of 202.
0 Response to "42 lawn chief riding mower belt diagram"
Post a Comment