38 montgomery ward tiller parts diagram
25 Apr 2020 — Working on old wards tiller TMO 39103b and having trouble cause it's really old. Trying to find manuals and or parts diagram. Montgomery Ward Tiller Parts. Montgomery Ward Tiller Parts: Jack's is your place! We have the Montgomery Ward Tiller Parts you need, with fast shipping and great prices. For power equipment parts and accessories, think Jack's!
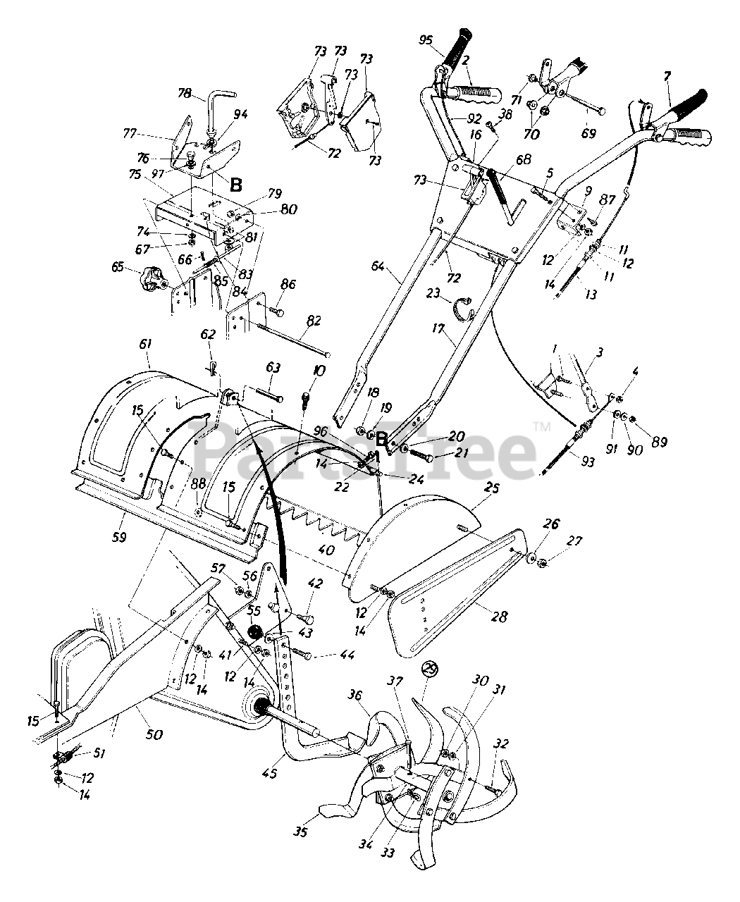
Montgomery Ward Tillers parts with OEM Montgomery Ward parts diagrams to find Montgomery Ward Tillers repair parts quickly and easily. The Right Parts, Shipped Fast! Order Status; Customer Support; 512-288-4355; My Account; Order Status. Customer Support. 512-288-4355. My Account.

Montgomery ward tiller parts diagram
Carb cleaning, cord change, getting it ready, need to treat the tank with vinegar to get all the rust out.Manual can be found herehttps://sites.google.com/vi... Montgomery Ward is a leading manufacturer of high-quality appliances in the United States. Montgomery Ward appliances are extremely reliable and rarely break down. Eventually parts can eventually wear out on your Montgomery Ward appliance. When that happens, trust Sears PartsDirect to have the parts you need to get your Montgomery Ward ... MTD Montgomery Ward Parts Diagrams 11-Push Walk-Behind Mowers. 12-Self-Propelled Walk-Behind Mowers. 13-Lawn Tractors. 18-Electric Mowers. 31-Snow Throwers. JACK'S Newsletter. Subscribe to our email newsletter to receive promotions, helpful DIY articles, and special offers. ...
Montgomery ward tiller parts diagram. Montgomery Ward, Garden Mark, & Powr Kraft Rotary Garden Tillers by Gilson Parts, Manuals, and Technical Support Montgomery Ward was a long standing catalog and retail seller of general merchandise including lawn and garden equipment. Find Montgomery Wards Tiller Replacement Parts at RepairClinic.com. Repair your Montgomery Wards Tiller for less. Fast, same day shipping. 365 day right part guaranteed return policy. Montgomery Ward Tiller gil 1585 B. 0 Solutions. Please help find the manual for this Montgomery Ward Tiller. Montgomery Ward Tiller Gil1580f. 0 Solutions. I need the belt diagram for model Gil 39032 D gar. Montgomery Ward Tiller Gil 39032 D. 0 Solutions. Needing the part number for the reverse polarity f. Belts needed, Gilson Industrial Vbelt V-Belt 6163 3/8" x 37" and Gilson Industrial Vbelt V-Belt 1110 1/2" x 35". Manual can be found herehttps://sites.go...
I'm looking for a parts manual or belt diagrams for a Gilson Model no. Gil39007A rototiller. Eugene Hubnik: where can i get parts for mdl gil1580j gear drive Montgomery ward garden tiller. buster leonard: I need a belt digram for a Montgomery Wards Reverse Power Kraft tiller If someone could help please E-Mail: Jesse Lamunyon MTD Montgomery Ward Parts Diagrams 11-Push Walk-Behind Mowers. 12-Self-Propelled Walk-Behind Mowers. 13-Lawn Tractors. 18-Electric Mowers. 31-Snow Throwers. JACK'S Newsletter. Subscribe to our email newsletter to receive promotions, helpful DIY articles, and special offers. ... Montgomery Ward is a leading manufacturer of high-quality appliances in the United States. Montgomery Ward appliances are extremely reliable and rarely break down. Eventually parts can eventually wear out on your Montgomery Ward appliance. When that happens, trust Sears PartsDirect to have the parts you need to get your Montgomery Ward ... Carb cleaning, cord change, getting it ready, need to treat the tank with vinegar to get all the rust out.Manual can be found herehttps://sites.google.com/vi...
0 Response to "38 montgomery ward tiller parts diagram"
Post a Comment