Iklan 300x250

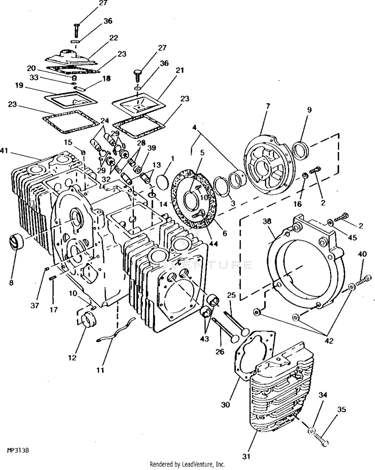
41 onan b48g parts diagram

11 Dec 2008 NEW OEM PART A042P619 Since Onan changed the part number they also raised the price by a whopping 90. ... Onan Generators For Sale Used ...

"personal qualities, gifts of ability, share of mental endowments or acquirements," 1560s, from part (n.).

Service. Service. Manual. ENGINE, FUEL AND. ELECTRICAL SYSTEMS. (Onan). GSS-1484.2. September, 1983. INTERNATIONAL HARVESTER. NORTH AMERICA OPERATIONS.82 pages

Onan b48g parts diagram

Onan b48g parts diagram

ONAN B48G-GA020 & B48G-Ga019.9 Engine Parts Manual 965-0256 - $30.00. FOR SALE! USEDONAN PARTS ManualCovers These Models:B48G-GA020B48G-GA19.9 USED IN GEHL ...

1703, "union of parts, parts of a thing taken together," from French ensemblée "all the parts of a thing considered together," from Late Latin insimul "at the same time," from in- intensive prefix + simul "at the same time," related to similis "like, resembling, of the same kind" (see similar). Musical sense of "union of all parts in a performance" in English first attested 1844. Of women's dress and accessories, from 1927. Earlier in English as an adverb (mid-15c.), "together, at the same time."

1610s, "an illustrative figure giving only the outlines or general scheme of the object;" 1640s in geometry, "a drawing for the purpose of demonstrating the properties of a figure;" from French diagramme, from Latin diagramma "a scale, a musical scale," from Greek diagramma "geometric figure, that which is marked out by lines," from diagraphein "mark out by lines, delineate," from dia "across, through" (see dia-) + graphein "write, mark, draw" (see -graphy). Related: Diagrammatic; diagrammatically. The verb, "to draw or put in the form of a diagram," is by 1822, from the noun. Related: Diagrammed; diagramming.

Onan b48g parts diagram.

"masturbation," also "coitus interruptus," 1727, from Onan, name of the son of Judah (Genesis xxxviii.9), who spilled his seed on the ground rather than impregnate his dead brother's wife: "And Onan knew that the seed should not be his; and it came to pass, when he went in unto his brother's wife, that he spilled it on the ground, lest that he should give seed to his brother." The moral point of the verse was redirected by those who sought to suppress masturbation. Related: Onanist; onanistic.

Products 1 - 10 of 46 99 Read More Onan Engine Performer Owner, Service And Parts 3 Manual S P216 P220 P224 P218 Hp - $99.

onan mme used parts onan stator convert onan generator to propane onan mme generator onan generators circuit board parts the story of onan onan majb ...

"in two parts, having two corresponding parts," 1570s, from Latin bipartitus "divided," past participle of bipartire "to divide into two parts," from bi- "two" (see bi-) + partitus, past participle of partiri "to divide" (from pars "a part, piece, a share," from PIE root *pere- (2) "to grant, allot"). Related: Bipartition.

Flybaby parts manual ... Onan b48g manual ... Transalp 650 parts manual

1 ONAN B48G-GA020 B48G-GA019.9. ENGINE PARTS MANUAL CATALOG. Reproduction of Original Manufacturers Manual.

By gwest_ca-(File Mod) Service manual 45 pages 2.6MB B43M (Spec C) B48M (Spec A) B43M Onan takes Champion RH18Y spark plug Onan B43M-GA016 ...

also p.p.m., abbreviation of parts per million, attested by 1913.

2021-07-26 Best Onan B48g Engine Review & Buying Guide in 2021 ... 2021-07-26 Best Glow In The Dark Themed Party Review & Buying Guide in 2021

1918 (Venn's diagram is from 1904), named for English logician John Venn (1834-1923) of Cambridge, who explained them in the book "Symbolic Logic" (1881).

Onan B48G series Pdf User Manuals. View online or download Onan B48G series Service Manual.

Results 1 - 16 of 3000+ — DB Electrical SMT0181 Starter Compatible With/Replacement For John Deere Tractor 316 318 420 1984-1991 Onan Engines B43E B43G B48G (79-On) ...

Onan B48G Carburetor

Onan b48g carburetor

Came off an onan powered machine show other than having to notch for the massey muffler support, was bolt on. ... points gap where as the larger b48g ...

John Deere ELECTRICAL Ignition System (ONAN M.N. B48G ...

John deere electrical ignition system (onan m.n. b48g ...

4139F ENGINE AIR HOUSING Exploded View parts lookup by model. ... 52" SD Mower, GM 200 Series, 1986 (SN 6000001-6999999) ENGINE, ONAN MODEL NO. B48G-GA020 ...

Toro Professional 30562, 62

Toro professional 30562, 62" sd mower, gm 200 series, 1982 ...

99 dodge stratus parts manual ... Ktm 250 excf part manual 2016 ... Parts manual onan b48g

WANTED: Onan 160-1232 Points Cover for B48G Engine | Garden ...

Wanted: onan 160-1232 points cover for b48g engine | garden ...

"pertaining to schemes," 1701, from Latin stem of scheme (n.) + -ic. Noun meaning "diagram" is first attested 1929. Related: Schematical (1670s).

Onan B48M Valve Cover Gaskets | My Tractor Forum

Onan b48m valve cover gaskets | my tractor forum

Here are the diagrams and repair parts for Onan B48G-GA020-3858C gas engine, as well as links to manuals and error code tables, if available.

Onan B48G-GA020/3858C lawn & garden engine parts | Sears ...

Onan b48g-ga020/3858c lawn & garden engine parts | sears ...

1580s, "to make a map or diagram of, lay down on paper according to scale;" also "to lay plans for, conspire to effect or bring about" (usually with evil intent), from plot (n.). Intransitive sense of "to form a plan or device" is from c. 1600. Related: Plotted; plotter; plotting.

ONAN T-260G-GA024 HP Engine Parts Manual Garden Tractor John ...

Onan t-260g-ga024 hp engine parts manual garden tractor john ...

To find the diagram for an Onan engine shown in this table take the Toro model number associated with it and plug it in the Toro parts lookup linked ...

Toro 30555 - Toro 52

Toro 30555 - toro 52" mower deck for groundsmaster 200 series ...

Use only Genuine Onan replacement parts to ensure quality and the best possible repair and overhaul results. When ordering parts, always use the complete.62 pages

Onan B43E B43G P218G B48G P220G T260 Engine Service Repair Shop Overhaul  Manual

Onan b43e b43g p218g b48g p220g t260 engine service repair shop overhaul manual

1940, American English, of automobile parts, from after + market.

John Deere ENGINE (ONAN M.N. B48G) AM102580 Camshaft (ONAN ...

John deere engine (onan m.n. b48g) am102580 camshaft (onan ...

... Onan 160-1183; Onan 312-0246 Air Filter for Onan ... Shaft, Model GX390UT2QNE2 ONAN 16 HP BF - MS ENGINE SERVICE REPAIR WITH PARTS MANUAL WHEEL HORSE.

Onan Parts Manual B48M-GA018 Industrial Engines Spec A-C (Nov ...

Onan parts manual b48m-ga018 industrial engines spec a-c (nov ...

Onan P216G P218G P220G OL16 OL18 OL20 LX720 LX770 LX790 Parts Manual 965-0268B ... Onan B43E B43G B48G Service Manual 965-0757.

Heavy Equipment, Parts & Attachments ONAN B48G B43G B43E B48G ...

Heavy equipment, parts & attachments onan b48g b43g b43e b48g ...

Toro 30560, 52

Toro 30560, 52" rear discharge mower, 1983 (sn 30001-39999 ...

Details about Onan B48G-GA109.9 Series Industrial Engines Parts Catalog

Details about onan b48g-ga109.9 series industrial engines parts catalog

John Deere ENGINE (ONAN M.N. B48G) AM102580 Cylinder Block ...

John deere engine (onan m.n. b48g) am102580 cylinder block ...

Parts Manual for Onan B43M-GA016 | Manualzz

Parts manual for onan b43m-ga016 | manualzz

Toro Professional 30562, 62

Toro professional 30562, 62" sd mower, gm 200 series, 1982 ...

John Deere 420 Lawn & Garden Tractor -PC1925 Carburetor Onan ...

John deere 420 lawn & garden tractor -pc1925 carburetor onan ...

Amazon.com: Onan B43M 16Hp Gas Engine Service Manual Parts ...

Amazon.com: onan b43m 16hp gas engine service manual parts ...

Carburetor for 146-0414 146-0496 NIKKI 146-0479 ONAN NOS B48G P220G B48M  (Standard Shipping)

Carburetor for 146-0414 146-0496 nikki 146-0479 onan nos b48g p220g b48m (standard shipping)

Toro Professional 30555, 52

Toro professional 30555, 52" sd mower, gm 200 series, 1986 ...

420 - TRACTOR, LAWN AND GARDEN Air Cleaner And Crankcase ...

420 - tractor, lawn and garden air cleaner and crankcase ...

Lot Onan Engine 16 18 20 24 Hp Service Parts Shop Repair Overhaul Manual  P216 P218 P220

Lot onan engine 16 18 20 24 hp service parts shop repair overhaul manual p216 p218 p220

Toro Professional 30562, 62

Toro professional 30562, 62" sd mower, gm 200 series, 1985 ...

188 - AIR CONDITIONER (LHD:RM413,RM415) | Suzuki Ignis RM413 ...

188 - air conditioner (lhd:rm413,rm415) | suzuki ignis rm413 ...

Toro Professional 30555, 52

Toro professional 30555, 52" sd mower, gm 200 series, 1986 ...

Onan carb parts diagram Onan carb parts diagram Do not use ...

Onan carb parts diagram onan carb parts diagram do not use ...

ONAN B43G-GA018 Engine Parts Manual.pdf

Onan b43g-ga018 engine parts manual.pdf

Onan B48G Carburetor

Onan b48g carburetor

B43E-965-0757 - Onan Engine Service Manual

B43e-965-0757 - onan engine service manual

Onan B43E B43G B43M B48G B48M Engine SERVICE REPAIR & PARTS ...

Onan b43e b43g b43m b48g b48m engine service repair & parts ...

Heavy Equipment, Parts & Attachments ONAN B48G B43G B43E B48G ...

Heavy equipment, parts & attachments onan b48g b43g b43e b48g ...

ONAN B48G B43G B43E B48G-GA020 ENGINE PARTS MANUAL + SERVICE MANUAL CATALOG  . | eBay

Onan b48g b43g b43e b48g-ga020 engine parts manual + service manual catalog . | ebay

ONAN NHC SERIES OPERATOR'S/SERVICE MANUAL AND PARTS CATALOG ...

Onan nhc series operator's/service manual and parts catalog ...

ONAN B48G-GA020 B48G-GA019.9 ENGINE MANUAL PARTS MANUAL ...

Onan b48g-ga020 b48g-ga019.9 engine manual parts manual ...

AgPubs Engine Technical Service Manual for Onan B43E B43G ...

Agpubs engine technical service manual for onan b43e b43g ...

ONAN B48G-GA020 & B48G-Ga019.9 Engine Parts Manual 965-0256 ...

Onan b48g-ga020 & b48g-ga019.9 engine parts manual 965-0256 ...

Onan B48M-GA018 Engine Parts Manual Garden Tractor John Deere Sears Welder  18 hp | eBay

Onan b48m-ga018 engine parts manual garden tractor john deere sears welder 18 hp | ebay

420 - TRACTOR, LAWN AND GARDEN Engine Gasket Kit (ONAN M.N. ...

420 - tractor, lawn and garden engine gasket kit (onan m.n. ...

Toro Professional 30555, 52

Toro professional 30555, 52" sd mower, gm 200 series, 1986 ...

0 Response to "41 onan b48g parts diagram"

Post a Comment

Iklan Atas Artikel

Iklan Tengah Artikel 1

Iklan Tengah Artikel 2

Iklan Bawah Artikel