Iklan 300x250

42 whirlpool cabrio washer parts diagram

Wfw9600ta00 Whirlpool Automatic Washer Parts And Diagrams. Ne 6629 Washing Machine Parts Diagram Additionally Whirlpool Duet. Whirlpool Duet Washer Anatomy 101 And Commonly Replaced Parts. Wfw8400tw03 Whirlpool Automatic Washer Parts And Diagrams. Whirlpool Cabrio Wtw6400sw3 Service Manual. If our list of models doesn’t contain your Whirlpool Washing Machine model number, call our Customer Service team at 1-800-269-2609 or start a Live Chat for help. Lastly, make sure to check our Repair Help section which gives free troubleshooting advice and step-by-step video instructions for replacing a variety of Whirlpool Washing Machine ...

The Cabrio washer will agitate for 15 seconds. If the washing machine does not agitate go to manual diagnostic mode: motor, agitate. C6. The Cabrio Washer’s recirculation pump will energize for 10 seconds, spraying water back into the wash tub from the back left of the washer. If no water is being re-circulated go to manual diagnostic mode ...

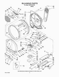
Whirlpool cabrio washer parts diagram

Whirlpool cabrio washer parts diagram

258 Parts · Filter. Part No. AP6017323 by Whirlpool · Affresh Washer Cleaner 3 Pack. Part No. AP4308494 by Whirlpool · Bearing and Tub Seal Kit. Part No. AP5325033 ... The water inlet valve is part # W for your Whirlpool washer model WTWSW3. The water inlet valve. Items 1 - 20 of Genuine Whirlpool WTWXW2 washer parts for replacement and repair. Whirlpool WTWXW2 Owners Manual W Rev B. Original, high quality parts for WHIRLPOOL CABRIO WASHER DIAGRAM in stock and ready to ship today. days to return any part. Products 1 - 20 of 313 — Whirlpool Cabrio Washer Parts Diagram. You'll also love. Vegan Lemon Arugula Pesto. Basil, Spinach and Arugula Pesto . Grilled Huli Huli ...

Whirlpool cabrio washer parts diagram. Results 1 - 16 of 1000+ — 2017-03-01 · Description: Whirlpool Llr9245Bq1 Direct-Drive Washer Timer – Stove Clocks And inside Whirlpool Cabrio Washer Parts Diagram, ... Whirlpool Cabrio Washer Diagram Parts. Some parts shown may not be for your model. To see parts for your model only, select it from "Matching Model Numbers" on the left. Need Help? Get Questions Answered Instantly. 1-877-477-7278. Sort by . Previous Page; Page 2 of 11; Next Page; Grid View; List View; View as: ... Results 1 - 16 of 552 — whirlpool-cabrio-washer-parts-diagram-reviewmotorsco image. 2020-06-26 · Cy 0736 Washing Machine Parts Diagram Furthermore Whirlpool ... Results 1 - 16 of 131 — 2020-06-26 · Ne 6629 Washing Machine Parts Diagram Additionally Whirlpool Duet. Whirlpool Duet Washer Anatomy 101 And Commonly Replaced ...

Item #Part #Description1W11123149Cap, Impeller2W10752187Screw (Replaces: W10625252)3W11455453Assembly, DriveView 21 more rows Results 1 - 16 of 3000+ — 2020-06-26 · Wfw9600ta00 Whirlpool Automatic Washer Parts And Diagrams. Ne 6629 Washing Machine Parts Diagram Additionally Whirlpool ... View and Download Whirlpool WTW6400SW1 parts list online. Automatic Washer White Color. WTW6400SW1 washer pdf manual download. AUTOMATIC WASHER. MODELS: WTW7300DW0 (White) ... TOP AND CABINET PARTS. 02/16/2017 ... W10607424 Owners Manual. W10607408 Tech Sheet. W10063045 Energy Guide.10 pages

Description: Whirlpool Llr9245Bq1 Direct-Drive Washer Timer – Stove Clocks And inside Whirlpool Cabrio Washer Parts Diagram, image size 752 X 1028 px, and to view image details please click the image.. Placed simply by admin at March, 1 2017. If you like this article you can bookmark or share it to your social media account, I thanks quite due to the fact that you have seen this internet site. Whirlpool WTW8540BW1 washer parts - manufacturer-approved parts for a proper fit every time! We also have installation guides, diagrams and manuals to help you along the way! Disconnect power, hot/cold supply and drain hose. Tip washer onto front side, expect some additional water to leak out. Remove the cracked drain pump, 3 screws, hose clamps, and electrical plug. Tip washer back up, use the putty knife to pop the top cover up (clips are about 6.5in in from sides). Unclip the white plastic cover over the outer ... Whirlpool Replacement Parts. Sometimes life requires a little maintenance. When your appliance does too, use replacement parts designed specifically for your needs. Our factory certified parts provide you with a promise only Whirlpool brand can make — that through our safe and genuine quality replacement parts, we will care for your appliance ...

Recognizing Washer Designs | Uncle Harry's Mobile Repair Wizard

Recognizing Washer Designs | Uncle Harry's Mobile Repair Wizard

Products 1 - 20 of 313 — Whirlpool Cabrio Washer Parts Diagram. You'll also love. Vegan Lemon Arugula Pesto. Basil, Spinach and Arugula Pesto . Grilled Huli Huli ...

35 Whirlpool Cabrio Platinum Washer Parts Diagram - Wiring ...

35 Whirlpool Cabrio Platinum Washer Parts Diagram - Wiring ...

The water inlet valve is part # W for your Whirlpool washer model WTWSW3. The water inlet valve. Items 1 - 20 of Genuine Whirlpool WTWXW2 washer parts for replacement and repair. Whirlpool WTWXW2 Owners Manual W Rev B. Original, high quality parts for WHIRLPOOL CABRIO WASHER DIAGRAM in stock and ready to ship today. days to return any part.

Parts for Whirlpool WTW8000BW0: Control Panel Parts ...

Parts for Whirlpool WTW8000BW0: Control Panel Parts ...

258 Parts · Filter. Part No. AP6017323 by Whirlpool · Affresh Washer Cleaner 3 Pack. Part No. AP4308494 by Whirlpool · Bearing and Tub Seal Kit. Part No. AP5325033 ...

I have a Whirlpool Duet gas Dryer, Model: GGW9250PW3 ...

I have a Whirlpool Duet gas Dryer, Model: GGW9250PW3 ...

WHIRLPOOL 6LSC9255BQ2 PARTS LIST Pdf Download | ManualsLib

WHIRLPOOL 6LSC9255BQ2 PARTS LIST Pdf Download | ManualsLib

Whirlpool Residential Washer | WFW9500TW01 | eReplacementParts.com

Whirlpool Residential Washer | WFW9500TW01 | eReplacementParts.com

Whirlpool Cabrio Washer Parts Diagram | Reviewmotors.co

Whirlpool Cabrio Washer Parts Diagram | Reviewmotors.co

Health Sciences Center, Stony Brook, New York, Sectional Diagram (c. 1974) // Bertrand Goldberg American, 1913-1997

Health Sciences Center, Stony Brook, New York, Sectional Diagram (c. 1974) // Bertrand Goldberg American, 1913-1997

Mobile Delousing Unit, Truck Equipment, Plan of Operation and Erection Procedure, Presentation Drawing (1943) // Bertrand Goldberg American, 1913-1997

Mobile Delousing Unit, Truck Equipment, Plan of Operation and Erection Procedure, Presentation Drawing (1943) // Bertrand Goldberg American, 1913-1997

Whirlpool Cabrio Washing Machine Repair Guide

Whirlpool Cabrio Washing Machine Repair Guide

WHIRLPOOL AUTOMATIC WASHER Parts | Model WTW7600XW2 ...

WHIRLPOOL AUTOMATIC WASHER Parts | Model WTW7600XW2 ...

Marina City Theater, Chicago, Illinois, Roof and Partial Concrete Frame Development Drawing (1961-1962) // Bertrand Goldberg American, 1913-1997

Marina City Theater, Chicago, Illinois, Roof and Partial Concrete Frame Development Drawing (1961-1962) // Bertrand Goldberg American, 1913-1997

Wiring Diagram: 28 Whirlpool Cabrio Parts Diagram

Wiring Diagram: 28 Whirlpool Cabrio Parts Diagram

Whirlpool 27" Residential Electric Dryer | WED7300XW0 | eReplacementParts.com

Whirlpool 27" Residential Electric Dryer | WED7300XW0 | eReplacementParts.com

Whirlpool Cabrio Washer Parts Diagram | Reviewmotors.co

Whirlpool Cabrio Washer Parts Diagram | Reviewmotors.co

Whirlpool Cabrio Washer Wiring Diagram

Whirlpool Cabrio Washer Wiring Diagram

navigation map

navigation map

Whirlpool Clothes Washer Parts | Reviewmotors.co

Whirlpool Clothes Washer Parts | Reviewmotors.co

Whirlpool Cabrio Washing Machine Parts Diagram ...

Whirlpool Cabrio Washing Machine Parts Diagram ...

MOTOR, BASKET AND TUB PARTS Diagram & Parts List for Model ...

MOTOR, BASKET AND TUB PARTS Diagram & Parts List for Model ...

River City I: Phasing Plan (c. 1974) // Bertrand Goldberg American, 1913-1997

River City I: Phasing Plan (c. 1974) // Bertrand Goldberg American, 1913-1997

man in black tank top sitting on motorcycle

man in black tank top sitting on motorcycle

How To Fix A Washing Machine That Is Not Spinning Or ...

How To Fix A Washing Machine That Is Not Spinning Or ...

Whirlpool Cabrio Washer Model Wtw5500xw0

Whirlpool Cabrio Washer Model Wtw5500xw0

The Second Part of the Return from Parnassus (1961) // Cy Twombly American, 1928–2011

The Second Part of the Return from Parnassus (1961) // Cy Twombly American, 1928–2011

green and yellow map

green and yellow map

gray concrete statue of a man

gray concrete statue of a man

Whirlpool WTW7600XW0 Washer Parts and Accessories at PartsWarehouse

Whirlpool WTW7600XW0 Washer Parts and Accessories at PartsWarehouse

red car traveling on road

red car traveling on road

white animal skull on white surface

white animal skull on white surface

blue and black circuit board

blue and black circuit board

Top And Cabinet Parts This page shows different part diagrams and has a search for error codes. (Use in place of tech she… | Washer parts, Whirlpool washer, Diagram

Top And Cabinet Parts This page shows different part diagrams and has a search for error codes. (Use in place of tech she… | Washer parts, Whirlpool washer, Diagram

WHIRLPOOL AUTOMATIC WASHER Parts | Model La5700xkw0 ...

WHIRLPOOL AUTOMATIC WASHER Parts | Model La5700xkw0 ...

Kenmore Oasis Washer Parts Diagram | Automotive Parts ...

Kenmore Oasis Washer Parts Diagram | Automotive Parts ...

klon ubiti vjerovati whirlpool duet f22 - mtcrc.org

klon ubiti vjerovati whirlpool duet f22 - mtcrc.org

I have a whirlpool cabrio dryer that comes up with an F 22 ...

I have a whirlpool cabrio dryer that comes up with an F 22 ...

WHIRLPOOL WTW5100SQ0 PARTS LIST Pdf Download | ManualsLib

WHIRLPOOL WTW5100SQ0 PARTS LIST Pdf Download | ManualsLib

River City II: Geometry Study (n.d.) // Bertrand Goldberg American, 1913-1997

River City II: Geometry Study (n.d.) // Bertrand Goldberg American, 1913-1997

Whirlpool WTW8500DC2 Parts List | Trible's

Whirlpool WTW8500DC2 Parts List | Trible's

Whirlpool Cabrio Platinum Washer Parts Manual Cu Ft Cycle ...

Whirlpool Cabrio Platinum Washer Parts Manual Cu Ft Cycle ...

Whirlpool Cabrio Platinum Washer Parts Manual ...

Whirlpool Cabrio Platinum Washer Parts Manual ...

Club de Centre Rural: Perspective Sketch (1943) // Le Corbusier French, born Switzerland, 1887-1965

Club de Centre Rural: Perspective Sketch (1943) // Le Corbusier French, born Switzerland, 1887-1965

0 Response to "42 whirlpool cabrio washer parts diagram"

Post a Comment

Iklan Atas Artikel

Iklan Tengah Artikel 1

Iklan Tengah Artikel 2

Iklan Bawah Artikel