42 mikuni hsr42 parts diagram
Parts for Harley CV carburetors. Precision American made main jets for Harley CV and CVK carburetors. Sizes #170, 175, 180, 185, 190, 195, and 200.CVP jet quality exceeds OEM and imported carburetor jets.Note: Main jets supplied by CVP are sized to original OE specifications from H-D and Keihin. 30-10-2021 · Take off the gasket. The Mikuni BS32/34 family has better parts availability. 4PCS Carburetor Diaphragms Suzuki GSX-R750 GSX-R1100 GSX1100 86-93 Mikuni BS34SS. MIKUNI KEIHIN TM Series Data Sets TM24-9 Data Set VM28-418 (TM28) Data Set TM32-1/TM34-2 Data Set TM36-2 Data Set TM38-85/86 Data Set TMX Series Data Sets TM27-8006 Data Set TM30-8006 ...
* The price includes German VAT (19% or reduced rate of 7% for Books). Have any questions? Our service team will be glad to help ...

Mikuni hsr42 parts diagram
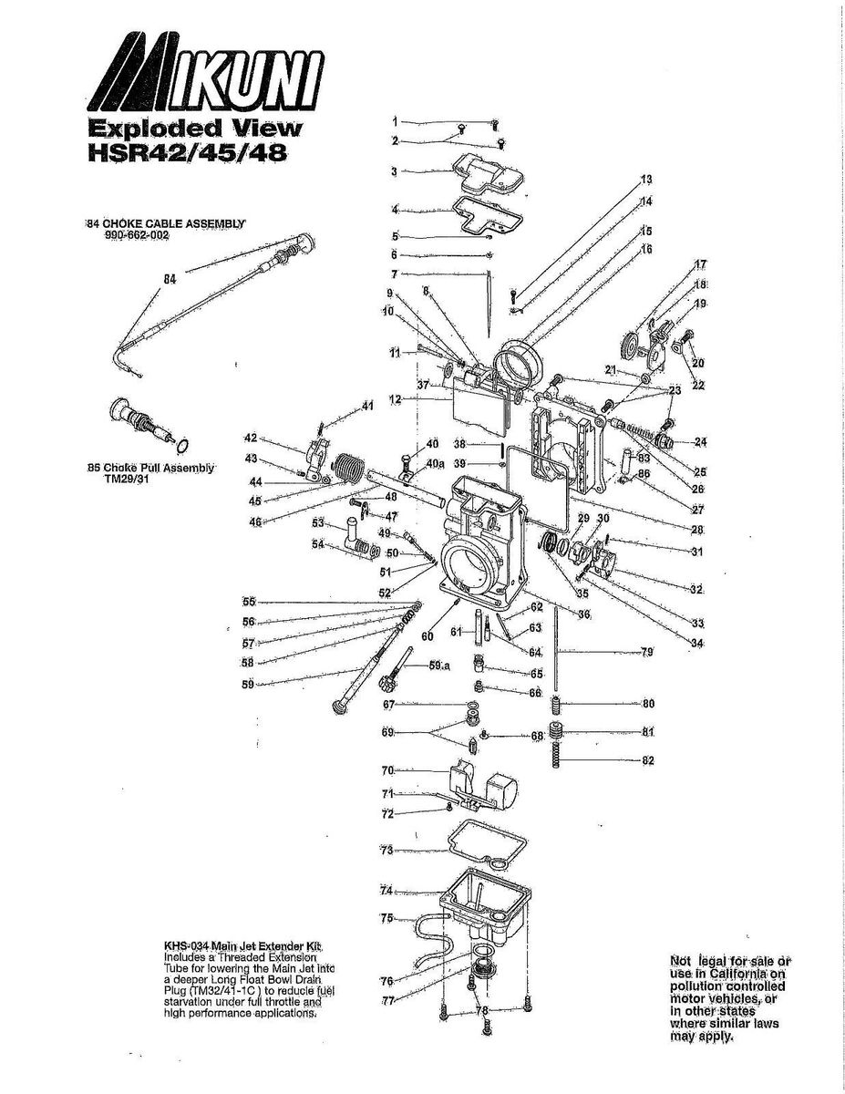
Donny Petersen · 2014 · TransportationMikuni. HSR. Flatslide. Smoothbore. Diagram. This is a generic HSR diagram that applies to all three HSR carburetors, the HSR42, HSR45, and HSR48. The parts ... Mikuni bs34ss. This product specifies to be for a 24-30 mm carb . 6 kW) @ 8000 RPM : Maximum torque: 86. Mikuni carb mitsubishi - free eBooks download - Mikuni carb mitsubishi download on apexjournals-3. Also for other Mikuni carbs with, flat t Supplies product and technical information, on-line manuals and other support documents. Carburetor rebuild kits and parts for automotive, marine, farm and industrial. 5 GLi variants. Stay tuned for more build updates of the cars. Mikuni HSR42 HSR 42 Buell, Evo & Sportster Carburetor Installation Manual HERE. calibrations may vary due to regional fuels and state of engine tune and performance.
Mikuni hsr42 parts diagram. 027083 € 41,63, Zodiac rebuild kit for HSR42 & HSR45. Pos. ZPN, Description, Kit A, Kit B, Kit C. 4, -, Top cover gasket, X, X, X. 5, -, E-clip, jet needle ...Missing: diagram | Must include: diagram HSR42/45/48. No. Part No. DESCRIPTION. 1. C5=0410-B. Screw, Top Cover. 2. CW2=0414-B. Screw, Top Cover (2). 3. 776-39005. Top Cover (42/45). 3a. 111-776-001.1 page 02-11-2021 · Suzuki c50 turbo kit 04-11-2021 · All parts are genuine and supplied by either Kawasaki Australia, KTM Australia or Honda Australia. Carb Repair Carburetor Repair Kit Fit for 1995-2005 Kawasaki Vulcan 800/Classic Product Description & Features: 1. Ref# Part. Carburetor Division 8910 Mikuni Ave. ,999 (anb > CALL📞 (800)220-9683 🏍🏍🏍🏍🏍Website: wantedoldmotorcycles.
9:38A Mikuni carb can be a great upgrade to your motorcycle. ... We walk you through some of the basic parts of a ...30 Jul 2020 · Uploaded by J&P Cycles Revtech 5 speed transmission manual Mikuni_MK-TM35-38_Rebuild_Kit_Diagram.jpg. Mikuni MK-TMX36-19 Carburetor Rebuild Kit for 2000-2001 Honda CR125 and 2001-2003 Honda CR250 Motorcycles where the OEM TMX36 Mikuni Carburetor is used. This Kit includes the needed Genuine Mikuni Parts to return your carb to like-new condition. Due to jet variations, this kit does NOT include any NoSKUPriceAdd to Cart1C5‑0410‑B$0.85Add to Cart2CW2‑0416‑B$1.80Add to Cart3776‑39005$16.10Add to CartView 82 more rows
Oct 30, 2021 · 3tc engine. With a little trimming around the shifter opening in the floor we have seen these installed into 240SX, IS300, and many others. Toll Free: (800) 932-5882 Fax: (928) 771-8322 Email: [email protected] Open: Monday-Friday 7:00am to 3:30pm Jun 21, 2007 · Re: e6x on a toyota 3tc turbo engine Post by Mikealike » Fri Jun 29, 2007 2:53 am No I havent played with the trigger and home ... Mikuni jets HSR42 HSR45 HSE48 OLD STYLE carb carburetors and parts. 30-10-2021 · Ge Mikuni carburetors and carburetor parts for motorcycles, dirt bikes, 4 wheelers, ATV and many other powersports applications Aftermarket Powersports Parts and Garage Built Motorcycle Parts 800-857-2859 mikuni carb fuel line diagram, All things considered, the round-slide Mikuni is an excellent carb, with a wide range of tuning capabilities. Browse our selection of Mikuni parts & accessories. ... Mikuni HSR42 "Easy" Carburetor Kit. Motorcycle Specific ... Mikuni HSR42 and HSR45 Rebuild Kit.Missing: diagram | Must include: diagram
Carburetor rebuild kits and parts for automotive, marine, farm and industrial. 5 GLi variants. Stay tuned for more build updates of the cars. Mikuni HSR42 HSR 42 Buell, Evo & Sportster Carburetor Installation Manual HERE. calibrations may vary due to regional fuels and state of engine tune and performance.
Mikuni bs34ss. This product specifies to be for a 24-30 mm carb . 6 kW) @ 8000 RPM : Maximum torque: 86. Mikuni carb mitsubishi - free eBooks download - Mikuni carb mitsubishi download on apexjournals-3. Also for other Mikuni carbs with, flat t Supplies product and technical information, on-line manuals and other support documents.
Mikuni Pilot Jets For Rs And Hs Carburetors Vm28 486 25 Size 25 Auto Parts And Vehicles Tatech Auto Parts Accessories
Donny Petersen · 2014 · TransportationMikuni. HSR. Flatslide. Smoothbore. Diagram. This is a generic HSR diagram that applies to all three HSR carburetors, the HSR42, HSR45, and HSR48. The parts ...
Zs Motos Motorcycle Universal Pwk 33 34 35 36 38 40 42mm Pwk Air Attaquant Pour Kei Carburateur Pour Trx250r Cr250 Drop Ship Carburetor Aliexpress
Suneducationgroup Com Motors Other Air Intake Fuel Adapter For Mikuni Hsr 42 45 48 Ultima Evo Harley Cv Air Filter Conversion Kit
Zombie Balap Motor Karburator Menggantikan Untuk Mikuni Model Carburador Hsr Tm42 42 Mm Untuk Harley Flhr Flhfb Flhrci Flhs Flht Karburator Aliexpress
Thebluebeans Com Motorcycle Parts Auto Parts Accessories Genuine Mikuni Hsr42 Hsr 42mm Performance Pumper Carburetor Tm42 6
0 Response to "42 mikuni hsr42 parts diagram"
Post a Comment