Iklan 300x250

41 2006 honda civic wiring diagram

Whether your an expert Honda Civic Si mobile electronics installer, Honda Civic Si fanatic, or a novice Honda Civic Si enthusiast with a 2006 Honda Civic Si, a car stereo wiring diagram can save yourself a lot of time. Automotive wiring in a 2006 Honda Civic Si vehicles are becoming increasing more difficult to identify […] 45 New 2006 Honda Civic Radio Wiring Diagram- Car radio installation side dishes comprise of harness adapters leads, fascia adapters, stalk/steering wheel control adapters (also known as smart leads) and aerial adapters. Honda Civic Radio Wiring Auto Wiring DiagramsHonda Civic Radio Wiring Auto Wiring DiagramsOne or more of the above adaptors ...

2006 Honda Civic Si Stereo Wiring Information. Radio Battery Constant 12V+ Wire: White Radio Accessory Switched 12V+ Wire: Violet Radio Ground Wire: Black Radio Illumination Wire: Red/Black Radio Dimmer Wire: Red Radio Antenna Trigger Wire: Gray Radio Amp Trigger Wire: Light Blue Left Front Speaker Positive Wire (+): Light Blue Left Front Speaker Negative Wire (-): Light Green

2006 honda civic wiring diagram

2006 honda civic wiring diagram

2006-2008 Honda Civic Wiring Diagram. Printer Friendly. Version. Listed below is the vehicle specific wiring diagram for your car alarm, remote starter or keyless entry installation into your 2006-2008 Honda Civic . This information outlines the wires location, color and polarity to help you identify the proper connection spots in the vehicle. Please be sure to test all of your wires with a digital multimeter before making any connections. This video is an extract from the AutoMate Wiring Diagrams training module covering Honda diagrams from 2006 to 2011. This module has been designed to provid... All Wiring Diagrams for Honda Civic Si 2006Все схемы для электропроводки Honda Civic Si 2006КатегорииHonda Civic Si 2006 - ALL WIRING DIAGRAMSHonda Civic Si 2006 - DTC - Fuses - Component LocationsHonda Civic Si 2006 - Список всех электросхем Honda Civic Si 2006

2006 honda civic wiring diagram. Discussion Starter · #1 · Oct 6, 2013. Could somebody please come to my resue. I need a wiring diagram for my early 2006 civic icdti that relates to the back up fuse under the bonnet, I can't find one anywhere, I know it relates to the alarm and bluetooth etc. Help needed. 1 - 1 of 1 Posts. Feb 28, 2020 · 2006 Honda Civic Wiring Harness Diagram. Sakurajima Mai Wiring Diagram 28/02/2020. 2006 Honda Civic Wiring Harness Diagram – Is the approach of preparing the power system of your car and gives all the essential information to the auto mechanic. There are various sorts of car wiring diagrams but it is recommended to only use the car wiring diagram that is manufactured by an approved wiring company or electric powered expert so as to prevent confusion. Hey everyone here is a book of wiring diagrams for 07 and up civics. It is a rough draft I am working on making it more reader friendly but it will post a link when that copy is done. Thanks, Rudy P.S. DJJeffMills: I will look up the info about the visors. Wiring Diagram Book: 4shared.com - document sharing - download wireing diagram book.pdf 2008 Honda Civic Wiring Diagram Free Diagram Wiring Box Fuse 1987bmw535is Wiring Diagrams Show. 2008 Honda Civic Wiring Diagram Free - wiring diagram is a simplified welcome pictorial representation of an electrical circuit. It shows the components of the circuit as simplified shapes, and the capability and signal connections amongst the devices.

I'm trying to find the wiring diagram for the stereo wiring harness. DIRECTWIRE™ WIRING INFORMATION - HONDA / CIVIC / 2006 / Audio [PRINT THIS PAGE] Radio 12v white + radio harness Radio Ground black - radio harness Radio Ignition purple + radio harness Radio Illumination gray or RED / black + radio harness Factory Amp Turn-on lt. blue ... Honda Civic Review. Some HONDA Civic Wiring Diagrams are above the page. HONDA Civic is available in two body versions: 2-door Coupe and 4-door Sedan. The 4-cylinder in-line gasoline engine is mounted transversely in front of the car and is equipped with an electronic fuel injection system. The cars have front-wheel drive and can be equipped ... Dec 27, 2017 · Honda civic hybrid 2006 wiring diagram all diagrams for engine performance fuse box block 8g radio si system horn lx dx anti lock brakes 2009 starter 2018 car power windows mount starting charging 2005 accord repair electrical reversed polarity at ground distribution manual part 641 png images pngegg 06 11 ac cruise control 2007 stereo ima 2004 a c clutch wont and 2008 picture 5373 plug play audio won t turnover mirrors servicing vehicles maintenance 931 window service Description : 11200-Rna-A02 - Genuine Honda Pan Assy., Oil with 2006 Honda Civic Engine Diagram, image size 1108 X 553 px. Actually, we also have been remarked that 2006 honda civic engine diagram is being one of the most popular subject at this moment. So we attempted to identify some good 2006 honda civic engine diagram picture for your needs.

2006 Honda Civic Stereo Wiring Information. Radio Constant 12v+ Wire: White Radio Switched 12v+ Wire: Violet Radio Ground Wire: Black Radio Illumination Wire: Red/Black Stereo Dimmer Wire: Red Stereo Amp Trigger Wire: Light Blue Left Front Speaker Positive Wire (+): Light Green Left Front Speaker Negative Wire (-): Pink Right Front Speaker Positive Wire (+): Gray This video demonstrates the Honda Civic Wiring Diagrams and details of the wiring harness. Diagrams for the following systems are included : Radio Wiring, En... 2006 honda civic: aftermarket..kit..wiring harness..wiring diagram I want to install an aftermarket foglight kit with wiring harness,relay and switch in the kit. I don't have a electrical wiring diagram of my 2006 honda civic. can you help. Jul 22, 2020 · 1.8L, Engine Performance Wiring Diagram (2 of 5) for Honda Civic Hybrid 2006. Get Access all wiring diagrams car.

2006 Honda Civic Stereo Wiring Adapter - Cars Wiring Diagram

2006 Honda Civic Stereo Wiring Adapter - Cars Wiring Diagram

2006 Honda Civic Radio Wiring Diagram from i1.wp.com To properly read a cabling diagram, one offers to find out how the particular components inside the system operate. For instance , in case a module is usually powered up and it also sends out the signal of fifty percent the voltage in addition to the technician does not know this, he'd think ...

Wiring Diagram Honda Odyssey 2006 - Wiring Diagram Schemas

Wiring Diagram Honda Odyssey 2006 - Wiring Diagram Schemas

2006 Honda Civic Radio Wiring Diagram. 2006 Honda Civic Radio Wiring Diagram from www.knez.org. Print the wiring diagram off plus use highlighters to trace the signal. When you make use of your finger or perhaps the actual circuit with your eyes, it is easy to mistrace the circuit. 1 trick that We 2 to printing a similar wiring plan off twice.

Repair Guides

Repair Guides

If you have an 8th generation Civic, checkout the link below. It has repair instructions for almost everything and really detailed diagrams. The majority of the parts on the civics from 2006-2011 are the same, but sometimes parts are updated.

Honda Civic 2006 Engine Diagram - Honda Civic

Honda Civic 2006 Engine Diagram - Honda Civic

2006 Honda Civic Radio Wiring Diagram from www.knez.org. Print the wiring diagram off and use highlighters to be able to trace the signal. When you use your finger or perhaps the actual circuit along with your eyes, it is easy to mistrace the circuit. 1 trick that I use is to print exactly the same wiring picture off twice.

Honda Accord (2006) - wiring diagrams - sunroof - CARKNOWLEDGE

Honda Accord (2006) - wiring diagrams - sunroof - CARKNOWLEDGE

Here is a link for electrical wiring diagrams. Wiring Diagram Index Hope this gets you on the right track! Cheers!:wheee: ... 8th Generation Honda Civic Forum. We're a community for 8th Gen 2006 - 2011 Civic owners to discuss performance mods, body kits, Si models, turbo kits and accessories. ...

Premium HU & Aftermarket Amp into '08 LX - 8th Generation ...

Premium HU & Aftermarket Amp into '08 LX - 8th Generation ...

Whether you're a novice Honda Civic enthusiast, an expert Honda Civic mobile electronics installer or a Honda Civic fan with a 2006 Honda Civic, a remote start wiring diagram can save yourself a lot of time. The automotive wiring harness in a 2006 Honda Civic is becoming increasing more complicated and more difficult to identify […]

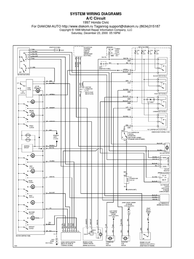
2006-2011 Honda Civic A/C Diagnosis and Repair - Wiring ...

2006-2011 Honda Civic A/C Diagnosis and Repair - Wiring ...

2006-2011 Honda Civic A/C Diagnosis and Repair. Ambient temp Humidity % Inlet air temp Static system pressure 45 psi minimum Center vent temp ~30°F < ambient Low side pressure Typical: ~ 30 psi High side pres-sure Typical: 2.2 to 2.5 X ambient °F Pressure behavior when AC is shut off:

25 2006 Honda Civic Relay Diagram - Wiring Database 2020

25 2006 Honda Civic Relay Diagram - Wiring Database 2020

If you intend to get another reference about 2006 Honda Civic Engine Diagram Please see more wiring amber you will see it in the gallery below. Thank you for visiting our website to search 2006 Honda Civic Engine Diagram. Hopefully we provide this can be useful for you.

Headlight wiring diagram 2002 Honda Civic SI ...

Headlight wiring diagram 2002 Honda Civic SI ...

Hi folks has anyone got a wiring diagram or could tell where I could find a wiring diagram for a 2014 1.6d-tec please. ... 2006+ Honda Civic Forum. A forum community dedicated to all Honda Civic owners and enthusiasts. Come join the discussion about performance, modifications, engine swaps, troubleshooting, wikis, VTEC, and more! ...

Honda Civic 2006 Wiring Diagram - Wiring Diagram And ...

Honda Civic 2006 Wiring Diagram - Wiring Diagram And ...

2006 Honda Civic Radio Wiring Diagramwiring diagram is a simplified pleasing pictorial representation of an electrical circuit. It shows the components of the circuit as simplified shapes, and the capability and signal friends amongst the devices. A wiring diagram usually gives suggestion roughly the relative twist and pact of devices and ...

Honda Civic 2007 Wiring Diagram - Honda Civic

Honda Civic 2007 Wiring Diagram - Honda Civic

Wiring diagram honda civic 8g 2006 2009 diy repair guide for the ignition system tech forum discussion 1998 1 6l crv 2001 06 diagrams autozone 1992 1995 5l can i get a ecu ex im trying to hook up an air fuel gauge and looking oxygen where is headlight relay on dx hondacivicforum com 1996 1997 need electrical… Read More »

Honda Civic 2006 Wiring Diagram - Wiring Diagram And ...

Honda Civic 2006 Wiring Diagram - Wiring Diagram And ...

Wiring Diagrams › Honda. If you run into an electrical problem with your Honda, you may want to take a moment and check a few things out for yourself. Before you dive in with a multi-meter, you will want to obtain a free wiring diagram for your specific model.You may need to locate a specific color wire and its exact location.

Need wiring diagram for 1986 honda civic for the ...

Need wiring diagram for 1986 honda civic for the ...

Jul 14, 2019 · 2006 Honda Civic Ac Wiring Diagram. Wiring Diagram July 14, 2019 13:34. 2006 Honda Civic Ac Wiring Diagram Civic Aca Diagram for the Air Conditioning Systemcutsgets Hot. 2006 Honda Civic Ac Wiring Diagramwiring diagram is a simplified standard pictorial representation of an electrical circuit. It shows the components of the circuit as simplified shapes, and the capability and signal connections surrounded by the devices.

2006 Honda Civic Ignition Wiring Diagram - 12

2006 Honda Civic Ignition Wiring Diagram - 12

All Wiring Diagrams for Honda Civic Si 2006Все схемы для электропроводки Honda Civic Si 2006КатегорииHonda Civic Si 2006 - ALL WIRING DIAGRAMSHonda Civic Si 2006 - DTC - Fuses - Component LocationsHonda Civic Si 2006 - Список всех электросхем Honda Civic Si 2006

Ac Under Dash Wiring Diagram

Ac Under Dash Wiring Diagram

This video is an extract from the AutoMate Wiring Diagrams training module covering Honda diagrams from 2006 to 2011. This module has been designed to provid...

2006 Honda Cr V Wiring Diagrams | Wiring Diagram Database

2006 Honda Cr V Wiring Diagrams | Wiring Diagram Database

2006-2008 Honda Civic Wiring Diagram. Printer Friendly. Version. Listed below is the vehicle specific wiring diagram for your car alarm, remote starter or keyless entry installation into your 2006-2008 Honda Civic . This information outlines the wires location, color and polarity to help you identify the proper connection spots in the vehicle. Please be sure to test all of your wires with a digital multimeter before making any connections.

Wiring Diagram Honda Odyssey 2006 - Wiring Diagram Schemas

Wiring Diagram Honda Odyssey 2006 - Wiring Diagram Schemas

| Repair Guides | Wiring Diagrams | Wiring Diagrams (11 Of ...

| Repair Guides | Wiring Diagrams | Wiring Diagrams (11 Of ...

2006 Honda Civic Radio Wiring Diagram - easywiring

2006 Honda Civic Radio Wiring Diagram - easywiring

2006 Honda Civic Radio Wiring Diagram - Honda Civic

2006 Honda Civic Radio Wiring Diagram - Honda Civic

05 Civic Fuse Box Diagram | schematic and wiring diagram

05 Civic Fuse Box Diagram | schematic and wiring diagram

Honda S2000 Fuse Box Diagram : 2006 Honda Civic Under Dash ...

Honda S2000 Fuse Box Diagram : 2006 Honda Civic Under Dash ...

Honda Accord (2006) - wiring diagrams - charging system ...

Honda Accord (2006) - wiring diagrams - charging system ...

45 New 2006 Honda Civic Radio Wiring Diagram | Honda civic ...

45 New 2006 Honda Civic Radio Wiring Diagram | Honda civic ...

Wire Diagram Honda Rc51 - Complete Wiring Schemas

Wire Diagram Honda Rc51 - Complete Wiring Schemas

2006 Civic Wire Harness | schematic and wiring diagram

2006 Civic Wire Harness | schematic and wiring diagram

Honda Insight 2006 Wiring Diagram | Auto Repair Manual ...

Honda Insight 2006 Wiring Diagram | Auto Repair Manual ...

| Repair Guides | Wiring Diagrams | Wiring Diagrams (68 Of ...

| Repair Guides | Wiring Diagrams | Wiring Diagrams (68 Of ...

Honda CRV 2018 Wiring Diagram | Auto Repair Manual Forum ...

Honda CRV 2018 Wiring Diagram | Auto Repair Manual Forum ...

15+ Civic Stereo Wiring Diagram in 2020 | Diagram, Honda ...

15+ Civic Stereo Wiring Diagram in 2020 | Diagram, Honda ...

Honda Civic 2006 Wiring Diagram - Wiring Diagram And ...

Honda Civic 2006 Wiring Diagram - Wiring Diagram And ...

Repair Guides

Repair Guides

2006 Honda Civic Electrical Troubleshooting Manual Wiring ...

2006 Honda Civic Electrical Troubleshooting Manual Wiring ...

Honda Civic 97 Wiring Diagram | Automotive Technologies | Car

Honda Civic 97 Wiring Diagram | Automotive Technologies | Car

2006 Honda Odyssey Wiring Diagram For Your Needs

2006 Honda Odyssey Wiring Diagram For Your Needs

99-00 Civic OEM radio wiring diagram - Honda-Tech - Honda ...

99-00 Civic OEM radio wiring diagram - Honda-Tech - Honda ...

Honda Civic 2006 Wiring Diagram - Wiring Diagram And ...

Honda Civic 2006 Wiring Diagram - Wiring Diagram And ...

.:FFS TechNet : OBD2a ECU Pin out Schematics

.:FFS TechNet : OBD2a ECU Pin out Schematics

Repair Guides

Repair Guides

2006 Honda Accord Wiring Diagram For Your Needs

2006 Honda Accord Wiring Diagram For Your Needs

Wiring Schematic Diagram For A 2006 Cbr600rr - Wiring Diagram

Wiring Schematic Diagram For A 2006 Cbr600rr - Wiring Diagram

0 Response to "41 2006 honda civic wiring diagram"

Post a Comment

Iklan Atas Artikel

Iklan Tengah Artikel 1

Iklan Tengah Artikel 2

Iklan Bawah Artikel