Iklan 300x250

40 homelite weed eater parts diagram

Parts Diagrams Homelite Literature & Information Contact Blog Leon's Personal Collection Repair & Tip Videos Homelite Chainsaw Restoration ... NOS Homelite ST-120 String Trimmer Walbro WA-43A Carburetor Overhaul Kit 94549-B $4.99 $4.99 NOS Homelite 240, 245, CS-3916, ST-120 Chainsaw & String Trimmer Vibration Isolator Washer 95249 ... Use our part lists, interactive diagrams, accessories and expert repair advice to make your repairs easy. 877-346-4814. Departments Accessories Appliance Parts Exercise ... Repair Parts Home Lawn Equipment Parts Homelite Parts Homelite Trimmer Parts Homelite UT13144 4-Cycle High-Wheel Field Trimmer Parts.

Parts Lookup and OEM Diagrams | PartsTree. 537 Results Found ... Don't see your item? Try searching again without spaces/dashes. Try filtering by Brand. 10252 EG - Homelite Expert Gardner String Trimmer. 10252 EGC - Homelite Expert Gardner String Trimmer. 11254 EG - Homelite Expert Gardner String Trimmer. B 25 C (UT-20768) - Homelite String ...

Homelite weed eater parts diagram

Homelite weed eater parts diagram

5 out of 5 stars. (11) 11 product ratings - Homelite OEM 638033001 replacement string trimmer spring & container RY08420A. $8.99. Was: $12.14. Free shipping. Also, every Homelite product comes with a parts repair sheet. Locate yours with the original documentation that came with the product, or you can download the repair sheet from the operator's manual section of the website. Operator's Manuals. Data Plate on Product. Homelite Z625CD-UT20617-A gas line trimmer parts - manufacturer-approved parts for a proper fit every time! We also have installation guides, diagrams and manuals to help you along the way!

Homelite weed eater parts diagram. Figure B diagram and repair parts lookup for Homelite UT-21546 - Homelite Mightylite String Trimmer Order Status Customer Support 512-288-4355 My Account Login to your PartsTree.com to view your saved list of equipment. Homelite Trimmer parts that fit, straight from the manufacturer. Use our interactive diagrams, accessories, and expert repair help to fix your Homelite Trimmer . 877-346-4814. Departments Accessories Appliance Parts Exercise ... Homelite String Trimmer UT-20044-A Parts Diagrams. SWIPE SWIPE. Figure A. Figure B. Figure C. JavaScript Disabled - Unable to show Cart. There are (96) parts used by this model. Found on Diagram: Figure A. 985591001. Use our part lists, interactive diagrams, accessories and expert repair advice to make your repairs easy. 877-346-4814. Departments ... Repair Parts Home Lawn Equipment Parts Homelite Parts Homelite Trimmer Parts Homelite UT22600 26cc String TrimmerParts.

Homelite UT20811 gas line trimmer parts - manufacturer-approved parts for a proper fit every time! We also have installation guides, diagrams and manuals to help you along the way! Homelite line trimmers help you get your lawn care chores done quickly. With powerful engines and precision cutting heads, Homelite line trimmers easily tackle edging and weed eating tasks in your yard. When your Homelite line trimmer isn't working as it should, rely on Sears PartsDirect to have the replacement parts you need to fix the problem. Figure C diagram and repair parts lookup for Homelite UT-26SS EMC (090330016) - Homelite String Trimmer, 26cc, Rev 01 (2017-03) Order Status Customer Support 512-288-4355 My Account Login to your PartsTree.com to view your saved list of equipment. Use our part lists, interactive diagrams, accessories and expert repair advice to make your repairs easy. 877-346-4814. Departments Accessories Appliance Parts Exercise ... Repair Parts Home Lawn Equipment Parts Homelite Parts Homelite Trimmer Parts Homelite ST175 ...

TOPEMAI C1U-H60 Carburetor Replace 308054013 308054077 308054003 985624001,for Ryobi 30cc 26cc 25cc RY28141 RY30120 RY28100, Homelite UT33600A UT33600 UT33650 String Trimmer. 4.4 out of 5 stars. 175. $15.99. Homelite d630cd String Trimmer UT-20622 20622-UT d630cd String Trimmer UT-20622 d630cd String Trimmer Tank, Clutch & Starter (Rev. A) Exploded View parts lookup by model. Complete exploded views of all the major manufacturers. It is EASY and FREE Homelite String Trimmer Model UT-21506 Parts. Homelite String Trimmer Model UT-21506 Parts are easily labeled on this page to help you find the correct component for your repair. Filter results by category, title and symptom. You can also view diagrams and manuals, review common problems that may help answer your questions, watch related videos, read insightful articles or use our repair help ... The part you described does not appear in the parts list for this model. Please reach out to Homelite at 1 (800) 242-4672 directly to obtain the part number you need to order. Once you have this information, please feel free to check back with us for pricing and availability information.

Homelite 51974 18 in. Gas Trimmer - Straight Shaft S/N 310000001 & Up Parts Diagrams

Homelite 51974 18 in. Gas Trimmer - Straight Shaft S/N 310000001 & Up Parts Diagrams

16122: Bumper Spike Kit: 16122.pdf: 2002-08-13: 16151a: Edger Guide: 16151a.pdf: 2002-03-06: a07069aa: Gutter Maintenance Kit: A07069AA_19591a.pdf: 2000-02-09: aho4110

green plant

green plant

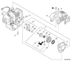
figure illustrates parts from all five string trimmers. therefore, some parts apply only to specific models. where applicable, specific model numbers are noted on this page and in parts list— figure 1 on page 3. california models only 75 77 76 73 55 20 18 74 note: see next page for carburetor information. 27 11 13 12 10 29 14 17 22 23 28 34 ...

kush in jar with scale

kush in jar with scale

Phantom SS String Trimmer UT-20682 Page 2 of 44 For Homelite Discount Parts Call 606-678-9623 or 606-561-4983 www.mymowerparts.com

clear glass jar filled with kush

clear glass jar filled with kush

Homelite 4-Cycle High-Wheel Field Trimmer UT13144 Exploded View parts lookup by model. Complete exploded views of all the major manufacturers. It is EASY and FREE

Shindaiwa 22T Illustrated Parts Diagrams Online | Lawnmower Pros

Shindaiwa 22T Illustrated Parts Diagrams Online | Lawnmower Pros

Homelite UT33650B 26cc String Trimmer Mfg. No. 090330018 12-18-18 (Rev:04) Exploded View parts lookup by model. Complete exploded views of all the major manufacturers. It is EASY and FREE

27 Homelite Trimmer Fuel Line Diagram - Wiring Database 2020

27 Homelite Trimmer Fuel Line Diagram - Wiring Database 2020

Homelite UT21044 26cc Mightylite String Trimmer Parts Diagrams. Parts Lookup - Enter a part number or partial description to search for parts within this model. There are (65) parts used by this model.

35 Homelite Weed Eater Fuel Line Diagram - Wiring Diagram ...

35 Homelite Weed Eater Fuel Line Diagram - Wiring Diagram ...

Repair Parts Home Lawn Equipment Parts Homelite Parts Homelite Trimmer Parts Homelite HLT15 (UT-20602) ... In the parts diagram it shows the spool as number 19 but in the parts list it jumps from 18 to 21. Is the spool no longer able to be purchased? My spool will not feed. Is it the spool or something else?

Homelite HBC30B String Trimmer UT-15086-C Parts Diagram ...

Homelite HBC30B String Trimmer UT-15086-C Parts Diagram ...

Description: Homelite Ut-20778 Parts List And Diagram : Ereplacementparts with regard to Homelite Weed Eater Parts Diagram, image size 590 X 575 px, and to view image details please click the image.. Here is a picture gallery about homelite weed eater parts diagram complete with the description of the image, please find the image you need.

Homelite ST70 Electric String Trimmer UT-21524 Parts and Accessories- PartsWarehouse

Homelite ST70 Electric String Trimmer UT-21524 Parts and Accessories- PartsWarehouse

Homelite repair parts and parts diagrams for Homelite UT-41113 - Homelite String Trimmer/Edger Order Status Customer Support 512-288-4355 My Account Login to your PartsTree.com to view your saved list of equipment.

person holding paper on kush

person holding paper on kush

Homelite String Trimmer Parts Diagram; Homelite String Trimmer Parts List; Share this: Click to share on Twitter (Opens in new window) Click to share on Facebook (Opens in new window) Related. Tweet Pin It. About The Author. masuzi. Leave a Reply Cancel reply. Notify me of follow-up comments by email.

Triumph of Weed (1959) // Gabor Peterdi American, born Hungary, 1915-2001

Triumph of Weed (1959) // Gabor Peterdi American, born Hungary, 1915-2001

Homelite ST-185 gas line trimmer parts - manufacturer-approved parts for a proper fit every time! We also have installation guides, diagrams and manuals to help you along the way!

Homelite ST 60 (UT-21519) - Homelite Electric String Trimmer Wiring Diagram Parts Lookup with Diagrams | PartsTree

Homelite ST 60 (UT-21519) - Homelite Electric String Trimmer Wiring Diagram Parts Lookup with Diagrams | PartsTree

Homelite repair parts and parts diagrams for Homelite UT-32605 - Homelite String Trimmer, 26cc Order Status Customer Support 512-288-4355 My Account Login to your PartsTree.com to view your saved list of equipment.

Homelite UT22650 26cc String Trimmer Parts Diagram for ...

Homelite UT22650 26cc String Trimmer Parts Diagram for ...

homelite weed eater parts diagram is among the pics we found on the net from reliable resources. We attempt to discuss this homelite weed eater parts diagram pic on this page just because according to information coming from Google engine, It really is one of the top rated searches key word on google.

Homelite ST185 String Trimmer UT-15044 Parts and ...

Homelite ST185 String Trimmer UT-15044 Parts and ...

Homelite UT22650 26cc String Trimmer Parts Diagrams. Parts Lookup - Enter a part number or partial description to search for parts within this model. There are (112) parts used by this model.

Homelite UT-41112 - Homelite String Trimmer Parts Lookup with Diagrams | PartsTree

Homelite UT-41112 - Homelite String Trimmer Parts Lookup with Diagrams | PartsTree

Homelite String Trimmer Model UT-20024-A Parts. Homelite String Trimmer Model UT-20024-A Parts are easily labeled on this page to help you find the correct component for your repair. Filter results by category, title and symptom. You can also view diagrams and manuals, review common problems that may help answer your questions, watch related videos, read insightful articles or use our repair ...

Installation Diagram for Stone Line (c. 1976) // Richard Long English, born 1945

Installation Diagram for Stone Line (c. 1976) // Richard Long English, born 1945

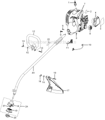
homelite string trimmers parts list models: st-145, st-155, st-175 st-175c, st-185, st-285, st-385, st-485 homellte 0t textron inc . 24 26 toggle switch to switch 16 lead 90 15 62 63 55 18 45 to 72 module 82 29 79 47 48 30 80 83 22 24 26 23 25 28 31 34 42 39 78 44 57 87 85 84 11 13 12 to

DRIVE SHAFT AND CUTTER HEAD ASSEMBLY Diagram & Parts List ...

DRIVE SHAFT AND CUTTER HEAD ASSEMBLY Diagram & Parts List ...

SX135 String Trimmer UT-20601-A Page 1 of 12 Boom, Handles & Head For Homelite Discount Parts Call 606-678-9623 or 606-561-4983 www.mymowerparts.com

34 Homelite Trimmer Fuel Line Diagram - Wiring Diagram ...

34 Homelite Trimmer Fuel Line Diagram - Wiring Diagram ...

Homelite Z625CD-UT20617-A gas line trimmer parts - manufacturer-approved parts for a proper fit every time! We also have installation guides, diagrams and manuals to help you along the way!

HOMELITE GAS LINE TRIMMER/WEEDWACKER Parts | Model ut20811 ...

HOMELITE GAS LINE TRIMMER/WEEDWACKER Parts | Model ut20811 ...

Also, every Homelite product comes with a parts repair sheet. Locate yours with the original documentation that came with the product, or you can download the repair sheet from the operator's manual section of the website. Operator's Manuals. Data Plate on Product.

Homelite RY13015 30cc 4-Cycle Wheeled Trimmer Parts ...

Homelite RY13015 30cc 4-Cycle Wheeled Trimmer Parts ...

5 out of 5 stars. (11) 11 product ratings - Homelite OEM 638033001 replacement string trimmer spring & container RY08420A. $8.99. Was: $12.14. Free shipping.

Homelite UT33650 26cc String Trimmer Parts Diagram for ...

Homelite UT33650 26cc String Trimmer Parts Diagram for ...

Club de Centre Rural: Perspective Sketch (1943) // Le Corbusier French, born Switzerland, 1887-1965

Club de Centre Rural: Perspective Sketch (1943) // Le Corbusier French, born Switzerland, 1887-1965

Block-Neighborhood-Community: Diagram (n.d.) // Bertrand Goldberg American, 1913-1997

Block-Neighborhood-Community: Diagram (n.d.) // Bertrand Goldberg American, 1913-1997

Part Carburetor Homelite Trimmer 985624001 and 50 similar items

Part Carburetor Homelite Trimmer 985624001 and 50 similar items

green kush beside jar

green kush beside jar

Trimmer - Users Guides from "Trimmer"

Trimmer - Users Guides from "Trimmer"

Homelite Mightylite String Trimmer | UT-21004 | eReplacementParts.com

Homelite Mightylite String Trimmer | UT-21004 | eReplacementParts.com

Homelite Mightylite Versatool String Trimmer | UT-21566 | eReplacementParts.com

Homelite Mightylite Versatool String Trimmer | UT-21566 | eReplacementParts.com

Homelite UT32605 26cc String Trimmer UT-32605 26cc String ...

Homelite UT32605 26cc String Trimmer UT-32605 26cc String ...

Homelite String Trimmer | SX135 | eReplacementParts.com

Homelite String Trimmer | SX135 | eReplacementParts.com

Homelite RY39506 Hedge Trimmer Mfg. No. 090137053 ...

Homelite RY39506 Hedge Trimmer Mfg. No. 090137053 ...

Homelite UT33600 26cc String Trimmer Mfg. No. 090330011 (REV:02) UT-33600 26cc String Trimmer Parts Diagram for Figure A

Homelite UT33600 26cc String Trimmer Mfg. No. 090330011 (REV:02) UT-33600 26cc String Trimmer Parts Diagram for Figure A

Homelite RY34440 30cc String Trimmer Parts Diagram for ...

Homelite RY34440 30cc String Trimmer Parts Diagram for ...

Homelite TrimLite String Trimmer UT-20763 Parts and Accessories- PartsWarehouse

Homelite TrimLite String Trimmer UT-20763 Parts and Accessories- PartsWarehouse

ECHO GT-225 Trimmer Parts Diagram SN S53912001001-S53912999999

ECHO GT-225 Trimmer Parts Diagram SN S53912001001-S53912999999

Homelite ST2517CR String Trimmer UT-20726R Parts Diagram ...

Homelite ST2517CR String Trimmer UT-20726R Parts Diagram ...

HOMELITE HOMELITE HEDGE TRIMMER Parts | Model HT17 | Sears ...

HOMELITE HOMELITE HEDGE TRIMMER Parts | Model HT17 | Sears ...

Marina City Theater, Chicago, Illinois, Roof and Partial Concrete Frame Development Drawing (1961-1962) // Bertrand Goldberg American, 1913-1997

Marina City Theater, Chicago, Illinois, Roof and Partial Concrete Frame Development Drawing (1961-1962) // Bertrand Goldberg American, 1913-1997

Pitchfork Lady (1964) // Don Baum American, 1922–2008

Pitchfork Lady (1964) // Don Baum American, 1922–2008

Homelite Mightylite Versatool String Trimmer UT-21967 ...

Homelite Mightylite Versatool String Trimmer UT-21967 ...

0 Response to "40 homelite weed eater parts diagram"

Post a Comment

Iklan Atas Artikel

Iklan Tengah Artikel 1

Iklan Tengah Artikel 2

Iklan Bawah Artikel