39 troy bilt bronco deck belt diagram
troy built super bronco: replacing drive belts and deck belt. got correct length and type. short drive belt and mower deck belt were easy but i have forgotten the routing method for the long drive . Troy Bilt Bronco Drive Belt Diagram ~ thank you for visiting our site, this is images about troy bilt bronco drive belt diagram posted by Brenda ... About Press Copyright Contact us Creators Advertise Developers Terms Privacy Policy & Safety How YouTube works Test new features Press Copyright Contact us Creators ...
Troy Bilt Super Bronco 50 Deck Belt Diagram has a variety pictures that aligned to locate out the most recent pictures of Troy Bilt Super Bronco 50 Deck Belt Diagram here, and then you can get the pictures through our best troy bilt super bronco 50 deck belt diagram collection.Troy Bilt Super Bronco 50 Deck Belt Diagram pictures in here are posted and uploaded by Adina Porter for your troy ...

Troy bilt bronco deck belt diagram
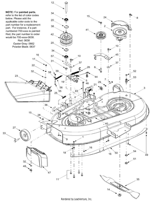
Troy Bilt 13BX60KH011 Super Bronco (2009) Mowing Deck 46 Inch Parts Diagram. This is how you remove and change the deck belt on your Troy-Bilt riding lawn mower. Always be sure to check your owner's manual for detailed instructions on... Troy-Bilt Bronco, Belt broke and I don't know how to route around the pulleys. - Toro Power Lawn. SOURCE: Troy-bilt bronco riding lawn mower choke problem. Check your air cleaner then check fuel line from pump. Pull fuel line off carb. Troy Bilt 13WX78KS Bronco () Drive & Transmission Parts Diagram . PLUG DECK HOLE 7/8 $ 36 A Upper Drive Belt.
Troy bilt bronco deck belt diagram. Troy-Bilt . Troy Built Bronco deck belt. Thread starter DSP300; Start date May 31, 2013; D. DSP300 Forum Newbie. Joined May 17, 2013 ... I am asking for my father in law, he has a Troy Built Bronco that the deck belt keeps jumping off. The belt is in good shape, no bent or locked up pullies. He has learned from friends and neighbors that this ... Troy Bilt 13WQA2KQ011 Super Bronco 50 (2015) Mower Deck 50-Inch Parts Diagram. SWIPE SWIPE Previous Diagrams Next Diagrams .Quick Reference 50 · Deck Lift. Troy Bilt 13WX78KS011 Bronco (2010) Mower Deck 42-Inch Exploded View parts lookup by model. Complete exploded views of all the major manufacturers. Troy Bilt 13WX78BS011 Bronco (2017) Deck Exploded View parts lookup by model. Complete exploded views of all the major manufacturers. It is EASY and FREE
good, high quality belts are required, and they must be real drive belts not regular v remove 2 screws on bracket/transmission assembly. Troy Bilt 13WX78KS Bronco Drive & Transmission Parts Diagram . KEEPER ASM BELT No Longer Available. USE Troy Bilt 13AV60KG Bronco Exploded View parts lookup by model. Troy Bilt 13YX78KS011 Bronco (2013) Mower Deck 42-Inch Parts Diagram. SWIPE SWIPE Previous Diagrams Next Diagrams .Quick Reference · Engine Accessories. Troy Bilt Bronco Parts Diagram – Troy Bilt Bronco 42 Deck Belt Diagram Elegant Troy Bilt. Troy Bilt Bronco Parts Diagram – Troy Bilt Bronco 42 Deck Belt Diagram Awesome Troy Bilt. How to Replace the Transmission Pulley on a Troy Bilt Pony Lawn Tractor Part 956. 2f8046fb 3cf8 4b50 b69a 3fa6f8db83ff 003 JPG. troy bilt , Step 1: Turn the mower off and make sure the engine is cool. Remove the ignition key. Disconnect the spark plug ignition wire. Engage the parking break. Be sure ...
Troy Bilt 13WX78KS Bronco () Drive & Transmission Parts Diagram . PLUG DECK HOLE 7/8 $ 36 A Upper Drive Belt. Troy Bilt 13WX78KS Bronco () Mower Deck Inch Exploded View parts lookup by model. Complete exploded views of all the major manufacturers. This is how you remove and change the deck belt on your Troy-Bilt riding lawn mower. Troy Bilt 13WV78KS011 Bronco (2015) Mower Deck 42-Inch Parts Diagram ... Deck Lh Bracket Assembly. $31.70. Add to Cart. 3. KEEPER BELT. 78308690A0637. Troy-Bilt Bronco, Belt broke and I don't know how to route around the pulleys. - Toro Power Lawn. SOURCE: Troy-bilt bronco riding lawn mower choke problem. Check your air cleaner then check fuel line from pump. Pull fuel line off carb. Troy Bilt 13WX78KS Bronco () Drive & Transmission Parts Diagram . PLUG DECK HOLE 7/8 $ 36 A Upper Drive Belt. This is how you remove and change the deck belt on your Troy-Bilt riding lawn mower. Always be sure to check your owner's manual for detailed instructions on...
Troy Bilt 13BX60KH011 Super Bronco (2009) Mowing Deck 46 Inch Parts Diagram.
Troy Bilt 13at78bt066 Troy Bilt Bronco 46 Lawn Tractor 2018 Deck Parts Lookup With Diagrams Partstree
Deck Belt For Troy Bilt Bronco Pony 42 Cut 754 04060 754 04060a 754 04060b 954 04060 954 04060a 954 04060b 954 04060c
0 Response to "39 troy bilt bronco deck belt diagram"
Post a Comment