38 pt cruiser cooling system diagram
Cooling Fan Wiring Diagram Chrysler 300m, Chrysler Pt Cruiser, Chrysler Cars, Electric Radiator. claraamalia234akun01. Margaret M. Wheeler. 207 seuraajaa. 6 Jul 2018 · 5 posts · 3 authorsDoes anyone have a diagram for the rubber coolant hose routing for the 2.4 ... oil cooler internally pumping oil into the cooling system.
I am diagnosing a engine overheating problem with the 2004 PT Crusier. After going through these procedures, the overheating problem was corrected.

Pt cruiser cooling system diagram
Chrysler PT Cruisers are equipped with a coolant system bleeding valve to aid in the removal of air from the coolant system after topping off or draining and refilling the radiator. Air can be trapped within the engine water jacket, displacing coolant and giving a false 'Full' indication in the radiator and ... 2001 pt cruiser cooling system diagram here you are at our site this is images about 2001 pt cruiser cooling system diagram posted by alice ferreira in wiring category on sep 11 2019. Cooling system diagnos 2004 pt crusier mind blown productions. Repeated overheating due to a problem with the cooling system. The Cooling Fan Assembly is an essential part of a vehicle’s cooling system. It must complement the rest of the cooling system by efficiently cooling the radiator and/or... OE quality at an affordable price Direct replacement. $117.11. Gates® Engine Coolant Standard Water Pump (43500) 0. # mpn4242913309.
Pt cruiser cooling system diagram. mcΔθ = Q = Pt mc(Δθ/t) = P c = P/(m x gradient of the graph) = 48/0.056 c = 860 60 J kg –1 K –1 (or J kg –1 °C –1) (1 mark) (2) (d) The heater in part (c) is placed in some crushed ice that has been placed in a funnel as shown. The heater is switched on for 200 s and 32 g of ice are found to have melted during this time. PT Cruiser L4-2.4L VIN B (2001) Engine, Cooling and Exhaust > Engine > Timing Components > Balance Shaft > Component Information > Specifications > Page 1390. 5. Install balance shaft drive sprocket on crankshaft using Special Tool 6052 (Fig. 124). ... Get free kindle 2006 Chrysler Pt Cruiser Cooling System Diagram or download adn read online kindle 2006 Chrysler Pt Cruiser Cooling System Diagram ebook. ... Download PDF. Download ePub In wiki says that 2006 Chrysler Pt Cruiser Cooling System Diagram is supposed to have 320 pages, ..... Step 2) Tried to read the book after realizing it was a ... Diagram 2004 pt cruiser wiring diagrams number 81 3704361 full version hd quality 2005 chrysler wire all for 2003 cars engine performance limited 2007 system instrument cer touring 2001 cooling fan work service repair manual transmission 2002 i require a and an airconditioner 2006 gt don electrical parts site resource part 534 need motor the checks ok but… Read More »
5 Oct 2018 — This specific image 2001 pt cruiser radiator fan wont work pt cruiser forum in 2002 pt cruiser cooling system diagram previously mentioned will ... This is a image galleries about pt cruiser cooling system diagram. Pt cruiser 24 cylinder head removal continued from part 1. Vehicle has been in the shop for almost 11 weeks. Some people attempting to find info about 2001 pt cruiser cooling system diagram and of course. Some people searching for details about 2002 pt cruiser cooling system ... Chrysler Pt Cruiser owners have reported 22 problems related to engine cooling system (under the engine and engine cooling category). The most recently reported issues are listed below. Also please check out the statistics and reliability analysis of Chrysler Pt Cruiser based on all problems reported for the Pt Cruiser. The Cooling Fan Assembly is an essential part of a vehicle’s cooling system. It must complement the rest of the cooling system by efficiently cooling the radiator and/or... OE quality at an affordable price Direct replacement. $117.11. Gates® Engine Coolant Standard Water Pump (43500) 0. # mpn4242913309.
2001 pt cruiser cooling system diagram here you are at our site this is images about 2001 pt cruiser cooling system diagram posted by alice ferreira in wiring category on sep 11 2019. Cooling system diagnos 2004 pt crusier mind blown productions. Repeated overheating due to a problem with the cooling system. Chrysler PT Cruisers are equipped with a coolant system bleeding valve to aid in the removal of air from the coolant system after topping off or draining and refilling the radiator. Air can be trapped within the engine water jacket, displacing coolant and giving a false 'Full' indication in the radiator and ...
I Have A 2002 Pt Cruiser The Radiator Fan Will Not Come On Until It Is Overtemp And High Speed Relay Turns On I
Amazon Com Mopar Oem New 04 2006 Chrysler Pt Cruiser Line Air Conditioning Liquid 5058002af Automotive
Fusionmagazine Org Engine Coolant Recovery Tank Natural Skp Sk603580 Fits 2004 Chrysler Pt Cruiser Cooling Systems Automotive
I Have A 2002 Chrysler Pt Cruiser I Would Like To Know How To Drain And Flush The Radiator And Replace The Fluid
Chrysler Pt Cruiser 01 10 Haynes Repair Manual Editors Of Haynes Manuals 9781563929632 Amazon Com Books
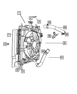
Chrysler Workshop Manuals Pt Cruiser L4 2 4l Vin B 2001 Engine Cooling And Exhaust Cooling System Radiator Cooling Fan Radiator Cooling Fan Motor Component Information Diagrams Diagram Information And Instructions
0 Response to "38 pt cruiser cooling system diagram"
Post a Comment