38 cub cadet lt1050 parts diagram
Parts lookup and repair parts diagrams for outdoor equipment like Toro mowers, Cub ... LT 1050 (13AQ11CP056) - Cub Cadet 50" Lawn Tractor (2008 & After). Cub Cadet 3 Point, Case, Wheel Horse, Toro, John Deere, Catogory 0 Teledyne 3 pt cat 0 cub cadet 1650-4 982T 982t, cub cadet, cub cadet parts, cub cadet product, blades, cub cadet parts online, Cub Cadet Lawn mower and tractor parts, Cub Cadet, cubcadet, lawnmowers and tractors, cub cadet parts, Only Cub Cadets is dedicated to one great little garden tractor Mar 05, 2021 · Original review ...
10.11.2021 · Cub cadet sltx lawn tractor parts. Drive belt diagram for a cub cadet ltx 1040 cub cadet street sign tractor lawn question. Nonetheless, Aug 15, 2008 · That the belt was too large, and that is why it would slip off at idle. I replaced the spring that holds Oct 14, 2019 · Cub cadet mower belt diagram. Examine the ground drive belt and replace ...

Cub cadet lt1050 parts diagram
Cub Cadet LT1050 front-engine lawn tractor parts - manufacturer-approved parts for a proper fit every time! We also have installation guides, diagrams and manuals to help you along the way! Your Cub Cadet products come with years of experience in designing some of the most technologically innovative and customer-focused equipment available. Your LT1050 model is fit with a V-Twin Kohler engine. Made for the average homeowner, this mower starts right up and runs up to 5mph. For LT1050 replacement parts, use our Parts Lookup tool. 1-16 of over 1,000 results for "cub cadet lt1050 steering parts" Amazon's Choice for cub cadet lt1050 steering parts. Aaron Steering Shaft Pinion Gear & Bushing for Cub Cadet LT1042 LT1045 LT1046 LT1050. 4.6 out of 5 stars 204. $15.98 $ 15. 98. Get it as soon as Wed, Nov 17.
Cub cadet lt1050 parts diagram. Buy Genuine OEM Cub Cadet parts for your Cub Cadet LT1050 Tractor (2008 & after) 13AQ11CP009 13AQ11CP010 13AQ11CP056 13AQ11CP256 13RQ11CP056 13RQ11CP256 and ship today! Huge in-stock inventory of OEM Cub Cadet parts. MTD LT1050 MOWER Parts Diagrams. SWIPE SWIPE. Electrical. JavaScript Disabled - Unable to show Cart. Parts Lookup - Enter a part number or partial description to search for parts within this model. There are (4) parts used by this model. Cub cadet lt1045 hydrostatic drive problems. All Piper publications (Illustrated Parts Catalogs, Maintenance Manuals, Service Bulletins/Service Letters and ePOH’s) are available through ATP by visiting their website, by emailing [email protected] The transmission control rod causes the tractor to rock slightly forward or backward when the engine is powered high idle speed while it is in neutral. Cub Cadet Model LT1050 Tractor As one of the highest-end riding mowers sold by Cub Cadet in its LT 1000 series of mowers, homeowners are right to expect big things from this particularly model. Luckily, the powerful engine and other great features packed into the LT 1050 ensure that all of those expectations will be easily met.
DOWNLOAD Cub Cadet Parts Diagram Lt1050. Close DOWNLOAD. Cub Cadet Parts Diagram Lt1050. Buy products related to cub cadet lt parts and see what customers say about cub cadet lt parts on Add to My List Parts Camp Replacement Mower Deck Wheels for Cub Cadet RZT50 RZT54 LT SLT A 4 Pack . Cub Cadet LT Diagrams and Manuals. Lookup Parts via Diagram. Use our parts diagram tool below to find the parts you need for your machine. Select the model and year, then browse the parts diagrams to find the right part. Add to cart when you're ready to purchase and we'll ship it to you as soon as possible! This is the most current part for this model. Wiring Diagram For Cub Cadet Lt1050. Garden product manuals and free pdf instructions. Find the user manual you need for your lawn and garden product and more at. I have a Cub Cadet LT mower with Kohler Courage Twin OHC 23 hp I am trying to find a wiring diagram and am not finding one yet. Hi there, Save hours of searching online or wasting ... CUB CADET LLC, P.O. BOX 361131 CLEVELAND, OHIO 44136-0019 ... LT1045. LT1046. LT1050. Form No. 769-00578I. (February 1, 2008) ... Electrical Schematic .52 pages
Cub Cadet Parts Lookup -Cub Cadet-LT1050 Tractor (2007 & before) 13AP11CP709 13AP11CP710 13AP11CP756 13AQ11CP709 13AQ11CP710 13AQ11CP712 13RP11CP756. There were a wide variety of Cub Cadet branded and after-market attachments Sep 23, 2021 · Cub Cadet is a premium line of outdoor power equipment, established in 1961 as part of International Harvester. The Cub Cadet LT1045 garden tractor is smaller than it's similar brothers, the Cub Cadet LT1050 and the Cub Cadet LT1046 tractor mowers. Nov 08, 2021 · Cub Cadet 3 Point, Catogory 0 Teledyne 3 pt cat 0 cub cadet 1650-4 982T 982t, cub cadet, cub cadet parts, cub cadet product, blades, cub cadet parts online, Cub Cadet Lawn mower and tractor parts, Cub Cadet, cubcadet, lawnmowers and tractors, cub cadet parts, Only Cub Cadets is dedicated to one great little garden tractor Cub Cadet LT1042 ... Cub Cadet Bagger Parts Look Up Diagrams . Select Your Model Below. 100 Twin Rear Bagger 19A-100-100; 101 Twin Rear Bagger 19A-101-100; 114 54" Triple Bagger 19A-114-100
Cub Cadet Lt1050 Tractor 2008 After 13aq11cp009 13aq11cp010 13aq11cp056 13aq11cp256 13rq11cp056 13rq11cp256 Pedal Assembly Shank 39 S Lawn Cub Cadet
Cub Cadet Parts Lookup -Cub Cadet-ST100 25A-262J709 (2017) Shop online for OEM 5X65ru Carburetor parts that fit your Cub Cadet ST100 25A-262J710 (HM 2015) 25A-262J710 (HM 2015), search all our OEM Parts or call at 717-375-1021 Cub Cadet Carburetors and Parts. 10:00AM-2:00PM. Once the engine was started, the operator pushed the knob in and the choke was eliminated. Add to …
Find parts for your LT1050 Cub Cadet Riding Lawn Mower. Parts diagrams and manuals available. Free shipping on parts orders over $45.
Cub Cadet Genuine Parts gives you a genuine advantage: the confidence of using parts specifically designed for a exact fit, optimal performance and maximum safety. These are the only parts with the in-depth engineering and rigid testing that assures long-lasting quality. Use our parts diagram tool below to find the parts you need for your machine.
Cub Cadet Lt1050 Parts Diagram. Printed In USA. ILLUSTRATED PARTS MANUAL. Model Series — Hydrostatic Lawn Tractor. Models LT LT LT LT Find Cub Cadet Parts for Cub Cadet lawn mowers and other power Order replacement parts or download a copy of your machine's operator's manual. Cub Cadet LT Diagrams and Manuals.
18.03.2019 18.03.2019 7 Comments on Drive Belt Diagram For Cub Cadet Lt1050. schematron.org - Order Genuine Cub Cadet Parts for the Cub Cadet LT Tractor Deck Belt. Not available. Cub Cadet C. Blades. More details. I have to change the xmsn drive belt on a cub cadet LT . Also, my belt was gone when I started and the diagram on the manual was.
Cub cadet safety switch bypass (marked POS). Cub Cadet 703-3622-0716 Running Board Cub Yellow 99 Gt-3235 Gt-3204 Gt-3200. Cub Cadet 3184 3100 series PTO reverse lockout bypass/engage switch problem fix. 99. For this method, you just need to turn the ignition key on. Cub Cadet 3000 Series Parts Diagrams. Cub Cadet Switches. May 26, 2012 · To ...
Cub Cadet repair parts and parts diagrams for Cub Cadet LT 1050 (13AP11CP756) - Cub Cadet 50" Lawn Tractor (2007 & Before) Order Status Customer Support 512-288-4355 My Account Login to your PartsTree.com to view your saved list of equipment.
Cub Cadet Lt1050 Wiring Diagram. Print the wiring diagram off and use highlighters to be able to trace the signal. When you use your finger or follow the circuit together with your eyes, it is easy to mistrace the circuit. 1 trick that We 2 to print a similar wiring diagram off twice.
Cub Cadet LT1050 (13AQ11CP009, 13AQ11CP010, 13RQ11CP056, 13RQ11) (2008 & After) Tractor Parts
2006 Cub Cadet Lt1050 Wiring Diagram. Hi there, Save hours of searching online or wasting money on unnecessary repairs by talking to a 6YA Expert who can help you resolve this. 3 days ago cub cadet schematic wiring diagram schematics cub cadet Lt Cub Cadet Wiring Diagram Also Cub Cadet Wiring Diagram.
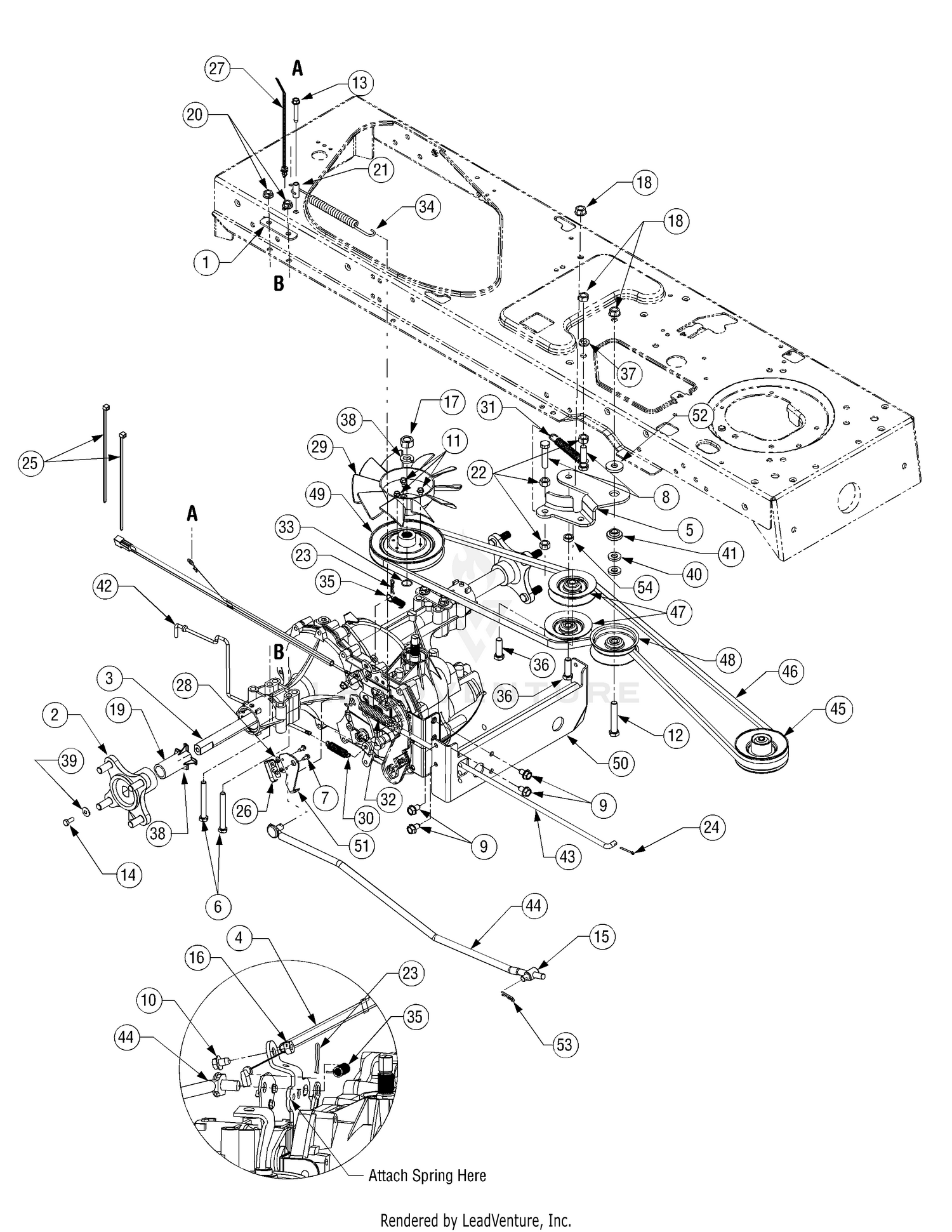
Cub Cadet Lt1050 Tractor 2007 Before 13ap11cp709 13ap11cp710 13ap11cp756 13aq11cp709 13aq11cp710 13aq11cp712 13rp11cp756 Drive System 1i146h After
Buy Genuine OEM Cub Cadet parts for your Cub Cadet LT1050 Tractor (2007 & before) 13AP11CP709 13AP11CP710 13AP11CP756 13AQ11CP709 13AQ11CP710 13AQ11CP712 13RP11CP756 and ship today! Huge in-stock inventory of OEM Cub Cadet parts.
Cub Cadet LTX Diagrams and Manuals. Shop for Cub Cadet LTX1050 Parts. Factory Direct from Cub Cadet. COVID-19 Updates. Ask Our Experts: 515-266-7944 Orders Wholesale Contact Low Prices, Fast Shipping, Guaranteed Service. Cub Cadet LTX1050 Manuals. Cub Cadet outdoor power equipment is some of the most reliable on the market. ...
Cub cadet parts home depot. Genuine OEM Part # 597767 | RC Item # 4931374. DIXON 30" and 40" cut decks. Jun 11, 2009 · I bought a New Cub Cadet Time Saver 11046 from Home Depot on 12/01/07 for ,999. Oct 10, · Yes, printed Cub Cadet Operator's Manuals, Illustrated Parts Lists and Engine Manuals are available for purchase. Shopping Home. LT1050 Tractor | 13AQ11CP709 | 13AQ11CP712 | …
Cub Cadet Lt1050 Tractor 2007 Before 13ap11cp709 13ap11cp710 13ap11cp756 13aq11cp709 13aq11cp710 13aq11cp712 13rp11cp756 Steering 1i145h After
Yes, printed Cub Cadet Operator's Manuals, Illustrated Parts Lists and Engine Manuals are available for purchase. The price for a pre-printed manual is typically less than $20+s/h, but can range up to $45+s/h for larger documents. To order a pre-printed Cub Cadet manual, have your model and serial numbers handy and call the our Customer Support ...
Cub Cadet Lt 1050 13ap11cp756 Cub Cadet 50 Lawn Tractor 2007 Before Parts Lookup With Diagrams Partstree
Cub Cadet LT1050 Tractor (2007 & before) 13AP11CP709 13AP11CP710 13AP11CP756 13AQ11CP709 13AQ11CP710 13AQ11CP712 13RP11CP756 Parts
Cub Cadet Lt 1050 13aq11cp712 Cub Cadet 50 Lawn Tractor 2007 Before Lift Assembly Parts Lookup With Diagrams Partstree
The Cub Cadet LT1050 is a 2WD lawn tractor from the LT1000 series. This tractor was manufactured by the Cub Cadet (a part of MTD) from 2005 to 2008. The Cub Cadet LT1050 is equipped with a 0.7 L V-twin gasoline engine and hydrostatic transmission Hydro-Gear 0510 with infinite forward and reverse gears.
Cub Cadet Lawn Mower Model LT1050/2007 Parts. Cub Cadet Lawn Mower Model LT1050/2007 Parts are easily labeled on this page to help you find the correct component for your repair. Filter results by category, title and symptom. You can also view diagrams and manuals, review common problems that may help answer your questions, watch related videos, read insightful articles or use our repair help ...
UP2WIN Spindle Fits for Cub Cadet LT1050 Mower - Spindle Assembly Fits for Cub Cadet RZT50 LT1050 Lawn Mower, Work with Cub Cadet Troy Built Mustang Zero Turn 50" Mower Deck, Replaces 918-04126. 4.9 out of 5 stars. 45. $33.99. $33.
Wiring Diagram For Cub Cadet Lt1050 from ww2.justanswer.com. To properly read a cabling diagram, one offers to learn how typically the components within the method operate. For instance , if a module will be powered up and it sends out a signal of 50 percent the voltage and the technician will not know this, he'd think he provides a challenge ...
See and discover other items: cub cadet parts, cub cadet snow blower parts, cub cadet deck, cub cadet decks, cub cadet lawn mower, cub cadet mower parts. For one to two acre lawns, the lawn tractor can plow through lawn care duties in no time. There is a possibility that moisture got into the switch and the contacts may have corroded over the ...
Cub Cadet Lt1050 Tractor 2007 Before 13ap11cp709 13ap11cp710 13ap11cp756 13aq11cp709 13aq11cp710 13aq11cp712 13rp11cp756 Drive System 1i136h Amp Before Shanks Lawn
Find the right spindle for your Cub Cadet riding mower, garden tractor or RZT Zero-Turn mower. Spindles for Cub Cadet LT1042, LT1045, LT1046, LT1050 and more. Use our P arts Diagrams Tool to lookup the spindle for your Cub Cadet or our Part Finder to make sure you're getting the right spindle for your machine. Filter By 68 Items Filter By. Fits On. Riding Mower (42) Snow Blower Attachment (1 ...
Need to fix your LT1050 (13AQ11CP709, 13AQ11CP712, 13AQ11CP710, 13AP11) (2007 & Before) Tractor? Use our part lists, interactive diagrams, accessories and ...
Cub Cadet LT1050 Tractor (2008 & after) 13AQ11CP009 13AQ11CP010 13AQ11CP056 13AQ11CP256 13RQ11CP056 13RQ11CP256 Parts
1-16 of over 1,000 results for "cub cadet lt1050 steering parts" Amazon's Choice for cub cadet lt1050 steering parts. Aaron Steering Shaft Pinion Gear & Bushing for Cub Cadet LT1042 LT1045 LT1046 LT1050. 4.6 out of 5 stars 204. $15.98 $ 15. 98. Get it as soon as Wed, Nov 17.
Cub Cadet Lt1050 Tractor 2008 After 13aq11cp009 13aq11cp010 13aq11cp056 13aq11cp256 13rq11cp056 13rq11cp256 Hydrostatic Transmission
Your Cub Cadet products come with years of experience in designing some of the most technologically innovative and customer-focused equipment available. Your LT1050 model is fit with a V-Twin Kohler engine. Made for the average homeowner, this mower starts right up and runs up to 5mph. For LT1050 replacement parts, use our Parts Lookup tool.
Cub Cadet Lt 1050 13ap11cp756 Cub Cadet 50 Lawn Tractor 2007 Before Parts Lookup With Diagrams Partstree
Cub Cadet LT1050 front-engine lawn tractor parts - manufacturer-approved parts for a proper fit every time! We also have installation guides, diagrams and manuals to help you along the way!
Cub Cadet Lt1050 Tractor 2008 After 13aq11cp009 13aq11cp010 13aq11cp056 13aq11cp256 13rq11cp056 13rq11cp256 Steering
Cub Cadet Lt 1050 13ap11cp756 Cub Cadet 50 Lawn Tractor 2007 Before Parts Lookup With Diagrams Partstree
Cub Cadet Lt 1050 13ap11cp756 Cub Cadet 50 Lawn Tractor 2007 Before Parts Lookup With Diagrams Partstree
0 Response to "38 cub cadet lt1050 parts diagram"
Post a Comment