37 mitsubishi outlander exhaust system diagram
Mitsubishi Outlander AWD Exhaust Flex Pipe Fits all 2.4L 4cyl all wheel drive models from 2003 through to 2006. Three bolt welded inlet flange and 2 bolt outlet flange. Item includes free gaskets and outlet bolts with purchase. Note: item has pipe flatten in same position as the OEM unit. Fitment Direct Fit Inlet Coun Mitsubishi exhaust diagram wiring diagram data schema parts â genuine factory oem 2010 mitsubishi outlander xls v6 mitsubishi outlander exhaust system diagram mitsubishi exhaust diagram. Mitsubishi oem 11 18 outlander sport 20l l4 exhaust heat shield 5374a163. This product is made of high quality materials to serve you for years to come.
We have a variety of aftermarket parts for 2010 Mitsubishi Outlander from trusted brands as well as value-oriented and genuine OEM options. Whether you're looking at a small job like changing a car battery, or you need to do something more involved like replace your brake rotors, we have what you need to do the job right.

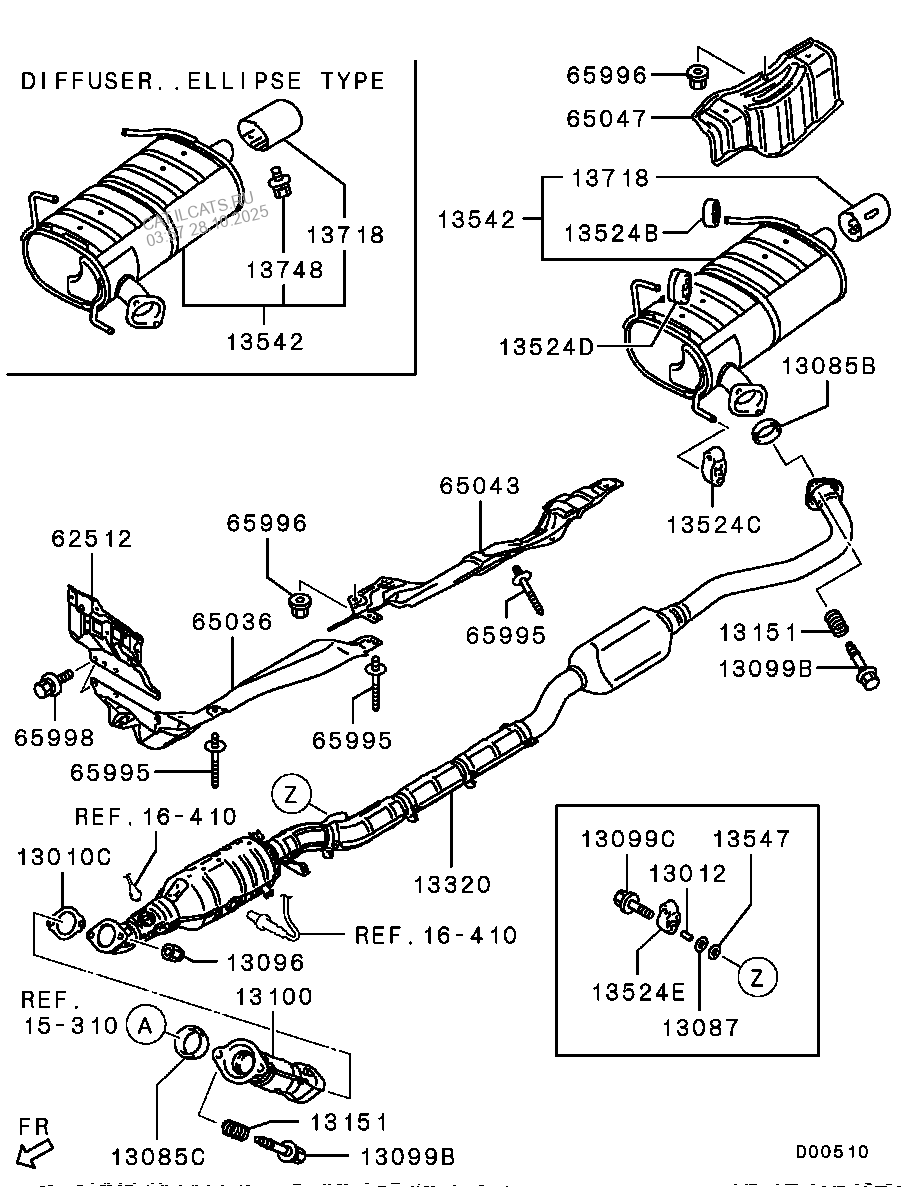
Mitsubishi outlander exhaust system diagram
MR529673 - Exhaust System: Intermediate Pipe Hanger for Mitsubishi: Lancer, Outlander Image Placeholder · Intermediate Pipe Hanger. Mitsubishi outlander exhaust system diagram. 500 x 490 pixel image type. Designed using state of the art technology and with. Its made for adventurous drivers who want to start their own daily adventures. Mitsubishi oem 07 17 outlander 30l v6 exhaust system front pipe 1570c433 see more like this exhaust y pipe fits. Mitsubishi Outlander Exhaust System Youtube 500 x 490 pixel image type. Mitsubishi outlander exhaust system diagram. Inspired by suvs and sedans the mitsubishi outlander offers the off road capabilities of an suv and the comfort of a sedan. Your stock mitsubishi outlander exhaust system makes your engine work too hard.
Mitsubishi outlander exhaust system diagram. EXHAUST PIPES for MITSUBISHI OUTLANDER online shop for TOP car parts brands in the category Exhaust system │ Affordable Exhaust pipes │ Original-quality ... Mitsubishi Outlander Exhaust System Diagram - RKE ... 2005 E250 Fuse Diagram / Toyota Corolla fuse boxes... 5R55S Transmission Diagram : 5R55S / 5R55W Wire Ha... 2003 Toyota Matrix Wiring Diagram / Repair Guides - Axis A1001 Wiring Diagram / Evh Frankenstein Humbu... Wiring Loom Motorcycle - Honda GL1200 Goldwing Asp... Mitsubishi Outlander Exhaust Systems. Showing 1 - 35 of 35 results. Sort by: Availability:In Stock. Category:Exhaust Systems. Clear all. Free Shipping. Muffler by WALKER USA - 21824. or 4 interest-free payments of CAD$ 121 with. Vehicle Specific. Part #: 21824. Part #: 21824. Does it fit your Car? ... Muffler Outlander Sport. 2.0l. Outlander Sport. 2.4l. Awd. Without gt models. 2.4L, 2015-17, manual trans. 2.4L, 2015-17, without chrome, 4wd.
Buy Mitsubishi Car Exhaust & Emission Systems for Mitsubishi Outlander and get the best deals at the lowest prices on eBay! Great Savings & Free Delivery ... Mitsubishi Outlander 2.4L 2006, Rear Exhaust Muffler by Ansa®. If you're in need of a durable and efficient replacement exhaust part, rely on this OE-quality product from Ansa that provides both perfect fit and superior functionality... Completely compatible with your OE-unit Design to ensure a perfect fit. $114.82. Our range of Mitsubishi Outlander Exhaust System covers all models and years. Customer Helpline 01604 666711 Online Automotive is a state of the art Internet based business that uses the vast knowledge of its employees to source the best deals for you. Mitsubishi outlander exhaust system diagram. Mitsubishi oem 14 17 outlander 24l l4 exhaust system front pipe 1570c008 see more like this. Mitsubishi outlander exhaust mufflers tips carmakers always like to make a big deal about their engines and we think mitsubishi has a lot to be proud of when it comes to their four cylinder sirius engine ...
Gasket 2.0L, 2018-21, fwd. 2.4L, 2015-17. 3.0L, front. 2wd, #3. From 01/04. From 01/2004. 2.4L, 2018-21, fwd. 3.8L. 2.4L, 2wd, front, federal. Hanger 2.0L, #1. 2.0L, 2011-17. 2.4L, 2015-17. 2.4L, 2wd, front. 2.0L, 2018-21, fwd. 2.4L, 2018-21, 4wd. 2.4L, 2018-21, fwd. 2.4L, muffler, front. 3.0L, 2wd, rear ... 76.2-102mm Car Black Stainless Steel Exhaust Pipe Muffler Tip Tail Throat System (Fits: Mitsubishi Outlander Sport) $37.39. Was: $43.99. $16.00 shipping. or Best Offer. 12 watching. Front Pipe Outlander Sport. Lancer. 2wd. Awd. Fwd. All. To 04/11. Manual trans. Exc.Traction Control. 2.4L, federal, from 03/2011. 2.0L without turbo, federal.
Order Mitsubishi Outlander Catalytic Converter online today. Free Same Day Store Pickup. Check out free battery charging and engine diagnostic testing while you are in store.
1570B702 - Exhaust System: Intermediate Pipe for Mitsubishi: Outlander Image Placeholder · Intermediate Pipe · 1570B702. Outlander. Fwd. 3.0L, 2wd, ...
Deals & Savings. Trending price is based on prices over last 90 days. New Muffler Exhaust Rear for Mitsubishi Outlander 2003-2006. $87.97. Trending at $89.28. Free shipping. 4" N1 Stainless Titanium Burn Tip Exhaust Muffler+ Silencer. $41.99. was -.
mitsubishi outlander exhaust system, 2.2ltr turbo diesel, zk, 04/15- 2020 AU $1,298.00 2''x12'' 50x300mm Exhaust Flex Tube Pipe Joint Flexible Clamp Stainless Steel OZ (Fits: Mitsubishi Outlander)
Products 1 - 30 of 5406 — Our replacement exhaust parts fit and function just like factory for less, so your Mitsubishi Outlander will be quiet, safe, ...
1570A621 - Exhaust System: Intermediate Pipe Shield for Mitsubishi: Outlander Sport Image Placeholder · Intermediate Pipe Shield.
Muffler Outlander Sport. 2.0l. Manual trans. Outlander Sport. 2.4l. Without gt models. 2.4L, 2015-17, without chrome, fwd.
Mitsubishi HPFP Zexel VRZE Repair Manual. Worshop Manuals for 4G1, 4G3, 4G5, 4G6, 4G9, 6G7, 6A1, 4D5, 4D6, 4M4, F8QT, F9Q Engines. By the names of engines MITSUBISHI much can not be said, as well as the names of engines of other companies (of course, except for TOYOTA and NISSAN). The first figure in the name of the engine MITSUBISHI speaks ...
If you are looking for Mitsubishi Outlander original or aftermarket Exhaust parts, but need something more specific, check out the categories below.
Upgrade your Mitsubishi Outlander exhaust system on Sunday and enjoy new driving thrills on Monday. And, remember that whenever you shop with AutoAnything your purchase is automatically covered by our low price promise—even our top grade Mitsubishi Outlander exhaust, mufflers and tips. Filter By. Sort By. Top Brands.
Mitsubishi Outlander auto parts and accessories - Factory Direct Genuine OEM Mitsubishi auto parts online at wholesale prices. When you purchase Mitsubishi Outlander auto parts from our dealership, you can rest assured that you are getting the highest quality parts from experts that know your vehicle.
The Outlander is a part of the Mitsubishi ASX concept and offers an excellent combination of high performance and superior economy. In its lifespan, the Mitsubishi Outlander was manufactured in three generations. The model was first released in 2001 with the name "Airtrek". It was available with a front and four-wheel-drive body style.
Mitsubishi Outlander performance exhaust system upgrades can result in up to 15% better fuel economy, increased horsepower, increased torque and a cooler and cleaner running engine. Mettam's Mufflers carry and source a large range of car exhausts and extractors in our three Perth Stores including Pacemaker, Manta, Xforce, Genie, Hurricane, HM ...
RockAuto ships auto parts and body parts from over 300 manufacturers to customers' doors worldwide, all at warehouse prices. Easy to use parts catalog.
2. Remove the PCV valve from the rocker cover. 3. Hold the PCV valve with the vacuum side down. Insert a thin rod, and using light pressure, depress the end of the PCV valve spring by 5 − 10 mm (0.2 − 0.3 inch). Release pressure on the rod to see if the PCV valve spring will lift the rod to its original position. 4.
2009 MITSUBISHI OUTLANDER XLS / 3.0L V6 GAS. Direct-Fit Manifold Catalytic Converter. Firewall Side [Bank No. 1] Exhaust Manifold w/Converter. Learn More. Price: CAD$804.98.
1570A621 - Exhaust System: Intermediate Pipe Shield for Mitsubishi: Outlander Sport Image Placeholder. Intermediate Pipe Shield.
Simple repair, complete replacement, or a full rebuild. No matter the job, your 2010 Mitsubishi Outlander demands trusted brand parts and products to keep it running. 11 trusted brands of Exhaust products are part of Advance Auto Parts' inventory, and all ready to help make your Outlander the best it can be.
High quality plastic and/or steel construction Direct replacement for a proper fit every time. $37.01 - $133.64. TruParts® Exhaust System Hanger. 0. # mpn4759233130. Mitsubishi Outlander 2.4L with California Emission / with Federal Emission with Front Pipe Converter / without Front Pipe Converter 2011, Exhaust System Hanger by TruParts®.
By texting NAPA to 24002, you authorize NAPA to send promotional text messages to the phone number provided. Message frequency varies, msg & data rates may apply, text STOP to 24002 to opt-out, text HELP to 24002 for help.
Mitsubishi Outlander Exhaust System Youtube 500 x 490 pixel image type. Mitsubishi outlander exhaust system diagram. Inspired by suvs and sedans the mitsubishi outlander offers the off road capabilities of an suv and the comfort of a sedan. Your stock mitsubishi outlander exhaust system makes your engine work too hard.
Mitsubishi outlander exhaust system diagram. 500 x 490 pixel image type. Designed using state of the art technology and with. Its made for adventurous drivers who want to start their own daily adventures. Mitsubishi oem 07 17 outlander 30l v6 exhaust system front pipe 1570c433 see more like this exhaust y pipe fits.
MR529673 - Exhaust System: Intermediate Pipe Hanger for Mitsubishi: Lancer, Outlander Image Placeholder · Intermediate Pipe Hanger.
0 Response to "37 mitsubishi outlander exhaust system diagram"
Post a Comment